GM Service Manual Online
For 1990-2009 cars only
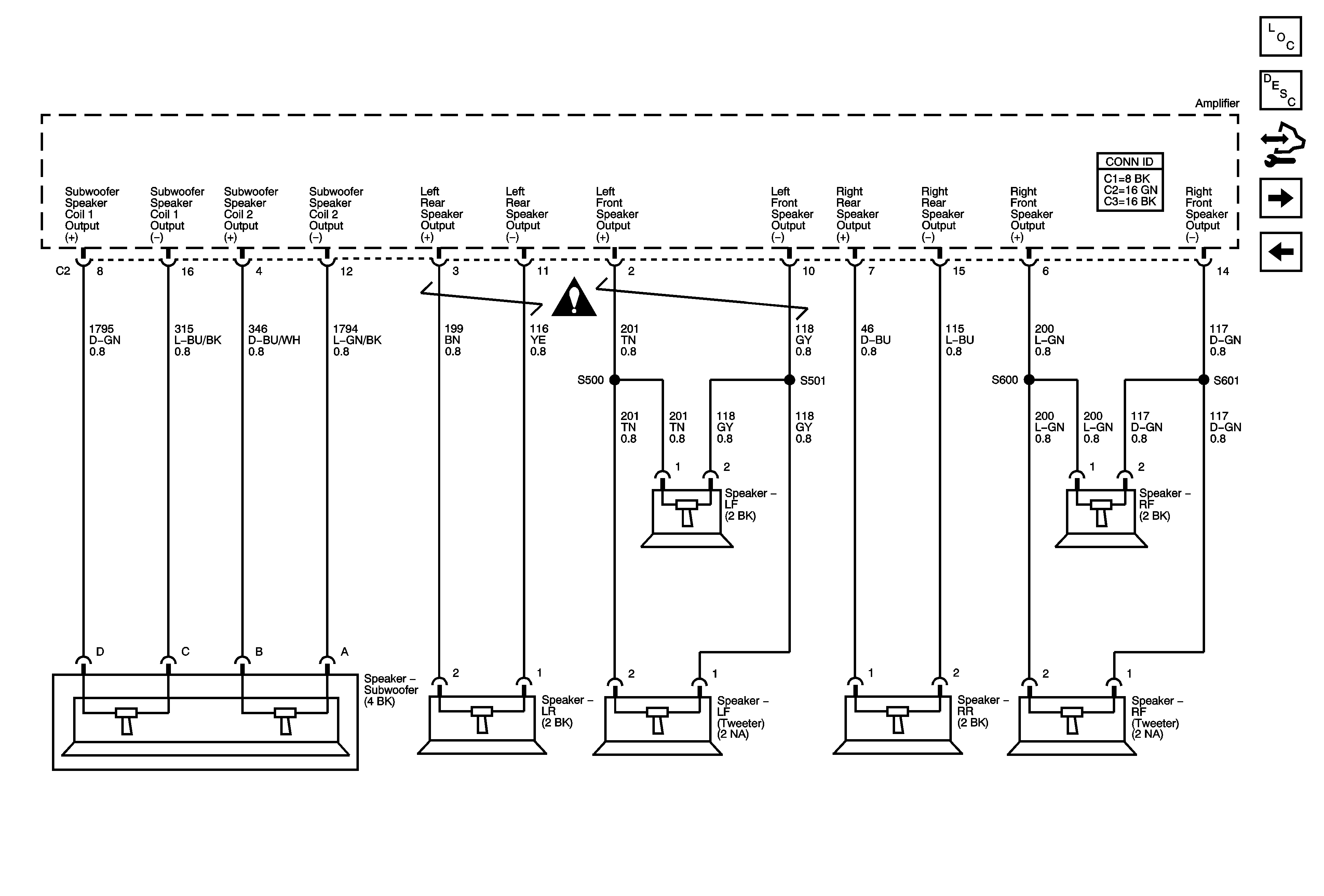
Figure 1:

Power, Ground, and Speakers


Object Number: 1798799  Size: FS
Master Electrical Component List
Radio/Audio System Description and Operation
Control Module References
Power, Ground, and Amplifier Controls - WBM
PWR SEAT Circuit Breaker, LH HDLP, RH HDLP, BRAKE, PREM AUD, BATT FEED, and HTD SEATS Fuses
IGN Fuse and Ignition Switch Circuits
TURN, BCM, RADIO (IGN), HVAC, and HTD SEATS Fuse
L66 with 5AT
L61 with MG3
Interior Lights Dimming Schematics
Park Lamps w/ T82
OnStar Schematics
Entertainment/Communication Schematic Icons
Entertainment/Communication Schematic Icons
Entertainment/Communication Schematic Icons
Entertainment/Communication Schematic Icons
G201
Figure 2:

Power, Ground, and Amplifier Controls (WBM)


Object Number: 1798868  Size: FS
Master Electrical Component List
Radio/Audio System Description and Operation
Control Module References
Digital Radio Receiver
Power, Ground, and Speakers
B+ Bus and EPS Fuse
PWR SEAT Circuit Breaker, LH HDLP, RH HDLP, BRAKE, PREM AUD, BATT FEED, and HTD SEATS Fuses
IGN Fuse and Ignition Switch Circuits
L66 with 5AT
L61 with MG3
Interior Lights Dimming Schematics
Park Lamps w/ T82
OnStar Schematics
Entertainment/Communication Schematic Icons
Entertainment/Communication Schematic Icons
Entertainment/Communication Schematic Icons
Entertainment/Communication Schematic Icons
G401 and G403
G201
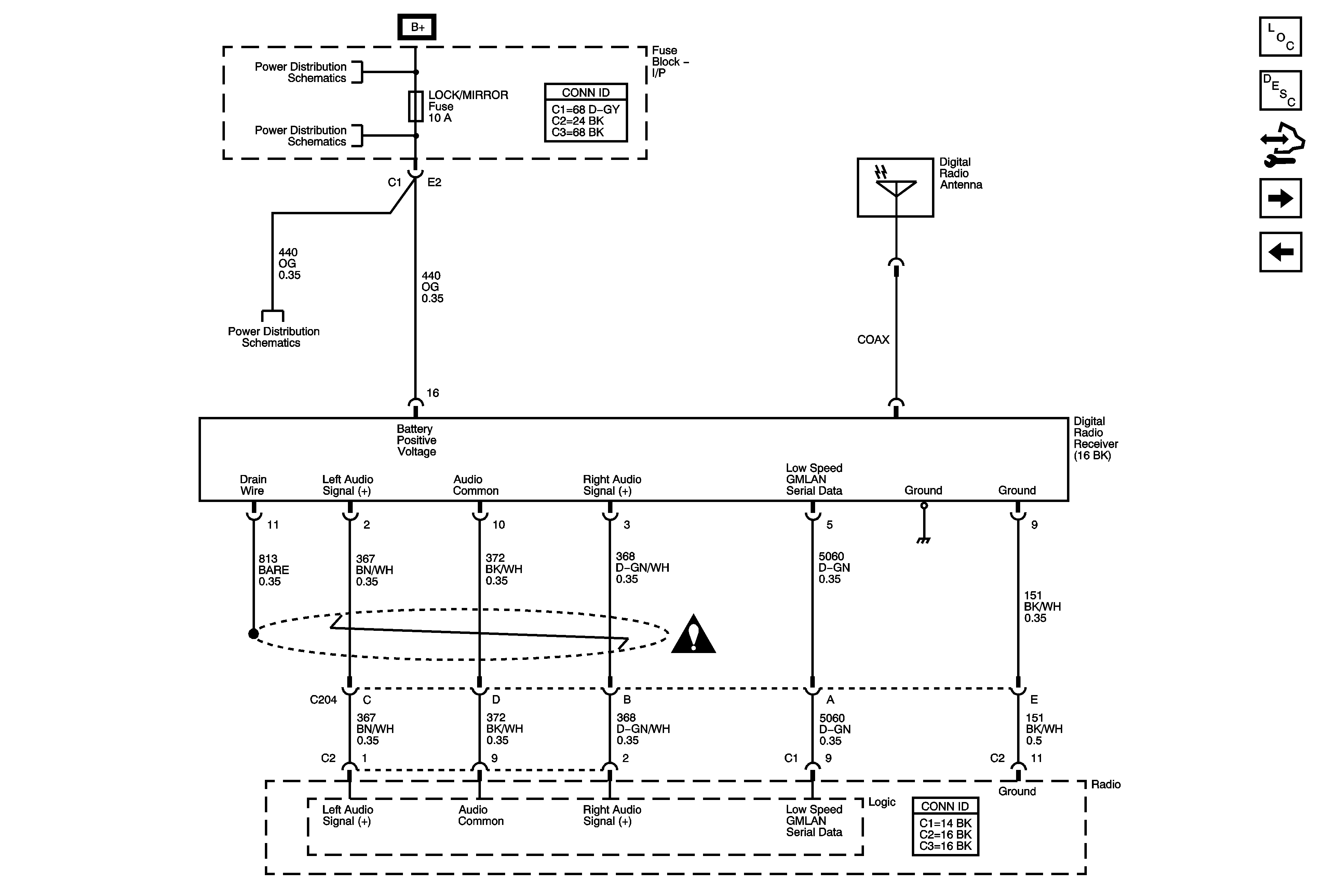
Figure 3:

Digital Radio Receiver


Object Number: 1798871  Size: FS
Master Electrical Component List
Radio/Audio System Description and Operation
Control Module References
Speakers
Power, Ground, and Amplifier Controls - WBM
PWR SEAT Circuit Breaker, LH HDLP, RH HDLP, BRAKE, PREM AUD, BATT FEED, and HTD SEATS Fuses
RADIO, LOCK/MIRROR, BCM/CLUSTER, INT LTS, PARK, and HZRD Fuses
RADIO, LOCK/MIRROR, BCM/CLUSTER, INT LTS, PARK, and HZRD Fuses
Entertainment/Communication Schematic Icons
Figure 4:

Speakers


Object Number: 1798874  Size: FS
Master Electrical Component List
Radio/Audio System Description and Operation
Control Module References
Redundant Radio Controls
Digital Radio Receiver
Entertainment/Communication Schematic Icons
Figure 5:

Redundant Radio Controls


Object Number: 1798876  Size: FS
Master Electrical Component List
Radio/Audio System Description and Operation
Speakers
Entertainment/Communication Schematic Icons
Interior Lights Dimming Schematics
G201