GM Service Manual Online
For 1990-2009 cars only
Makes
🢒
Saturn
🢒
2007
🢒
VUE - FWD
🢒
Diagnostic Navigation
🢒
Vehicle Diagnostic Information
🢒 Instrument Cluster Schematics
Figure
1:
Indicators, Serial Data
Master Electrical Component List
Instrument Cluster Description and Operation
Control Module References
Gages
IGN Fuse and Ignition Switch Circuits
IGN 1, BCM (IGN), AIR BAG, EPS, and CRUISE Fuses
IGN 1, BCM (IGN), AIR BAG, EPS, and CRUISE Fuses
RADIO, LOCK/MIRROR, BCM/CLUSTER, INT LTS, PARK, and HZRD Fuses
PWR SEAT Circuit Breaker, LH HDLP, RH HDLP, BRAKE, PREM AUD, BATT FEED, and HTD SEATS Fuses
Hazard Turn Signals
Interior Lights Dimming Schematics
L66 with 5AT
L61 with MG3
Seat Belt Schematics
G201
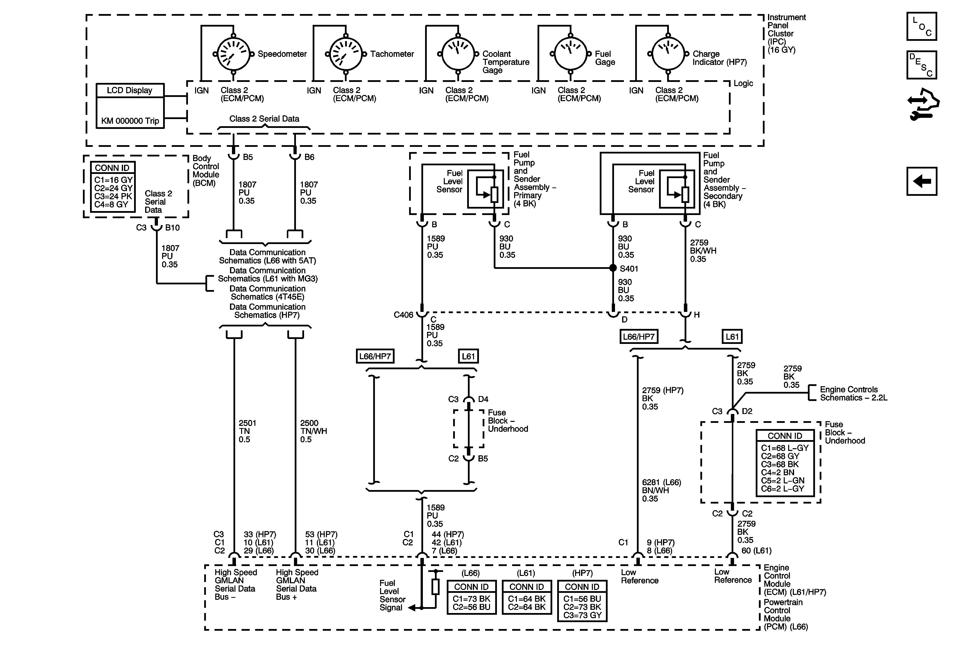
Figure
2:
Gages
Master Electrical Component List
Instrument Cluster Description and Operation
Control Module References
Indicators, Serial Data
L66 with 5AT
L61 with MG3
Pressure and Temperature Signals