GM Service Manual Online
For 1990-2009 cars only
Makes
🢒
Suzuki
🢒
2007
🢒
XL-7 AWD
🢒
Diagnostic Navigation
🢒
Vehicle Diagnostic Information
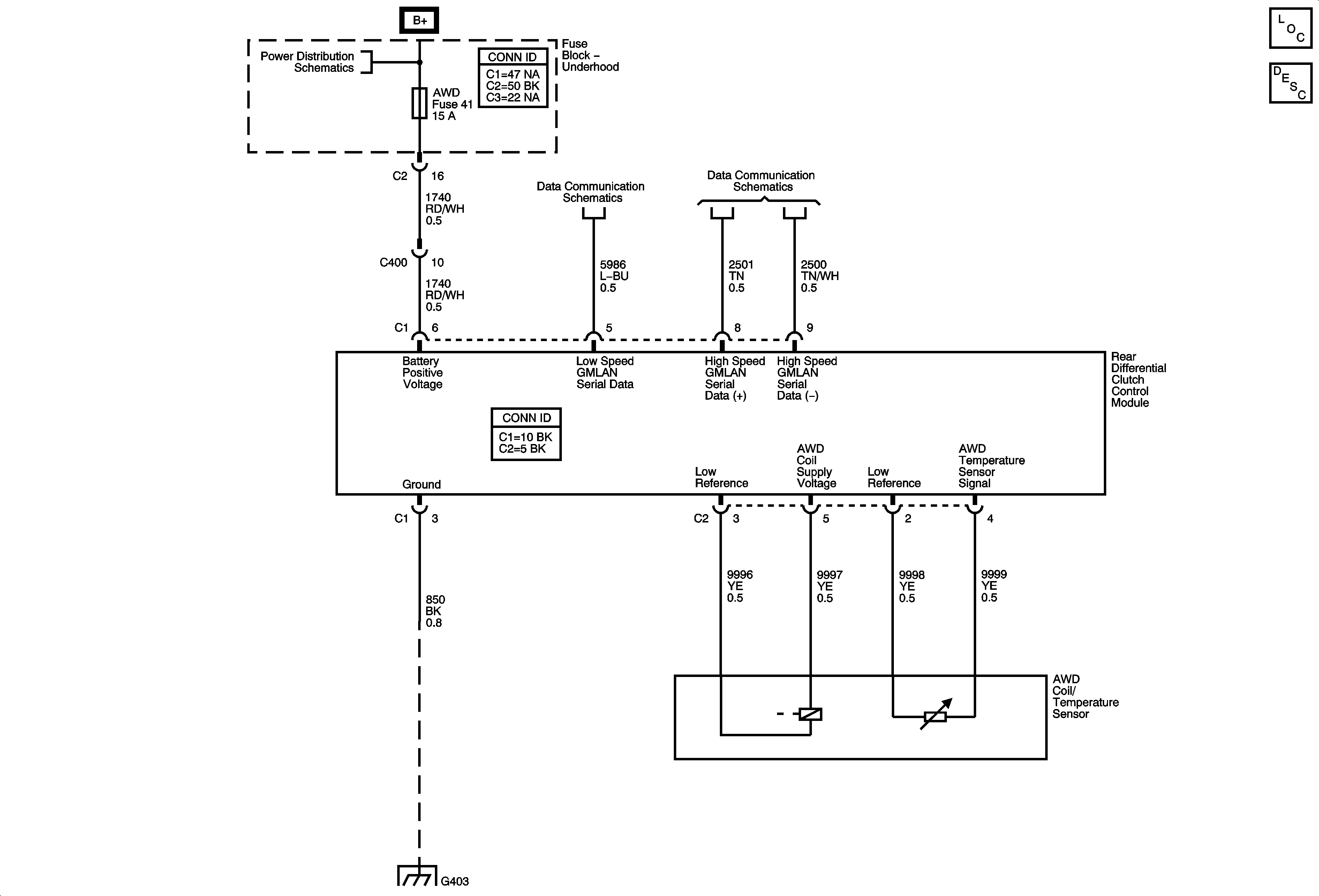
🢒 All-Wheel Drive Schematics
Transfer Case Control
Master Electrical Component List
Transfer Case Description and Operation
B+ BUS 1 of 2
High Speed GMLAN
High Speed GMLAN
G403