GM Service Manual Online
For 1990-2009 cars only
Makes
🢒
Suzuki
🢒
2007
🢒
XL-7 AWD
🢒
Body Systems
🢒
Lighting
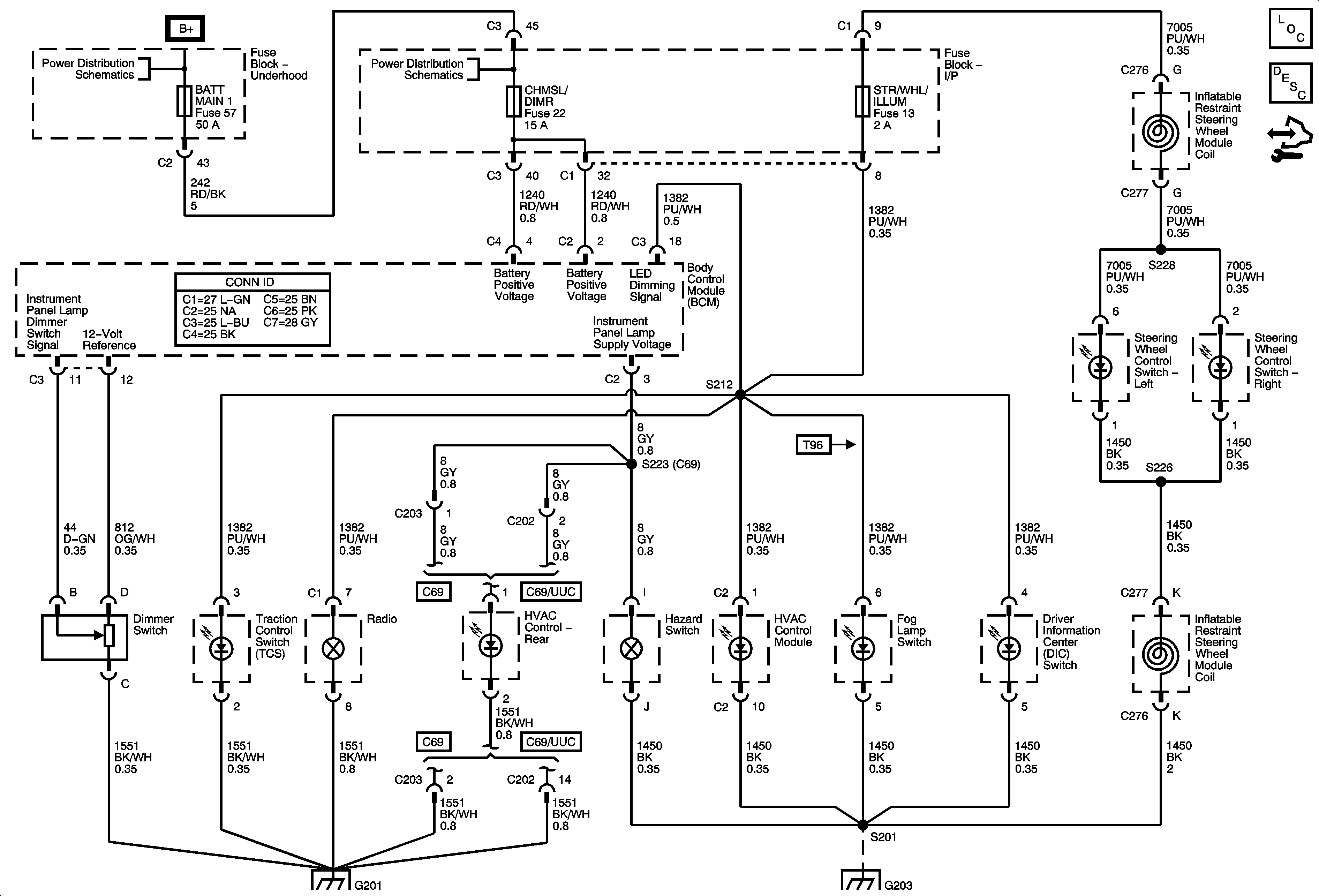
🢒 Interior Lights Dimming Schematics
Master Electrical Component List
Interior Lighting Systems Description and Operation
Control Module References
B+ BUS 1 of 2
B+ BUS 1 of 2
G201
G203 and G205