GM Service Manual Online
For 1990-2009 cars only
Makes
🢒
Suzuki
🢒
2007
🢒
XL-7 AWD
🢒
Body Systems
🢒
Vehicle Access
🢒 Door Lock/Indicator Schematics
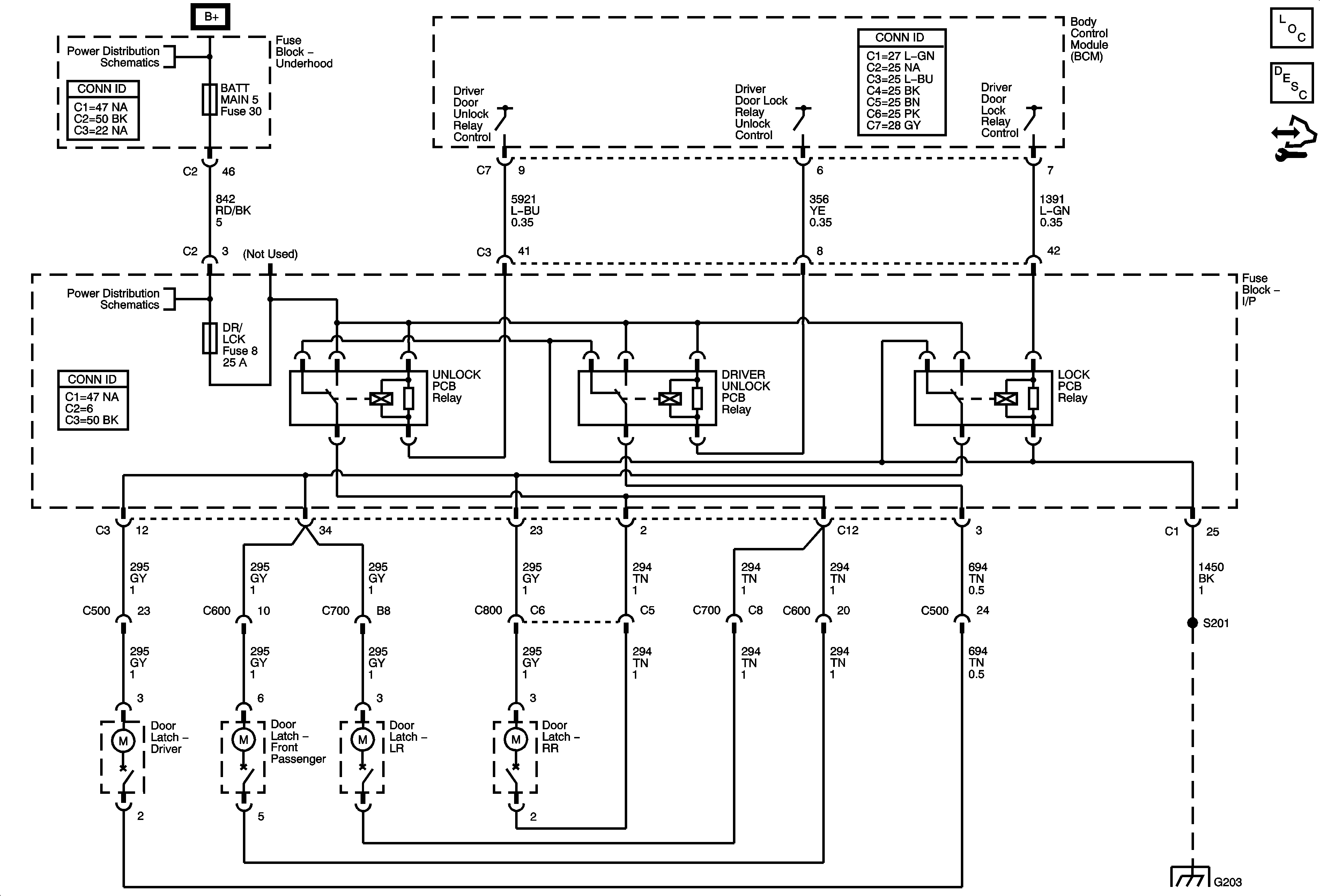
Figure
1:
Door Lock Motors and Relays
Master Electrical Component List
Power Door Locks Description and Operation
Control Module References
B+ BUS 1 of 2
BATT MAIN 3, DR/LCK, RRWPR, RSE/KEY CAPTR, and S/ROOF Fuses and POWER WNDW
G203 and G205
Figure
2:
Door Latches and Switches
Master Electrical Component List
Power Door Locks Description and Operation
Control Module References
Front Wiper Schematics
G401
G311