GM Service Manual Online
For 1990-2009 cars only
Makes
🢒
Suzuki
🢒
2007
🢒
XL-7 AWD
🢒
Driver Information and Entertainment
🢒
Displays and Gages
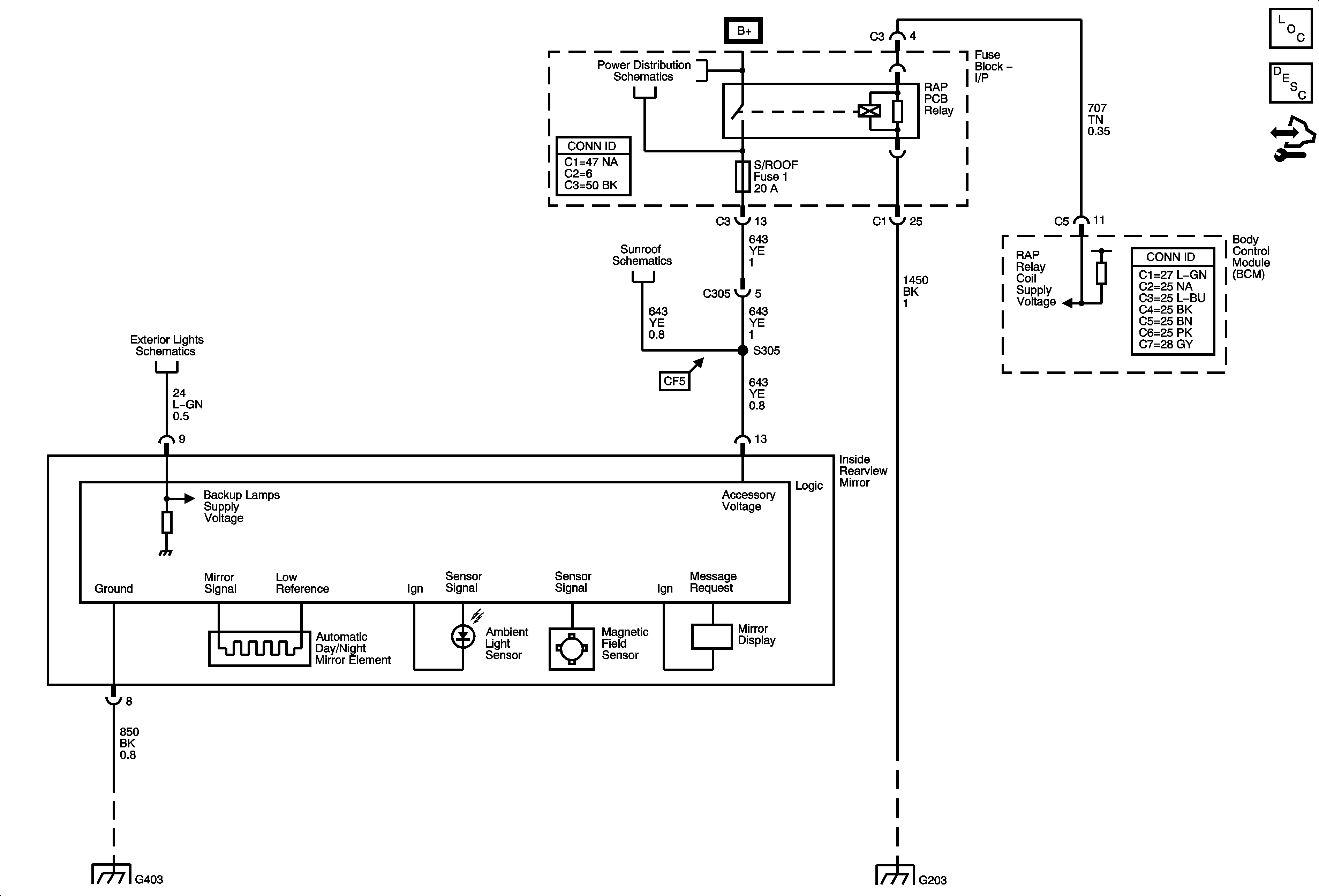
🢒 Driver Information System Schematics
Master Electrical Component List
Automatic Day-Night Mirror Description and Operation
Control Module References
Backup Lamps Schematics
G403
B+ BUS 1 of 2
Sunroof
G203 and G205