GM Service Manual Online
For 1990-2009 cars only
Makes
🢒
Suzuki
🢒
2007
🢒
XL-7 AWD
🢒
Power and Signal Distribution
🢒
Data Communications
🢒 Data Communication Schematics
Figure
1:
Low Speed GMLAN
Master Electrical Component List
Data Link Communications Description and Operation
Control Module References
High Speed GMLAN
B+ BUS 1 of 2
AMP, BCM, CHMSL/DIMR, HVAC/RFA, and RDO Fuses
AMP, BCM, CHMSL/DIMR, HVAC/RFA, and RDO Fuses
G201
G203 and G205
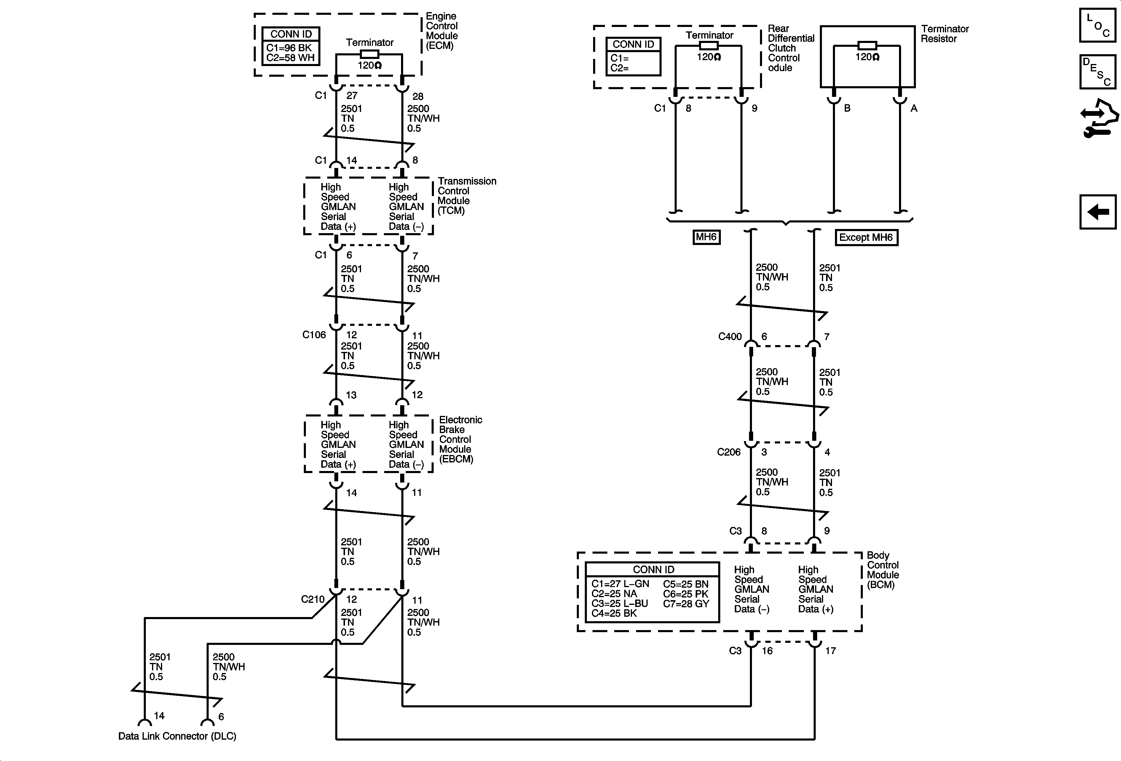
Figure
2:
High Speed GMLAN
Master Electrical Component List
Data Link Communications Description and Operation
Control Module References
Low Speed GMLAN