GM Service Manual Online
For 1990-2009 cars only
Makes
🢒
Suzuki
🢒
2007
🢒
XL-7 AWD
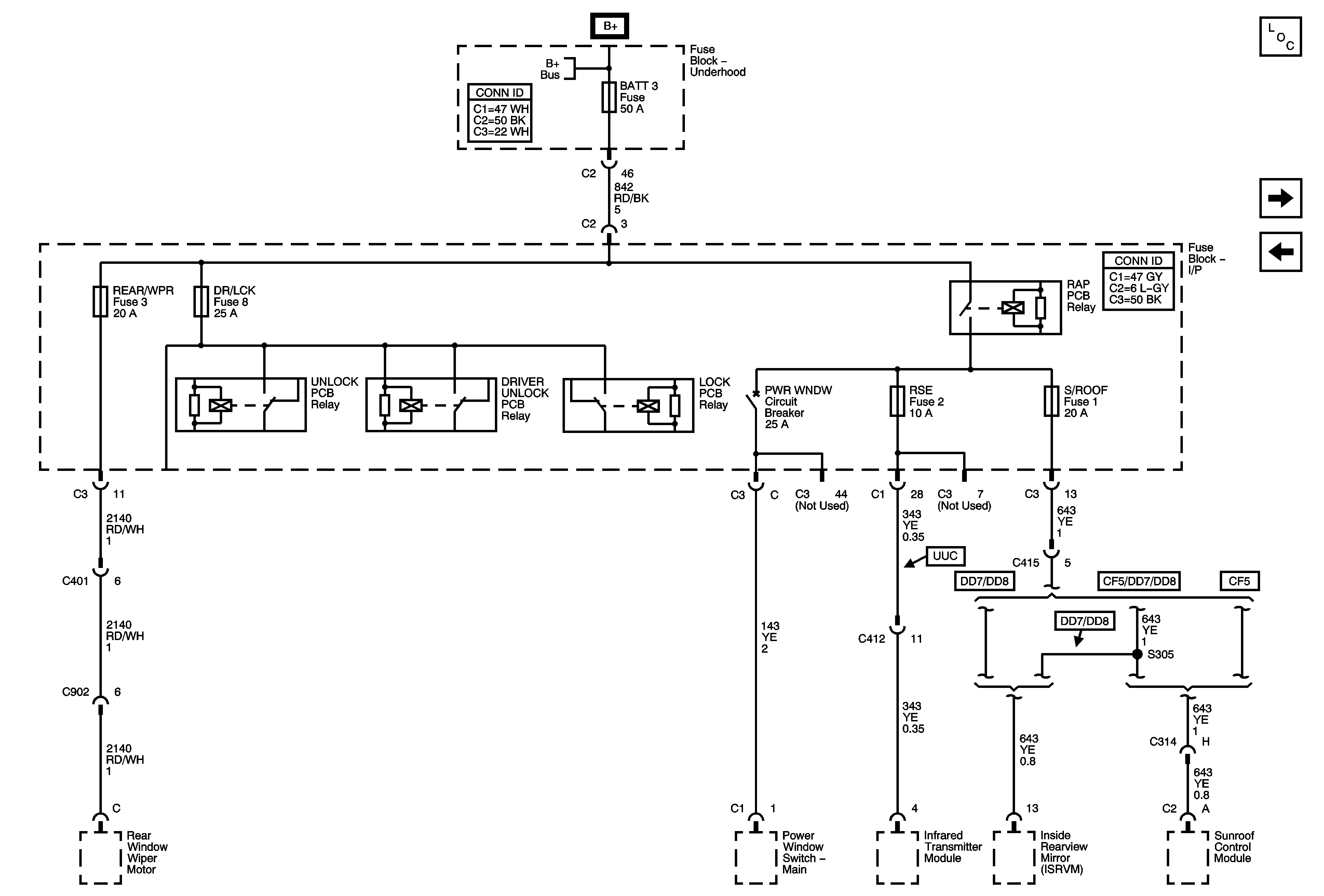
🢒 BATT 3, DR/LCK, REAR/WPR, RSE and S/ROOF Fuses and PWR WNDW Circuit Breaker
BATT 3, DR/LCK, REAR/WPR, RSE and S/ROOF Fuses and PWR WNDW Circuit Breaker
BATT 3, DR/LCK, REAR/WPR, RSE and S/ROOF Fuses and PWR WNDW Circuit Breaker
Master Electrical Component List
IGN SW, Fuse and Ignition Switch
AOS MDL, BATT 2, HTD/SEATS, L/GATE, LT TRN/SIG, PWR MIRS, RT TRN/SIG and AIRBAGS Fuses and PWR SEATS Circuit Breaker
B+ BUS - 1 of 2