GM Service Manual Online
For 1990-2009 cars only
Makes
🢒
Suzuki
🢒
2007
🢒
XL-7 AWD
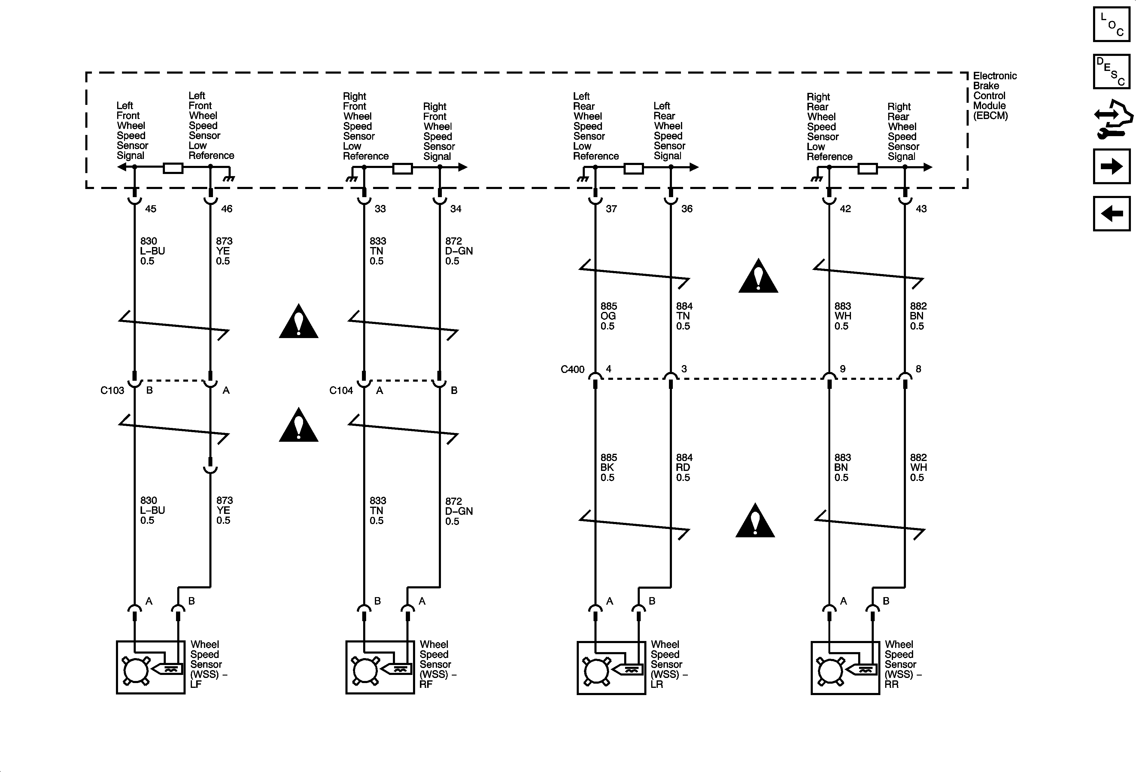
🢒 Wheel Speed Sensor
Wheel Speed Sensor
Wheel Speed Sensor
Master Electrical Component List
ABS Description and Operation
Control Module References
Yaw Rate and Lateral Accelerator Sensor, and Steering Angle Sensor
Serial Data, Traction Switch, and Instrument Panel