GM Service Manual Online
For 1990-2009 cars only
Makes
🢒
Suzuki
🢒
2007
🢒
XL-7 AWD
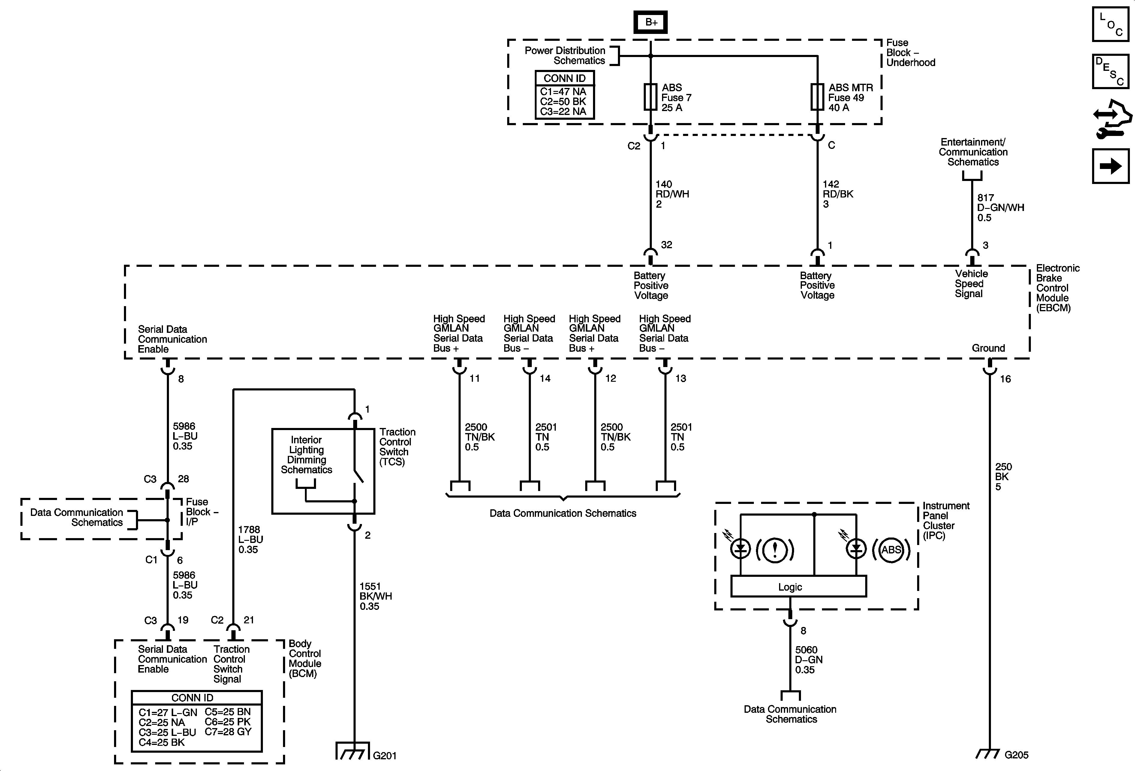
🢒 Serial Data, Traction Switch, and Instrument Panel
Serial Data, Traction Switch, and Instrument Panel
Serial Data, Traction Switch, and Instrument Panel
Master Electrical Component List
ABS Description and Operation
Control Module References
Wheel Speed Sensor
Power Distribution Schematics
Data Communication Schematics
G201
Data Communication Schematics
G203 and G205