GM Service Manual Online
For 1990-2009 cars only
Makes
🢒
Suzuki
🢒
2007
🢒
XL-7 AWD
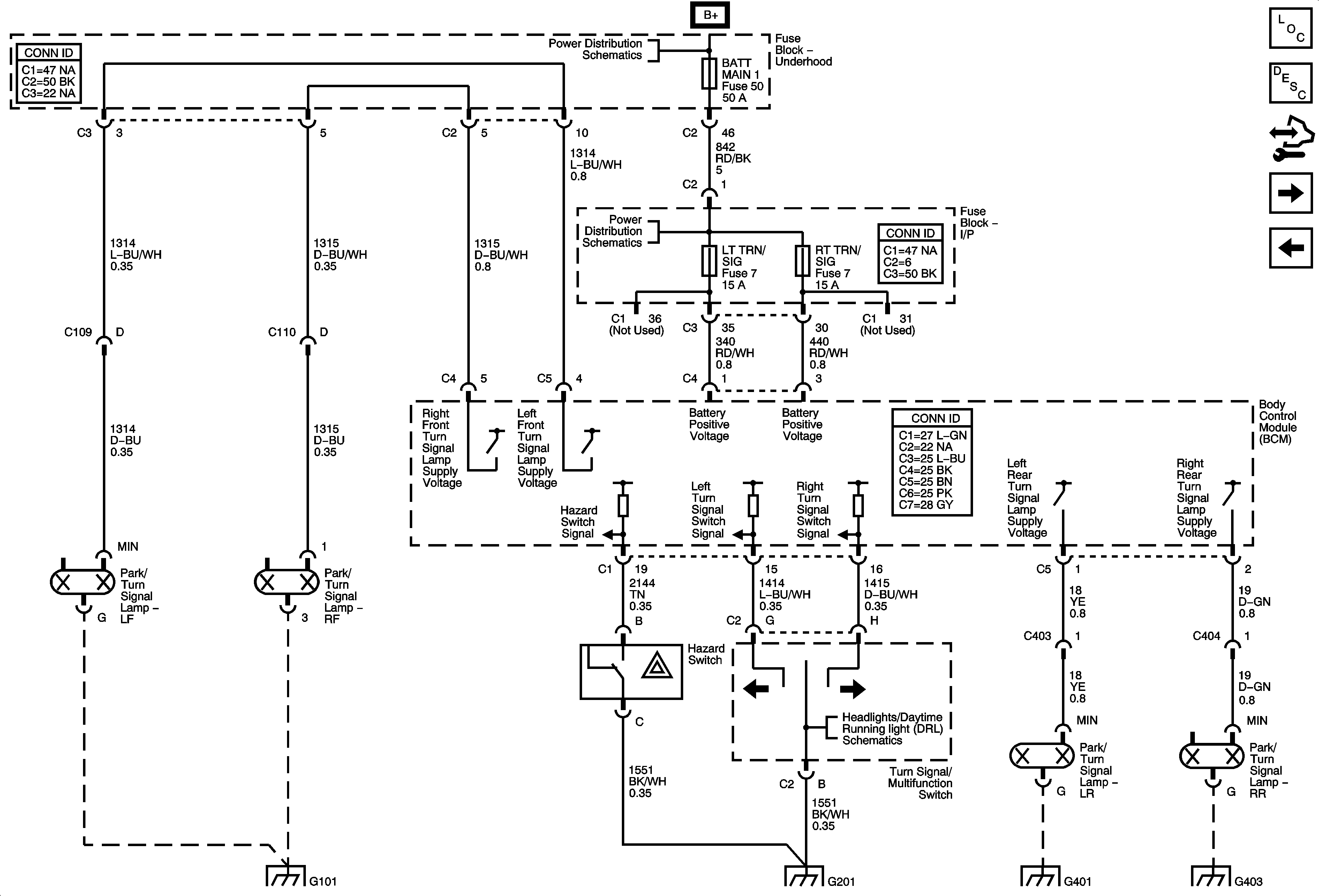
🢒 Turn Signal Lamps Schematics
Turn Signal Lamps Schematics
Turn Signal Lamps
Master Electrical Component List
Exterior Lighting Systems Description and Operation
Control Module References
Stop Lamps Schematics
Licence Lamps and Right Park Lamps Schematics
B+ BUS 1 of 2
G101
G201
G401
G403