GM Service Manual Online
For 1990-2009 cars only
Makes
🢒
Suzuki
🢒
2007
🢒
XL-7 AWD
🢒 Release System
Release System
Master Electrical Component List
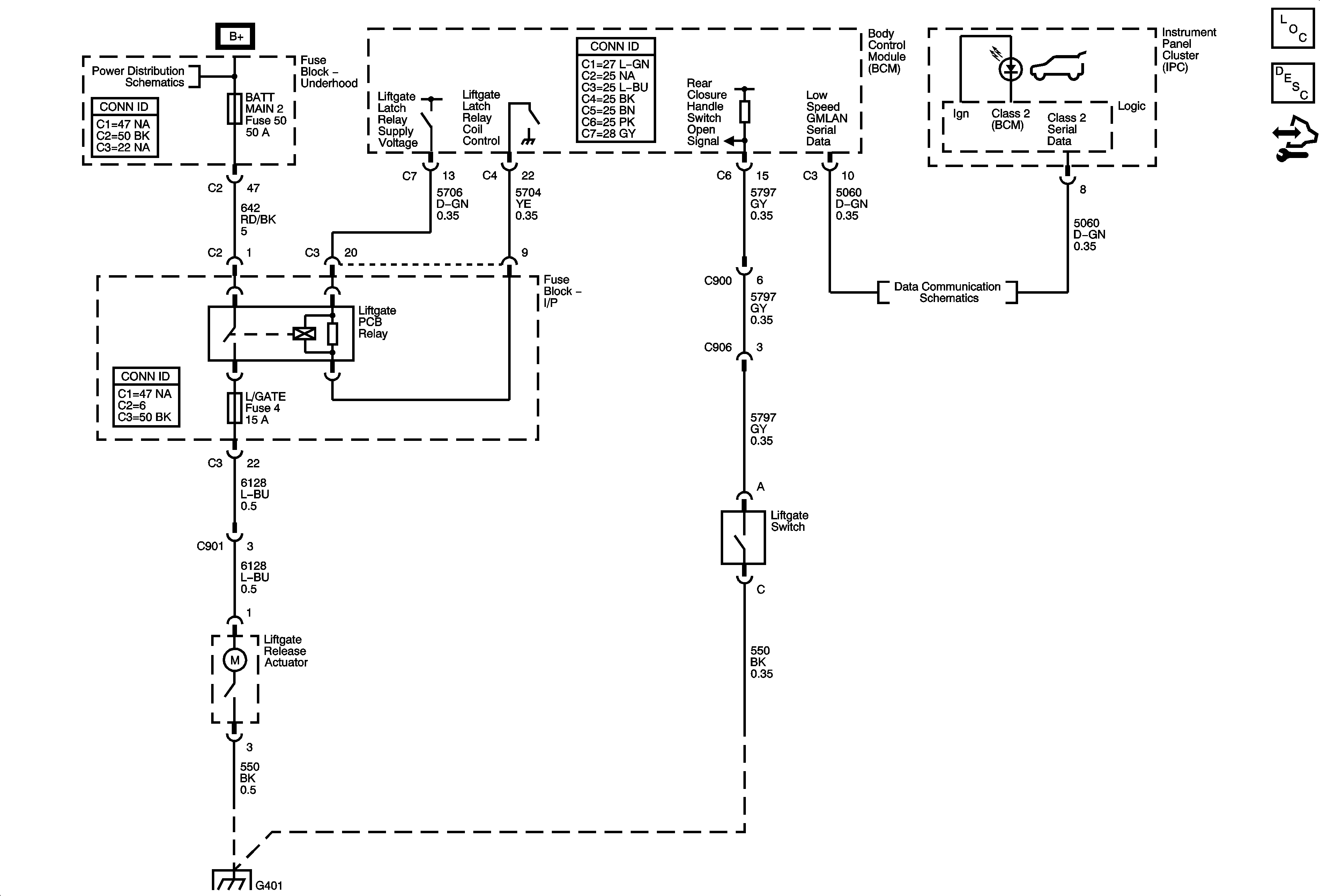
Rear Hatch/Gate Description and Operation
Control Module References
B+ BUS 1 of 2
Low Speed GMLAN
G401