GM Service Manual Online
For 1990-2009 cars only
Makes
🢒
Suzuki
🢒
2007
🢒
XL-7 AWD
🢒 Keyless Entry
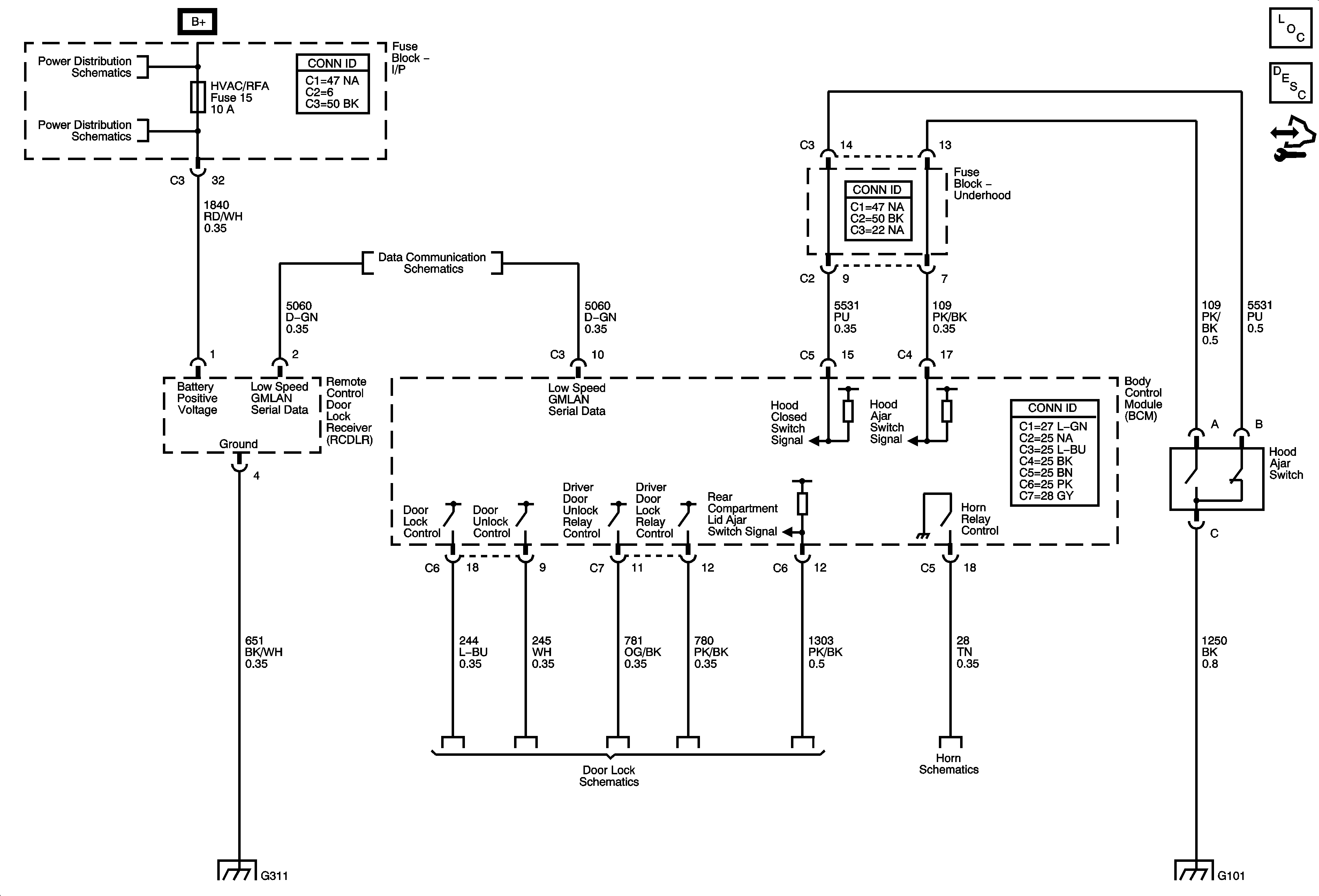
Keyless Entry
Master Electrical Component List
Keyless Entry System Description and Operation
Control Module References
B+ BUS 1 of 2
B+ BUS 1 of 2
Low Speed GMLAN
G311
Door Locks
Horn
G101