GM Service Manual Online
For 1990-2009 cars only
Makes
🢒
Suzuki
🢒
2009
🢒
XL-7 FWD
🢒
Engine
🢒
Engine Electrical
🢒 Starting and Charging Schematics
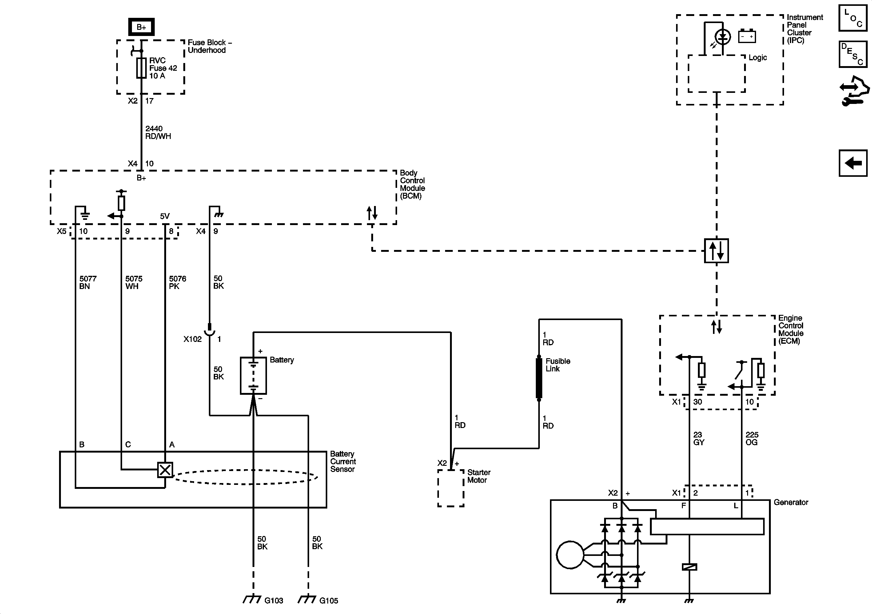
Figure
1:
Starting
Master Electrical Component List
Starting System Description and Operation
Control Module References
Charging
B+ BUS 1 of 2
IMS and Tap Up/Tap Down
G103, G105, G107, G108, and G109
Figure
2:
Charging
Master Electrical Component List
Charging System Description and Operation
Control Module References
Starting
BATT MAIN 1, CAN VENT, CLSTR, HVAC BLOWER, INFO, INT LTS, ONSTAR, REAR DEFOG, and RVC Fuses
G103, G105, G107, G108, and G109
G103, G105, G107, G108, and G109