GM Service Manual Online
For 1990-2009 cars only
Makes
🢒
Suzuki
🢒
2009
🢒
XL-7 FWD
🢒
Diagnostic Navigation
🢒
Vehicle Diagnostic Information
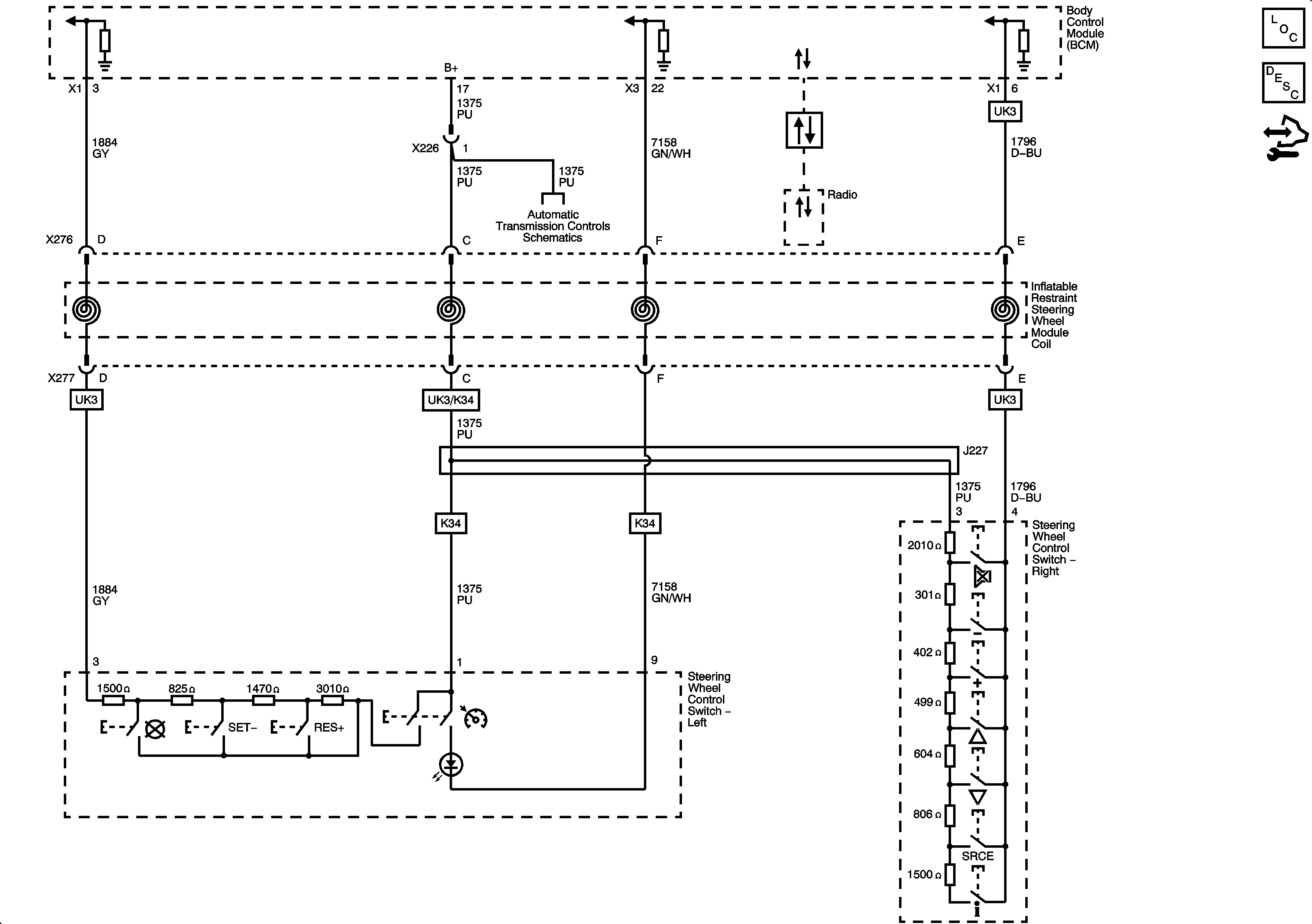
🢒 Steering Wheel Secondary/Configurable Control Schematics
Remote Radio Steering Wheel Controls (UK3)
Master Electrical Component List
Steering Wheel Controls Description and Operation
Control Module References
IMS and Tap Up/Tap Down