GM Service Manual Online
For 1990-2009 cars only
Makes
🢒
Suzuki
🢒
2009
🢒
XL-7 FWD
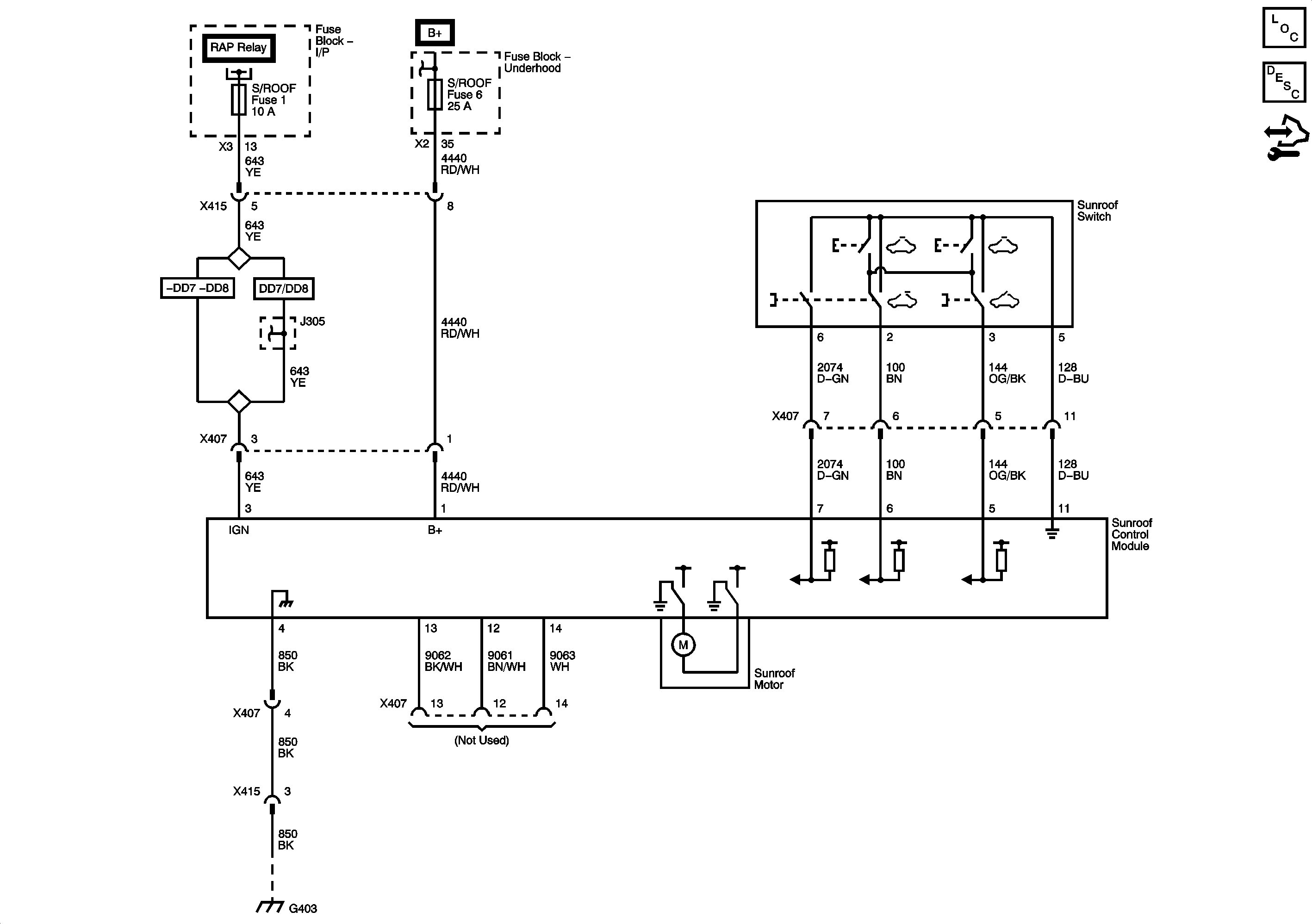
🢒 Sunroof Schematics
Sunroof Schematics
Master Electrical Component List
Sunroof Description and Operation
Control Module References
BATT MAIN 3, DR/LCK, RRWPR, RSE/KEY CAPTR, and S/ROOF Fuses and POWER WNDW
B+ BUS 1 of 2
G403