GM Service Manual Online
For 1990-2009 cars only
Makes
🢒
Suzuki
🢒
2009
🢒
XL-7 FWD
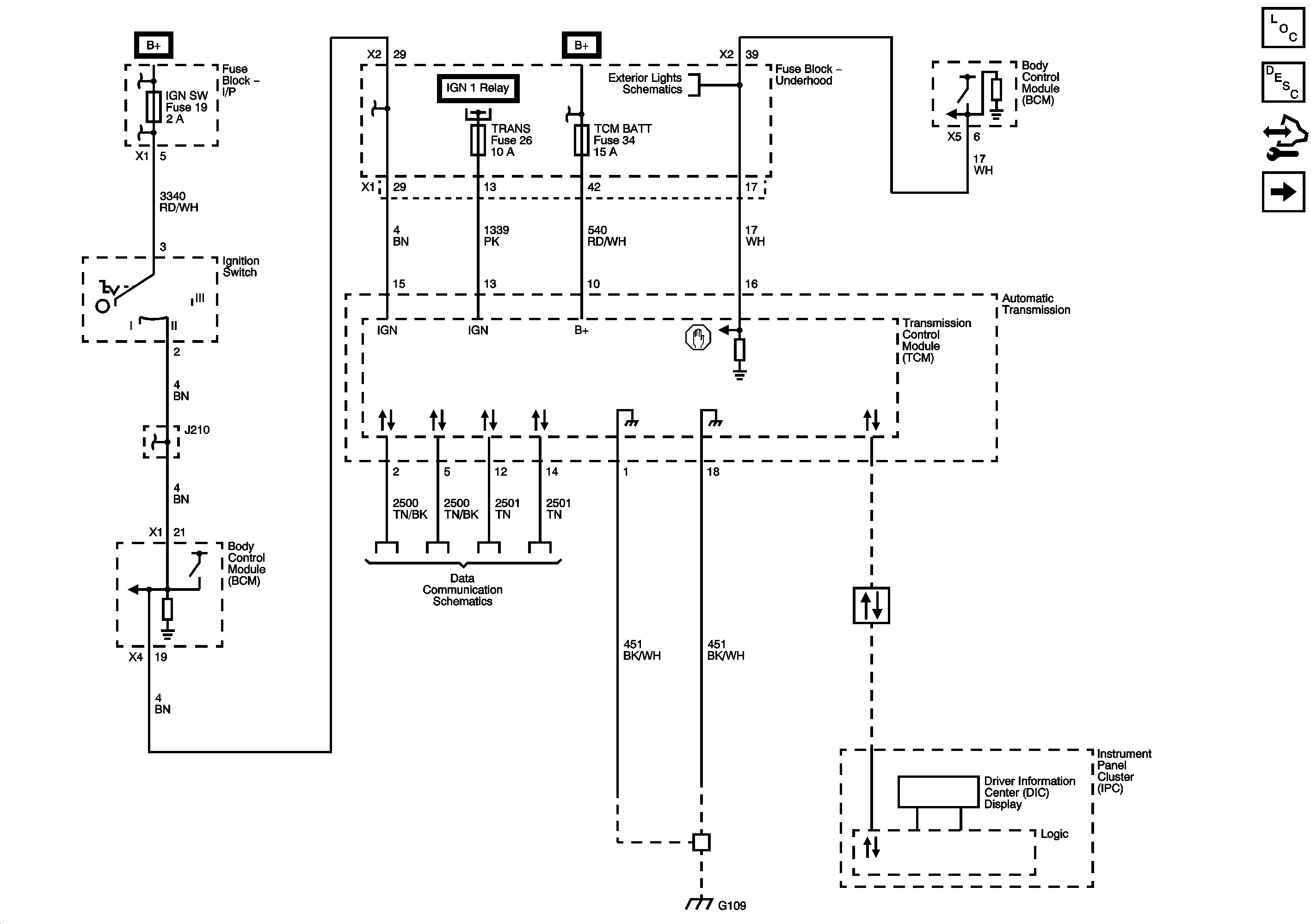
🢒 Module Power, Ground and Data Communication
Module Power, Ground and Data Communication
Module Power, Ground, Data Communication
Master Electrical Component List
Transmission Component and System Description
Control Module References
Pressure and Shift Controls
Ignition Switch and IGN MAIN Relay
RUN/CRANK BUS - MAF, PCM, IGN, SIR DISPLAY and TRANS Fuses
Cruise Control Schematics
ABS, ABS MTR, AUX PWR, AWD, ECMBAT, PWR OUTLET, REAR APO, REAR HVAC, and TCM BAT Fuses
High Speed GMLAN
G103, G105, G107, G108, and G109