GM Service Manual Online
For 1990-2009 cars only
Makes
🢒
Buick
🢒
1999
🢒
Century
🢒
Body and Accessories
🢒
Lighting Systems
🢒 Headlights Schematics
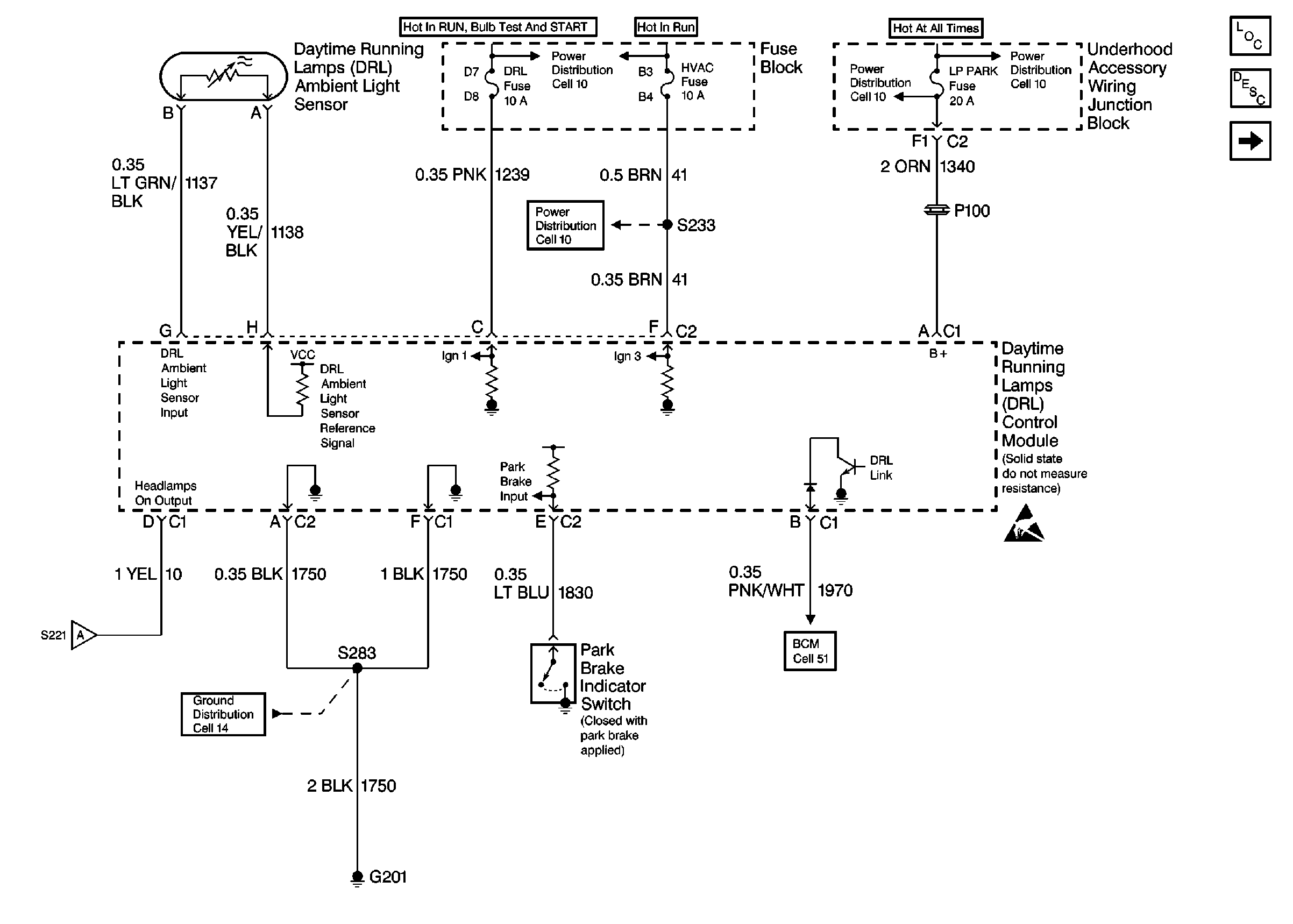
Figure
1:
DRL Control Module, Park Brake Indicator Switch
Headlamps, Dimmer/Headlamp Switches
Cell 11: LOW BLOWER, CRUISE and HVAC Fuses
Cell 14: G201
Cell 11: LOW BLOWER, CRUISE and HVAC Fuses
Cell 11: LOW BLOWER, CRUISE and HVAC Fuses
Cell 11: LOW BLOWER, CRUISE and HVAC Fuses
Handling ESD Sensitive Parts Notice
Headlights Circuit Description
Headlamps, Dimmer/Headlamp Switches
Body Control System Schematics
Lighting Systems Components
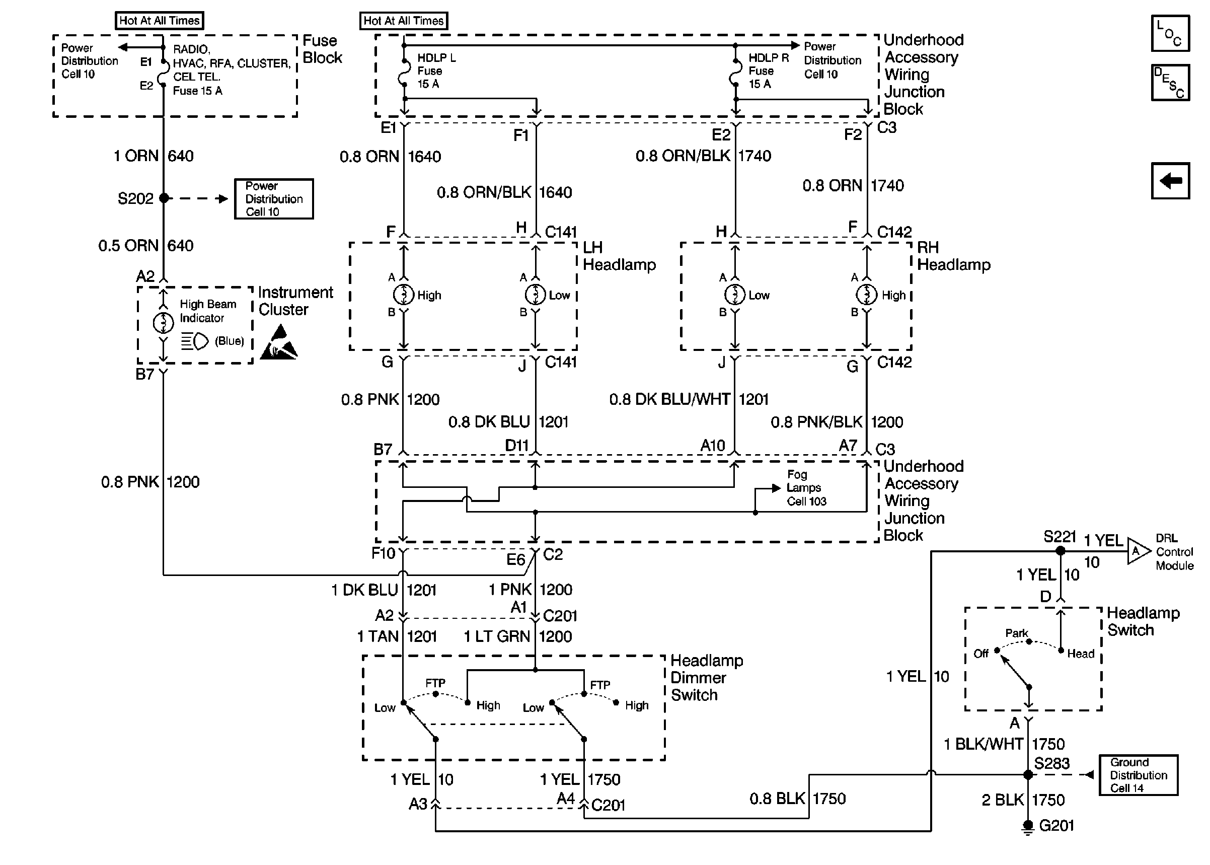
Figure
2:
Headlamps, Dimmer/Headlamp Switches
Cell 11: LOW BLOWER, CRUISE and HVAC Fuses
Cell 11: LOW BLOWER, CRUISE and HVAC Fuses
Handling ESD Sensitive Parts Notice
Cell 11: LP PARK, HDLP L and HDLP R Fuses
Cell 103: Headlamps, Headlamp/Dimmer Switch
Cell 14: G201
Headlights Circuit Description
DRL Control Module, Park Brake Indicator Switch
DRL Control Module, Park Brake Indicator Switch
Lighting Systems Components