GM Service Manual Online
For 1990-2009 cars only
Figure 1:

Battery, UAWJB, Fuse Block, Headlamp Switch, Parklamp and Headlamp Relay


Object Number: 589016  Size: FS
Power and Grounding Components
UAWJB, RAP Relay, Ignition Switch, and Fuse Block
Front Park Lamps, Tail Lamps, License Lamps, and Panel Dimming Fuses
Radio, HVAC, RFA, Cluster, Cel Tel, BCM Power, INADV Power Bus, Radio PRM Sound, and Cigar Lighter/Data Link Fuses
ABS and BTSI Fuses
Figure 2:

UAWJB, RAP Relay, Ignition Switch, and Fuse Block


Object Number: 589024  Size: FS
Power and Grounding Components
UAWJB, Ignition Switch, and Fuse Block
Battery, UAWJB, Fuse Block, Headlamp Switch, Parklamp and Headlamp Relay
Retained Accessory Power (RAP) Schematics
Wiper Fuse, BCM ACC, Power Drop, Radio and Steering Wheel Cont Fuses
Power Windows, Power Sunroof, Rear Defogger, and Power Seats Circuit Breakers
Wiper Fuse, BCM ACC, Power Drop, Radio and Steering Wheel Cont Fuses
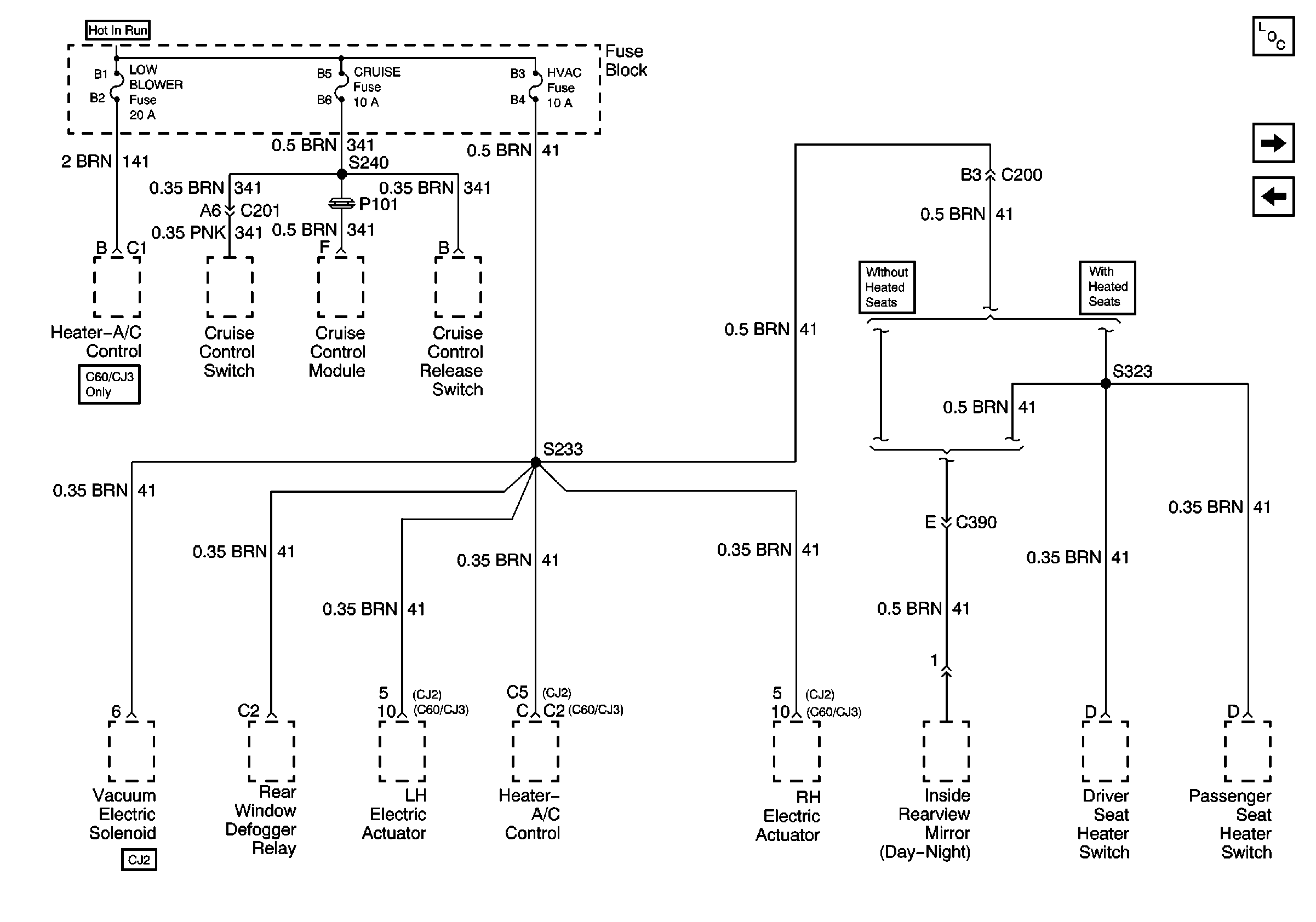
Low Blower, Cruise, and HVAC Fuses
Figure 3:

UAWJB, Ignition Switch, and Fuse Block


Object Number: 589029  Size: FS
Fuse Block Outside Rearview Mirror, Cluster, BCM, PCM, and BTSI Fuse
ABS and BTSI Fuses
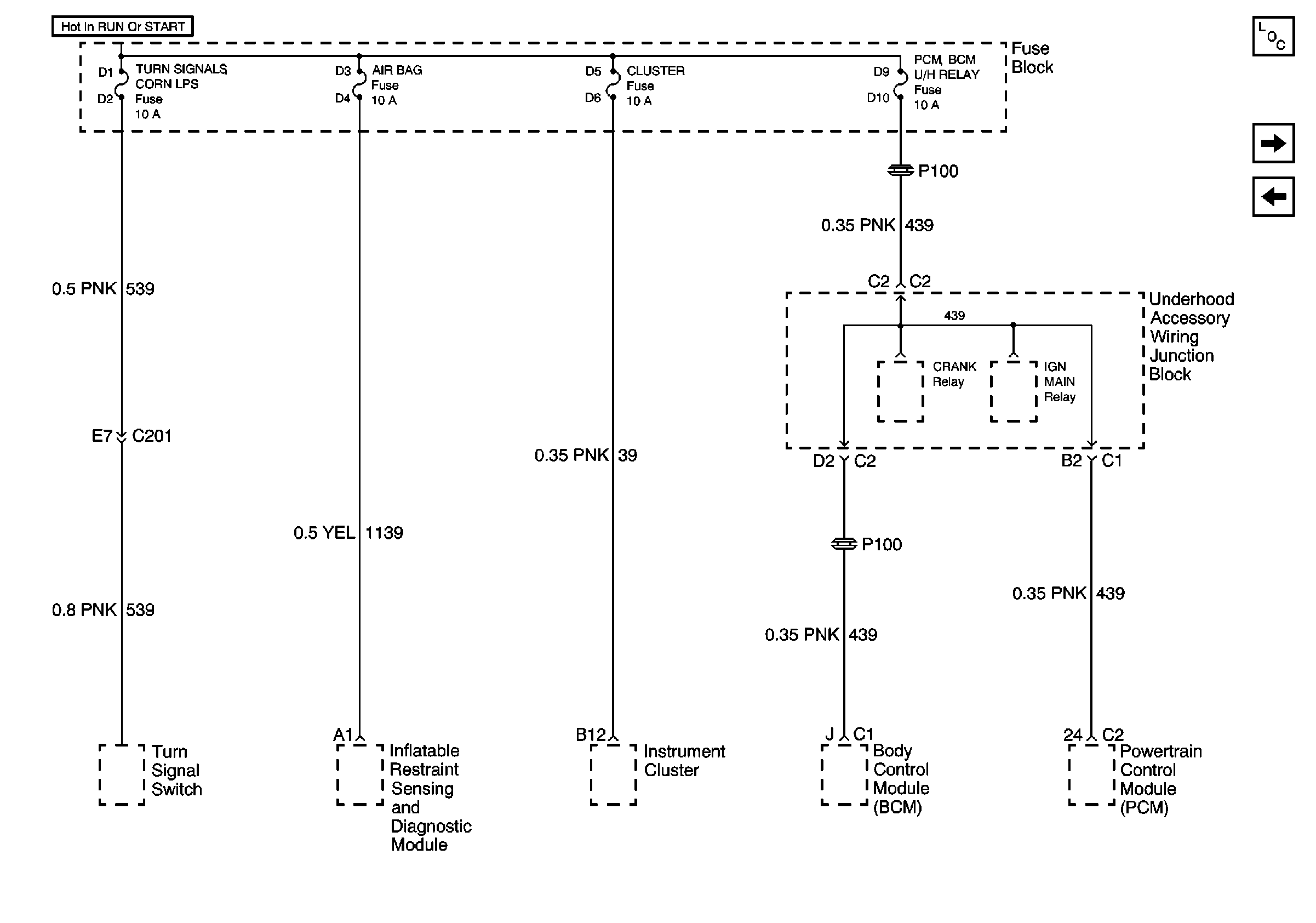
Fuse Block, UAWJB, PCM, BCM, Cluster, Turn Signal Switch, and SDM Module
Fuse Block, UAWJB, PCM, BCM, Cluster, Turn Signal Switch, and SDM Module
Fuse Block Outside Rearview Mirror, Cluster, BCM, PCM, and BTSI Fuse
Power and Grounding Components
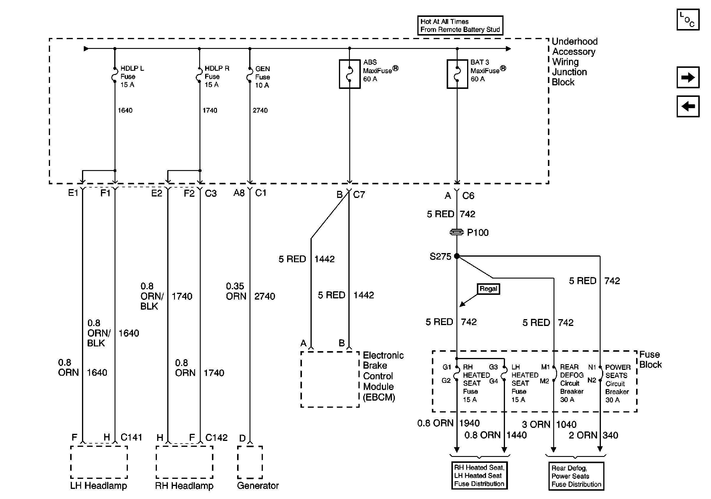
UAWJB, Fuse Block, Headlamps, EBCM, and Generator
UAWJB, RAP Relay, Ignition Switch, and Fuse Block
Figure 4:

UAWJB, Fuse Block, Headlamps, EBCM, and Generator


Object Number: 589034  Size: FS
High Blower, Hazard, Stoplamps, Door Locks, Power Mirrors, and Heated Seats Fuses
Power Windows, Power Sunroof, Rear Defogger, and Power Seats Circuit Breakers
Power and Grounding Components
UAWJB
UAWJB, Ignition Switch, and Fuse Block
Figure 5:

UAWJB


Object Number: 589037  Size: FS
UAWJB, Fuel Injectors
UAWJB, Stop Lamp Switch, EVAP, MAF Secondary Air Injection Bypass Valve Solenoid
UAWJB, Automatic Transaxle, ICM, HO2S1 and HO2S2
G100, G113 and G113
Fuse Block, UAWJB, PCM, BCM, Cluster, Turn Signal Switch, and SDM Module
Power and Grounding Components
UAWJB, Fuse Block, Headlamps, EBCM, and Generator
Figure 6:

UAWJB, PCM, PNP Switch, and Backup Relay


Object Number: 589039  Size: FS
Power and Grounding Components
Fuse Block, UAWJB, PCM, BCM, Cluster, Turn Signal Switch, and SDM Module
UAWJB
Figure 7:

Fuse Block, UAWJB, PCM, BCM, Cluster, Turn Signal Switch, and SDM Module


Object Number: 589041  Size: FS
Power and Grounding Components
UAWJB, Stop Lamp Switch, EVAP, MAF Secondary Air Injection Bypass Valve Solenoid
UAWJB, PCM, PNP Switch, and Backup Relay
Figure 8:

UAWJB, Stop Lamp Switch, EVAP, MAF Secondary Air Injection Bypass Valve Solenoid


Object Number: 589098  Size: FS
Power and Grounding Components
UAWJB, Automatic Transaxle, ICM, HO2S1 and HO2S2
Fuse Block, UAWJB, PCM, BCM, Cluster, Turn Signal Switch, and SDM Module
Figure 9:

UAWJB, Automatic Transaxle, ICM, HO2S1 and HO2S2


Object Number: 589104  Size: FS
Power and Grounding Components
UAWJB, Fuel Injectors
UAWJB, Stop Lamp Switch, EVAP, MAF Secondary Air Injection Bypass Valve Solenoid
Figure 10:

UAWJB, Fuel Injectors


Object Number: 589208  Size: FS
Power and Grounding Components
Fuse Block Outside Rearview Mirror, Cluster, BCM, PCM, and BTSI Fuse
UAWJB, Automatic Transaxle, ICM, HO2S1 and HO2S2
Figure 11:

Fuse Block Outside Rearview Mirror, Cluster, BCM, PCM, and BTSI Fuse


Object Number: 589210  Size: FS
Power and Grounding Components
Low Blower, Cruise, and HVAC Fuses
UAWJB, Fuel Injectors
Figure 12:

Low Blower, Cruise, and HVAC Fuses


Object Number: 589211  Size: FS
Power and Grounding Components
ABS and BTSI Fuses
Fuse Block Outside Rearview Mirror, Cluster, BCM, PCM, and BTSI Fuse
Figure 13:

ABS and BTSI Fuses


Object Number: 589213  Size: FS
Power and Grounding Components
Radio, HVAC, RFA, Cluster, Cel Tel, BCM Power, INADV Power Bus, Radio PRM Sound, and Cigar Lighter/Data Link Fuses
Low Blower, Cruise, and HVAC Fuses
Figure 14:

Radio, HVAC, RFA, Cluster, Cel Tel, BCM Power, INADV Power Bus, Radio PRM Sound, and Cigar Lighter/Data Link Fuses


Object Number: 589215  Size: FS
Power and Grounding Components
High Blower, Hazard, Stoplamps, Door Locks, Power Mirrors, and Heated Seats Fuses
ABS and BTSI Fuses
Figure 15:

High Blower, Hazard, Stoplamps, Door Locks, Power Mirrors, and Heated Seats Fuses


Object Number: 589216  Size: FS
Power and Grounding Components
Front Park Lamps, Tail Lamps, License Lamps, and Panel Dimming Fuses
Radio, HVAC, RFA, Cluster, Cel Tel, BCM Power, INADV Power Bus, Radio PRM Sound, and Cigar Lighter/Data Link Fuses
Figure 16:

Front Park Lamps, Tail Lamps, License Lamps, and Panel Dimming Fuses


Object Number: 589217  Size: FS
Power and Grounding Components
Wiper Fuse, BCM ACC, Power Drop, Radio and Steering Wheel Cont Fuses
High Blower, Hazard, Stoplamps, Door Locks, Power Mirrors, and Heated Seats Fuses
Battery, UAWJB, Fuse Block, Headlamp Switch, Parklamp and Headlamp Relay
Figure 17:

Wiper Fuse, BCM ACC, Power Drop, Radio and Steering Wheel Cont Fuses


Object Number: 589218  Size: FS
Power and Grounding Components
Power Windows, Power Sunroof, Rear Defogger, and Power Seats Circuit Breakers
Front Park Lamps, Tail Lamps, License Lamps, and Panel Dimming Fuses
Figure 18:

Power Windows, Power Sunroof, Rear Defogger, and Power Seats Circuit Breakers


Object Number: 589220  Size: FS
Power and Grounding Components
Wiper Fuse, BCM ACC, Power Drop, Radio and Steering Wheel Cont Fuses
G203
Serial Data, Steering Column Lock And Ignition Key Cylinder, ElECTRonic Traction Control Switch and Tire Inflation Reset Switch