GM Service Manual Online
For 1990-2009 cars only
Makes
🢒
Buick
🢒
2005
🢒
Century
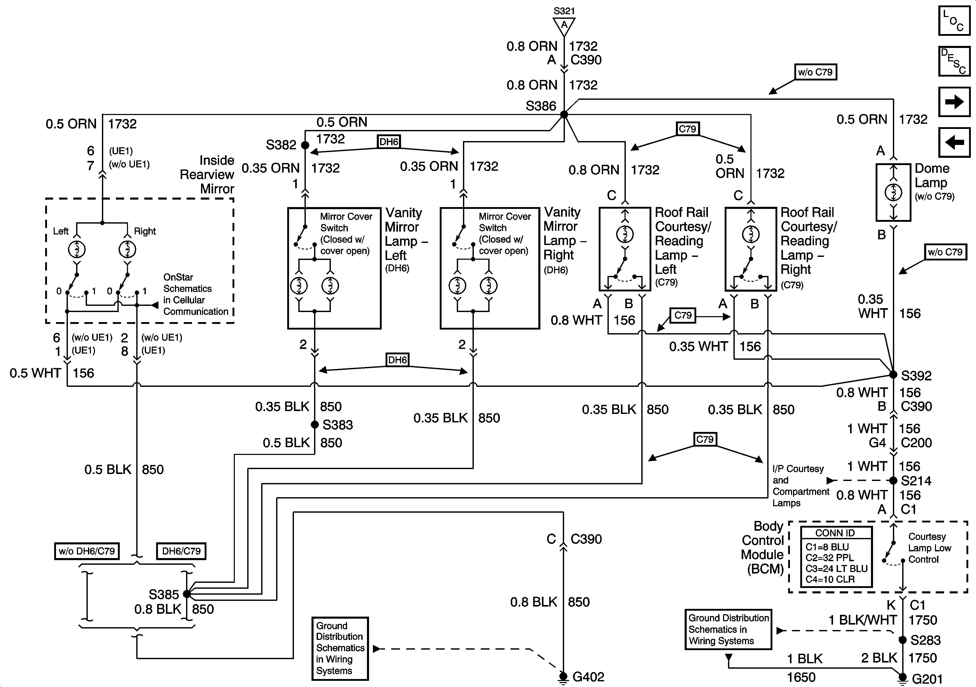
🢒 Mirror, Dome, and Courtesy/Reading Lamps
Mirror, Dome, and Courtesy/Reading Lamps
Mirror, Dome and Courtesy/Reading Lamps
Master Electrical Component List
Interior Lighting Systems Description and Operation
Rear Compartment Courtesy Lamp
I/P Courtesy and Compartment Lamps
I/P Courtesy and Compartment Lamps
Inputs and Outputs
I/P Courtesy and Compartment Lamps
G402, Page 1 of 2
G201