GM Service Manual Online
For 1990-2009 cars only
Makes
🢒
Buick
🢒
2005
🢒
Century
🢒 Inputs and Outputs
Inputs and Outputs
Inputs and Outputs
Master Electrical Component List
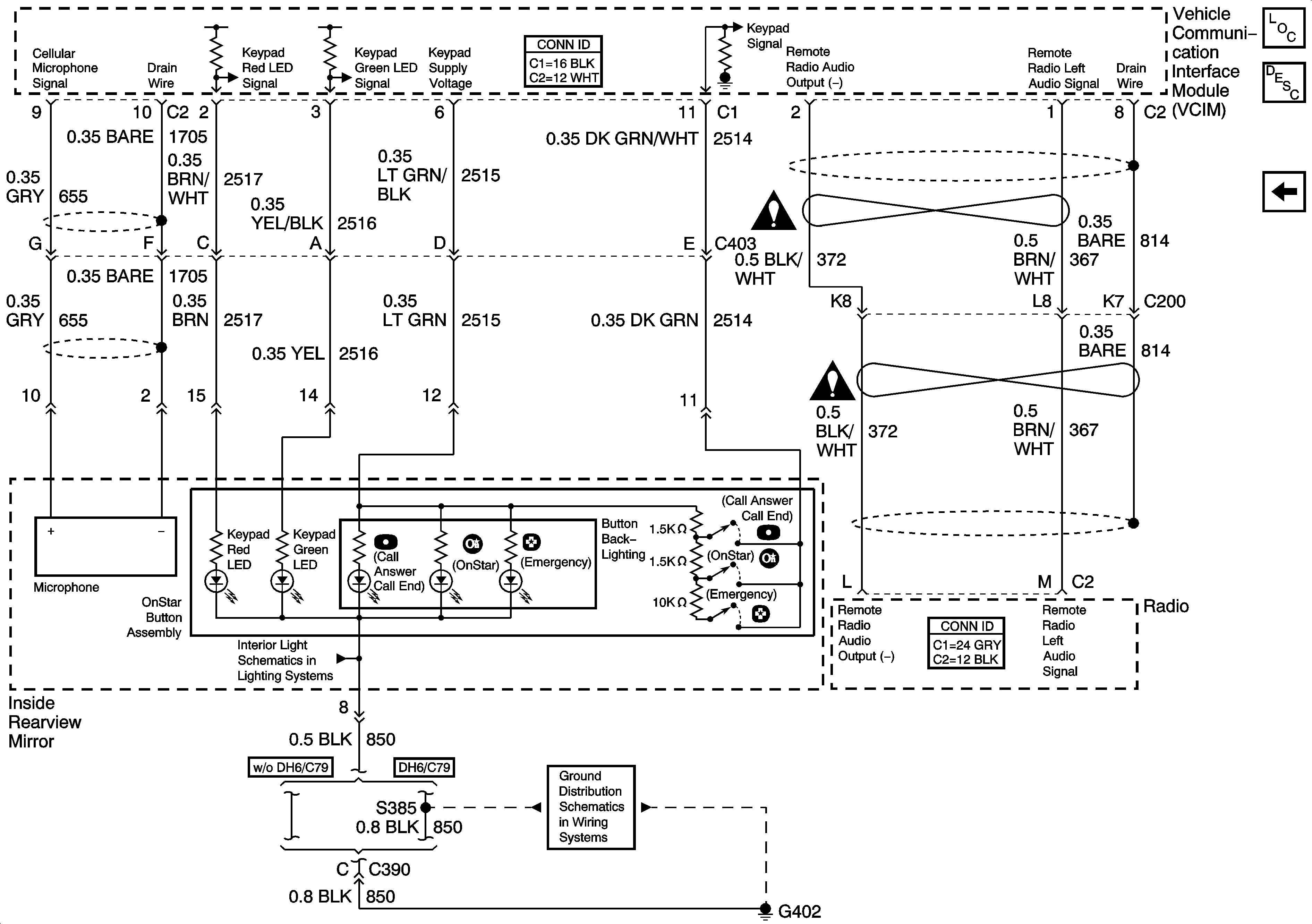
OnStar Description and Operation
Power, Ground, DLC, and Antennas
Cellular Communication Schematic Icons
Cellular Communication Schematic Icons
Mirror, Dome, and Courtesy/Reading Lamps
G402, Page 1 of 2