GM Service Manual Online
For 1990-2009 cars only
Figure 1:

Module Power, Ground, Serial Data, and MIL


Object Number: 1413098  Size: FS
Master Electrical Component List
Powertrain Control Module Description
Control Module References
5 Volt and Low Reference
OBD II Symbol Description Notice
Ignition Switch
Ignition Switch
G101, G102, G103, G111, G112, and G113
Fuse Block - Underhood B+ Bus
Fuse Block - Underhood ABS, TRANS SOL, PCM, SIR, and DISPLAY Fuses, CRANK Relay, and Fuse Block - I/P CRUISE SW Fuse
Fuse Block - Underhood B+ Bus
G101, G102, G103, G111, G112, and G113
L26
Figure 2:

5-Volt and Low Reference


Object Number: 1413101  Size: FS
Master Electrical Component List
Powertrain Control Module Description
Control Module References
Pressure and Temperature Sensors
Module Power, Ground, Serial Data, and MIL
OBD II Symbol Description Notice
Figure 3:

Pressure and Temperature Sensors


Object Number: 1413103  Size: FS
Master Electrical Component List
Exhaust Gas Recirculation (EGR) System Description
Control Module References
MAF, VSS
5 Volt and Low Reference
OBD II Symbol Description Notice
Figure 4:

MAF, VSS


Object Number: 1413104  Size: FS
Master Electrical Component List
Exhaust Gas Recirculation (EGR) System Description
Control Module References
Oxygen Sensors
Pressure and Temperature Sensors
OBD II Symbol Description Notice
Fuse Block - Underhood B+ Bus
Fuse Block - Underhood ETC, ELEK IGN (L26), FUEL INJ (L26), 02 SSR (L26), and EMISSION Fuses
Fuse Block - Underhood ETC, ELEK IGN (L26), FUEL INJ (L26), 02 SSR (L26), and EMISSION Fuses
PC Solenoid Valve, Fluid Pressure Manual Valve Position Switch, ISS and VSS Sensors (L26)
G101, G102, G103, G111, G112, and G113
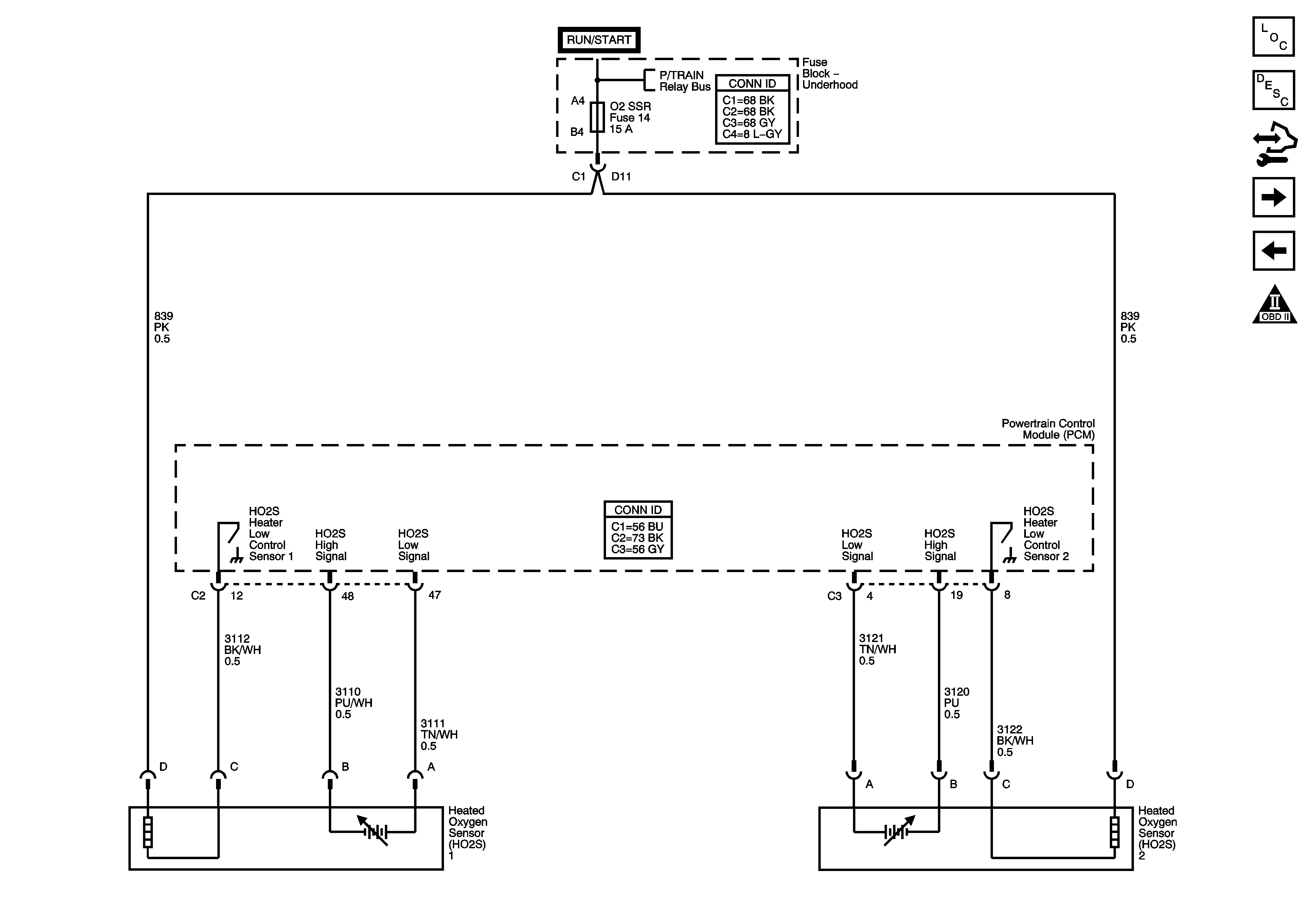
Figure 5:

Oxygen Sensors


Object Number: 1413105  Size: FS
Master Electrical Component List
Powertrain Control Module Description
Control Module References
Electronic Throttle Controls
MAF, VSS
OBD II Symbol Description Notice
Fuse Block - Underhood B+ Bus
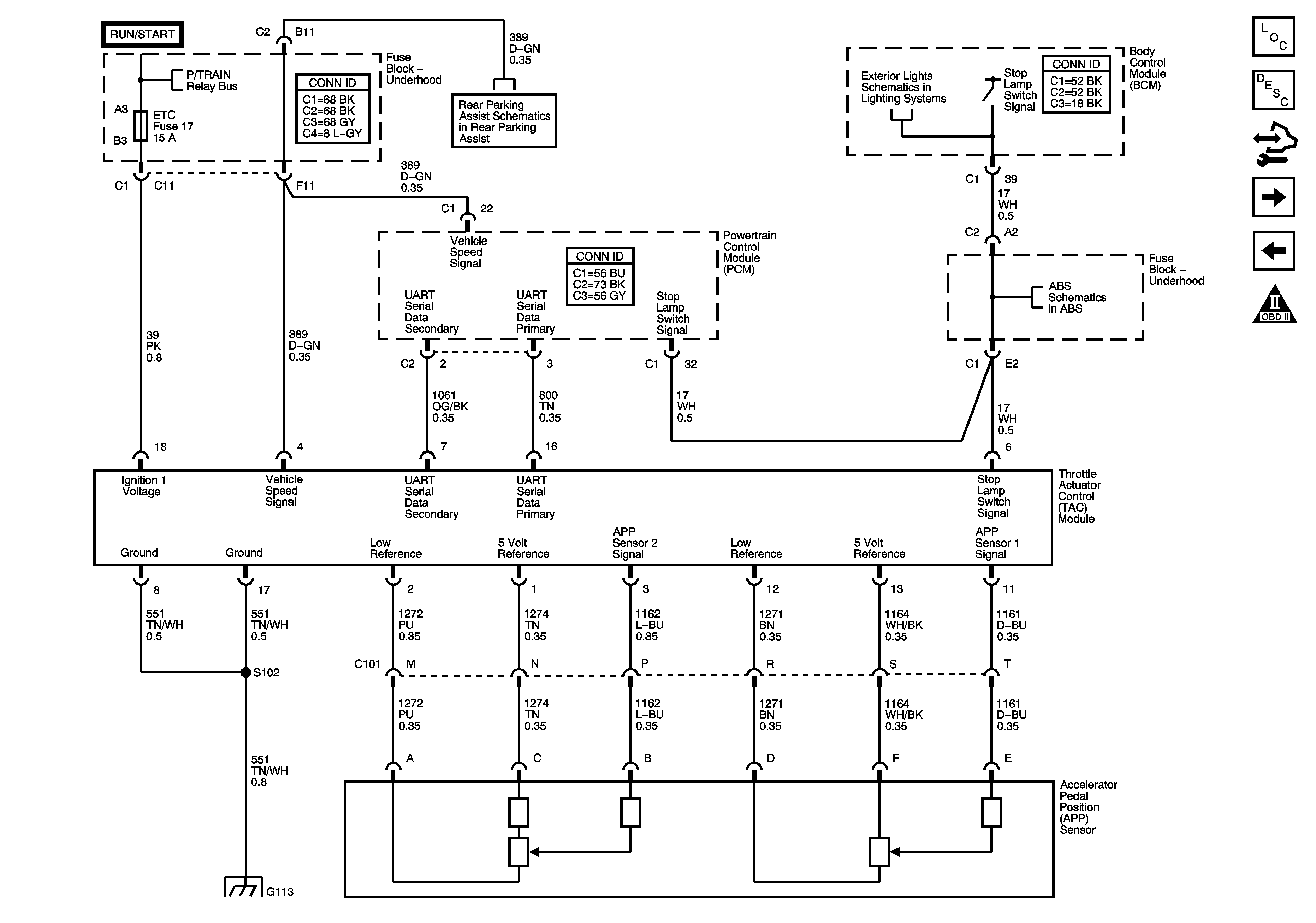
Figure 6:

Electronic Throttle Controls


Object Number: 1413106  Size: FS
Master Electrical Component List
Throttle Actuator Control (TAC) System Description
Control Module References
Ignition Controls
Oxygen Sensors
OBD II Symbol Description Notice
Fuse Block - Underhood B+ Bus
Rear Parking Assist Schematics
G101, G102, G103, G111, G112, and G113
Figure 7:

Ignition Controls


Object Number: 1413107  Size: FS
Master Electrical Component List
Electronic Ignition (EI) System Description
Control Module References
Fuel Pump Controls
Electronic Throttle Controls
OBD II Symbol Description Notice
Fuse Block - Underhood B+ Bus
Indicators, Stop Lamp, Traction Controls, and Serial Data
G101, G102, G103, G111, G112, and G113
Figure 8:

Fuel Pump Controls


Object Number: 1413108  Size: FS
Master Electrical Component List
Fuel System Description
Control Module References
Fuel Injectors
Ignition Controls
OBD II Symbol Description Notice
Fuse Block - Underhood B+ Bus
G101, G102, G103, G111, G112, and G113
Power, Ground, Serial Data, and Gages (L26)
G302
G101, G102, G103, G111, G112, and G113
Figure 9:

Fuel Injectors


Object Number: 1413109  Size: FS
Master Electrical Component List
Fuel System Description
Control Module References
EVAP, EGR, and FTP Controls
Fuel Pump Controls
OBD II Symbol Description Notice
Fuse Block - Underhood B+ Bus
Figure 10:

EVAP, EGR, and FTP Controls


Object Number: 1413110  Size: FS
Master Electrical Component List
Evaporative Emission Control System Description
Control Module References
AIR Controls (NU3)
Fuel Injectors
OBD II Symbol Description Notice
Power, Ground, Serial Data, and Gages (L26)
Fuse Block - Underhood BATT MAIN 1 Fuse, Fuse Block - I/P PK LAMPS, DISPLAYS, CHMSL/BKUP, INT LIGHT, RFA/MOD, RADIO/AMP, ONSTAR/ALDL, HVAC, and CANISTER Fuses and PK LP Relay
Fuse Block - Underhood B+ Bus
Fuse Block - Underhood ETC, ELEK IGN (L26), FUEL INJ (L26), 02 SSR (L26), and EMISSION Fuses
Fuse Block - Underhood ETC, ELEK IGN (L26), FUEL INJ (L26), 02 SSR (L26), and EMISSION Fuses
Figure 11:

AIR Controls (NU3)


Object Number: 1413111  Size: FS
Master Electrical Component List
Secondary Air Injection System Description
Control Module References
Controlled/Monitored Subsystem References
EVAP, EGR, and FTP Controls
OBD II Symbol Description Notice
Fuse Block - Underhood ETC, ELEK IGN (L26), FUEL INJ (L26), 02 SSR (L26), and EMISSION Fuses
Fuse Block - Underhood B+ Bus
G101, G102, G103, G111, G112, and G113
G115 (L26)
Figure 12:

Controlled/Monitored Subsystem References


Object Number: 1413113  Size: FS
Master Electrical Component List
Powertrain Control Module Description
Control Module References
A/T Control References
AIR Controls (NU3)
OBD II Symbol Description Notice
Compressor Controls and Serial Data (L26)
Compressor Controls and Serial Data
Engine Cooling Schematics
Starting - L26
Charging
Ambient Air Temperature Sensor, Electronic Compass Module, and Oil Level Switch
Indicators (U2E)
Indicators (UH8)
L26
Figure 13:

A/T Control References


Object Number: 1413114  Size: FS
Master Electrical Component List
Powertrain Control Module Description
Control Module References
Controlled/Monitored Subsystem References
OBD II Symbol Description Notice
Shift and TCC Solenoid Valves, TFT Sensor, and Stop Lamp Switch (L26)
Internal Mode Switch (L26)
PC Solenoid Valve, Fluid Pressure Manual Valve Position Switch, ISS and VSS Sensors (L26)