GM Service Manual Online
For 1990-2009 cars only
Figure 1:

Power, Ground, and Brake Pressure Modulator Valves


Object Number: 1454687  Size: FS
Master Electrical Component List
ABS Description and Operation
Control Module References
Indicators, Stop Lamp, Traction Controls, and Serial Data
Fuse Block - Underhood B+ Bus
Fuse Block - Underhood ABS, TRANS SOL, PCM, SIR, and DISPLAY Fuses, CRANK Relay, and Fuse Block - I/P CRUISE SW Fuse
Steering Controls Schematics
G115 (L26)
G115 (LY7)
Figure 2:

Indicators, Stop Lamp, Traction Controls, and Serial Data


Object Number: 1454692  Size: FS
Master Electrical Component List
ABS Description and Operation
Control Module References
Active Brake and Stability Controls (JL4)
Power, Ground, and Brake Pressure Modulator Valves
Turn Signal, Hazard, and Stop Lamps Outputs
Exterior Lights and Interior Lights References
MAF, VSS and Stop Lamp Switch
Electronic Throttle Controls
Shift and TCC Solenoid Valves, TFT Sensor, and Stop Lamp Switch (LY7)
Driver Information System Schematics
I/P, Console, and Driver Door Lighting
LY7
L26
G202
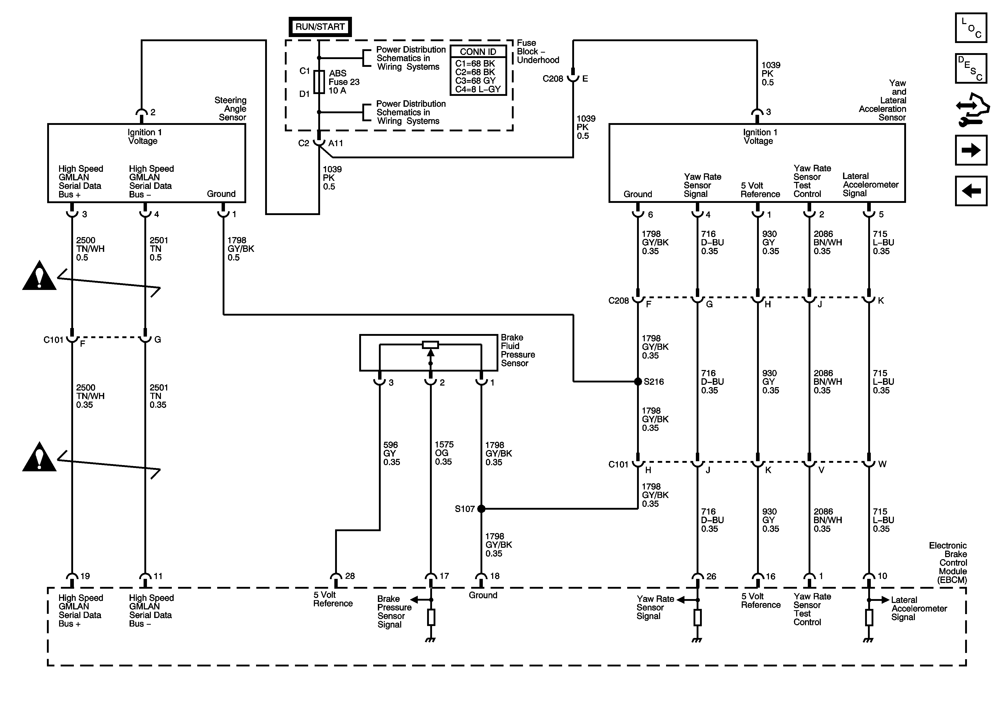
Figure 3:

Active Brake and Stability Controls (JL4)


Object Number: 1454695  Size: FS
Master Electrical Component List
ABS Description and Operation
Control Module References
Wheel Speed Sensors
Indicators, Stop Lamp, Traction Controls, and Serial Data
Fuse Block - Underhood B+ Bus
Fuse Block - Underhood ABS, TRANS SOL, PCM, SIR, and DISPLAY Fuses, CRANK Relay, and Fuse Block - I/P CRUISE SW Fuse
Antilock Brake System Schematic Icons
Antilock Brake System Schematic Icons
Figure 4:

Wheel Speed Sensors


Object Number: 1454697  Size: FS
Master Electrical Component List
ABS Description and Operation
Control Module References
Active Brake and Stability Controls (JL4)
Antilock Brake System Schematic Icons
Antilock Brake System Schematic Icons
Antilock Brake System Schematic Icons
Antilock Brake System Schematic Icons
Antilock Brake System Schematic Icons
Antilock Brake System Schematic Icons
Antilock Brake System Schematic Icons
Antilock Brake System Schematic Icons
Antilock Brake System Schematic Icons
Antilock Brake System Schematic Icons