GM Service Manual Online
For 1990-2009 cars only
Figure 1:

TCM Power, Ground, and Serial Data (LY7)


Object Number: 1428571  Size: FS
Master Electrical Component List
Transmission Component and System Description
Control Module References
Shift and TCC Solenoid Valves, TFT Sensor, and Stop Lamp Switch (LY7)
OBD II Symbol Description Notice
Ignition Switch
Fuse Block - Underhood B+ Bus
Ignition Switch
Shift and TCC Solenoid Valves, TFT Sensor, and Stop Lamp Switch (LY7)
LY7
G115 (LY7)
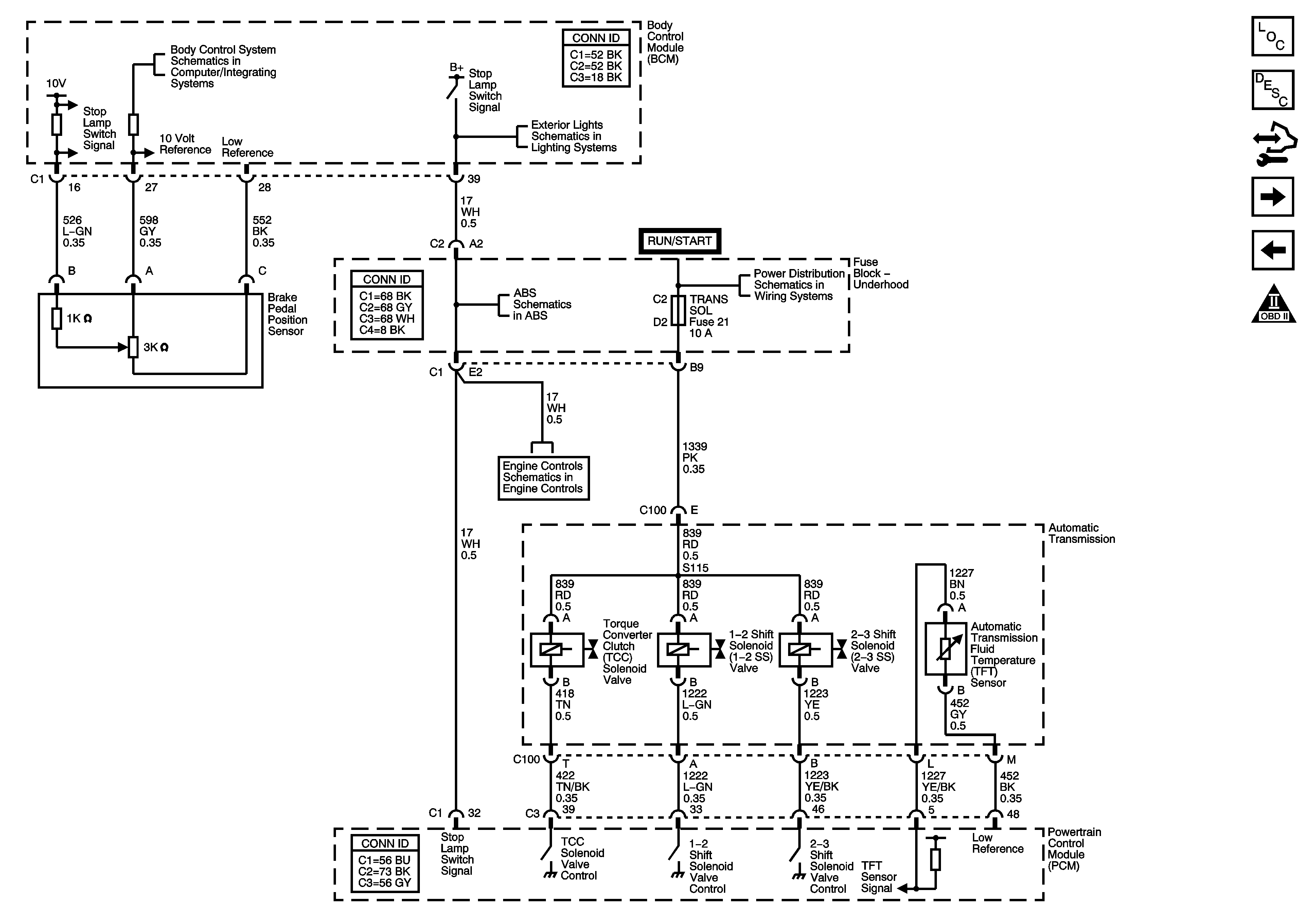
Figure 2:

Shift and TCC Solenoid Valves, TFT Sensor, and Stop Lamp Switch (LY7)


Object Number: 1428573  Size: FS
Master Electrical Component List
Transmission Component and System Description
Control Module References
PC Solenoid Valve, Fluid Pressure Manual Valve Position Switch, ISS and VSS Sensors (LY7)
TCM Power, Ground, and Serial Data (LY7)
OBD II Symbol Description Notice
Exterior Lights and Interior Lights References
Turn Signal, Hazard, and Stop Lamps Outputs
TCM Power, Ground, and Serial Data (LY7)
MAF, VSS and Stop Lamp Switch
Indicators, Stop Lamp, Traction Controls, and Serial Data
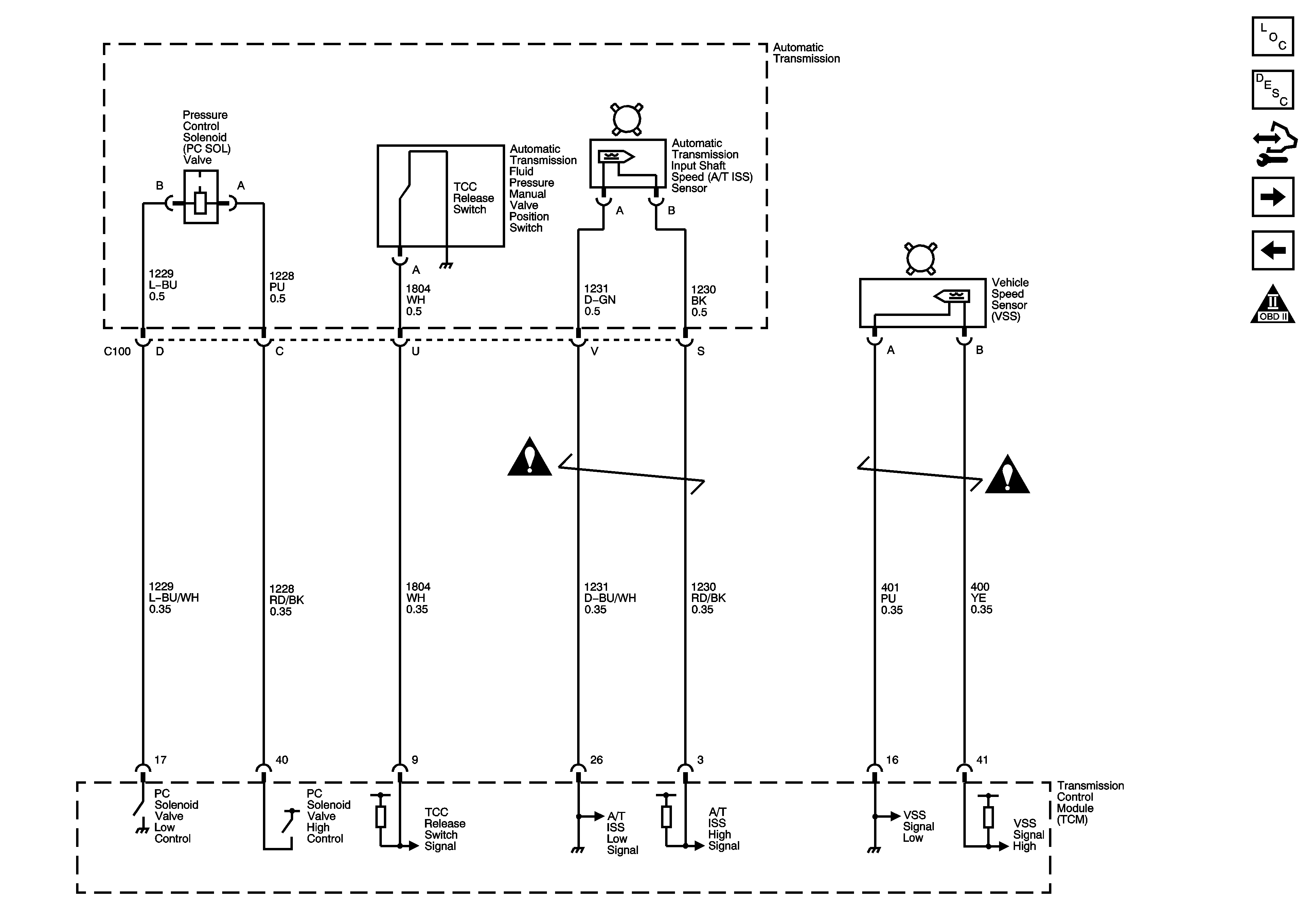
Figure 3:

PC Solenoid Valve, Fluid Pressure Manual Valve Position Switch, ISS and VSS Sensors (LY7)


Object Number: 1428638  Size: FS
Master Electrical Component List
Transmission Component and System Description
Control Module References
Internal Mode Switch (LY7)
Shift and TCC Solenoid Valves, TFT Sensor, and Stop Lamp Switch (LY7)
OBD II Symbol Description Notice
Automatic Transmission Schematic Icons
Automatic Transmission Schematic Icons
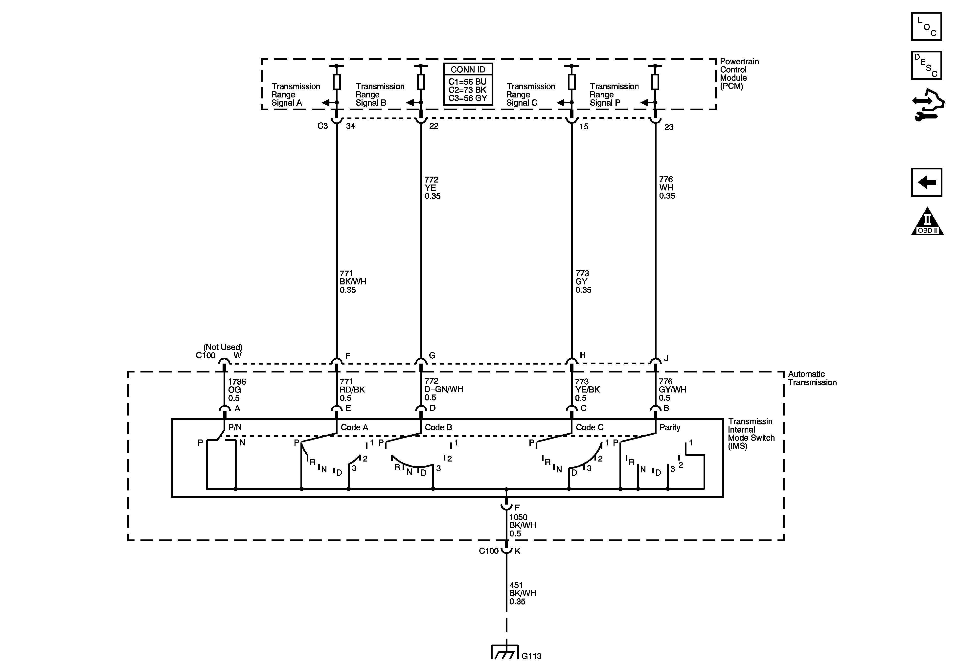
Figure 4:

Internal Mode Switch (LY7)


Object Number: 1428640  Size: FS
Master Electrical Component List
Transmission Component and System Description
Control Module References
Shift and TCC Solenoid Valves, TFT Sensor, and Stop Lamp Switch (L26)
PC Solenoid Valve, Fluid Pressure Manual Valve Position Switch, ISS and VSS Sensors (LY7)
OBD II Symbol Description Notice
G115 (LY7)
Figure 5:

Shift and TCC Solenoid Valves, TFT Sensor, and Stop Lamp Switch (L26)


Object Number: 1428642  Size: FS
Master Electrical Component List
Transmission Component and System Description
Control Module References
PC Solenoid Valve, Fluid Pressure Manual Valve Position Switch, ISS and VSS Sensors (L26)
Internal Mode Switch (LY7)
OBD II Symbol Description Notice
Exterior Lights and Interior Lights References
Turn Signal, Hazard, and Stop Lamps Outputs
Indicators, Stop Lamp, Traction Controls, and Serial Data
Fuse Block - Underhood B+ Bus
Electronic Throttle Controls
Figure 6:

PC Solenoid Valve, Fluid Pressure Manual Valve Position Switch, ISS and VSS Sensors (L26)


Object Number: 1428644  Size: FS
Master Electrical Component List
Transmission Component and System Description
Control Module References
Internal Mode Switch (L26)
Shift and TCC Solenoid Valves, TFT Sensor, and Stop Lamp Switch (L26)
OBD II Symbol Description Notice
Automatic Transmission Schematic Icons
Automatic Transmission Schematic Icons
Figure 7:

Internal Mode Switch (L26)


Object Number: 1428645  Size: FS
Master Electrical Component List
Transmission Component and System Description
Control Module References
PC Solenoid Valve, Fluid Pressure Manual Valve Position Switch, ISS and VSS Sensors (L26)
OBD II Symbol Description Notice
G101, G102, G103, G111, G112, and G113