GM Service Manual Online
For 1990-2009 cars only
Makes
🢒
Buick
🢒
2007
🢒
LaCrosse
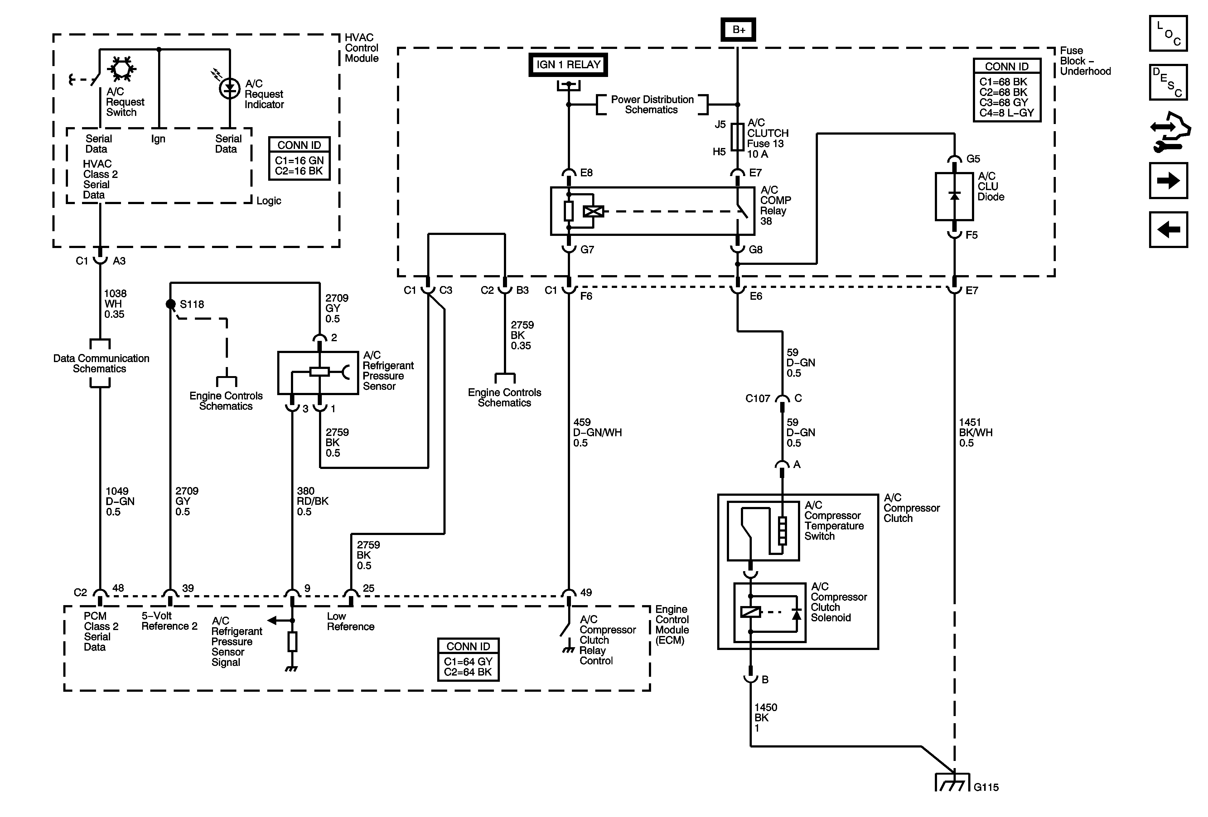
🢒 Compressor Controls and Serial Data (LY7)
Compressor Controls and Serial Data (LY7)
Compressor Controls and Serial Data (LY7)
Master Electrical Component List
Air Delivery Description and Operation
Control Module References
Mode and Air Temperature Controls
Compressor Controls and Serial Data (L26)
Fuse Block-Underhood B+ Bus
Fuse Block-Underhood B+ Bus
Data Link Connector (DLC) Schematics LY7
5 Volt and Low Reference page 1 of 2
5 Volt and Low Reference page 1 of 2
G115 (LY7)