GM Service Manual Online
For 1990-2009 cars only
Makes
🢒
Buick
🢒
2007
🢒
LaCrosse
🢒 Power, Ground and Blower Controls
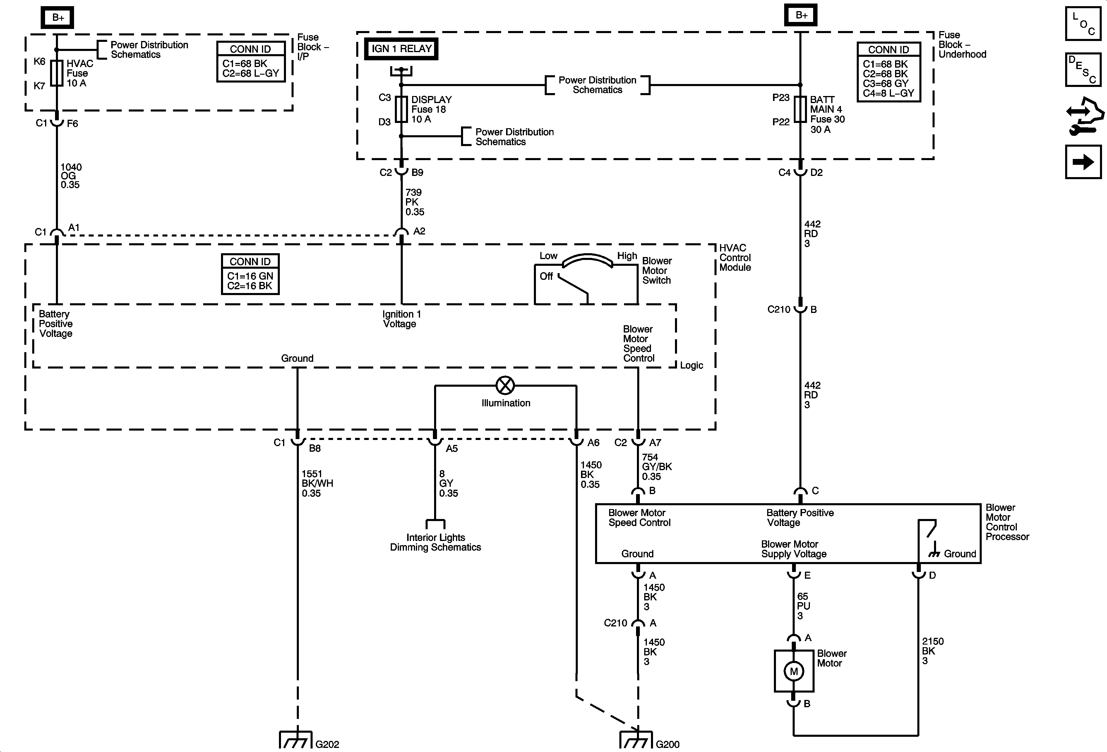
Power, Ground and Blower Controls
Power, Ground, and Blower Controls
Master Electrical Component List
Air Delivery Description and Operation
Control Module References
Compress Controls and Serial Data (L26)
Fuse Block - Underhood BATT MAIN 1 Fuse
Fuse Block-Underhood B+ Bus
Fuse Block-Underhood B+ Bus
Fuse Block - Underhood ABS, TRANS SOL, PCM, SIR, and DIPSLAY Fuses, CRANK Relay, and Fuse Block - I/P CRUISE SW Fuse
I/P, Console, and Driver Door Lighting
G202
G200