GM Service Manual Online
For 1990-2009 cars only
Makes
🢒
Buick
🢒
2007
🢒
LaCrosse
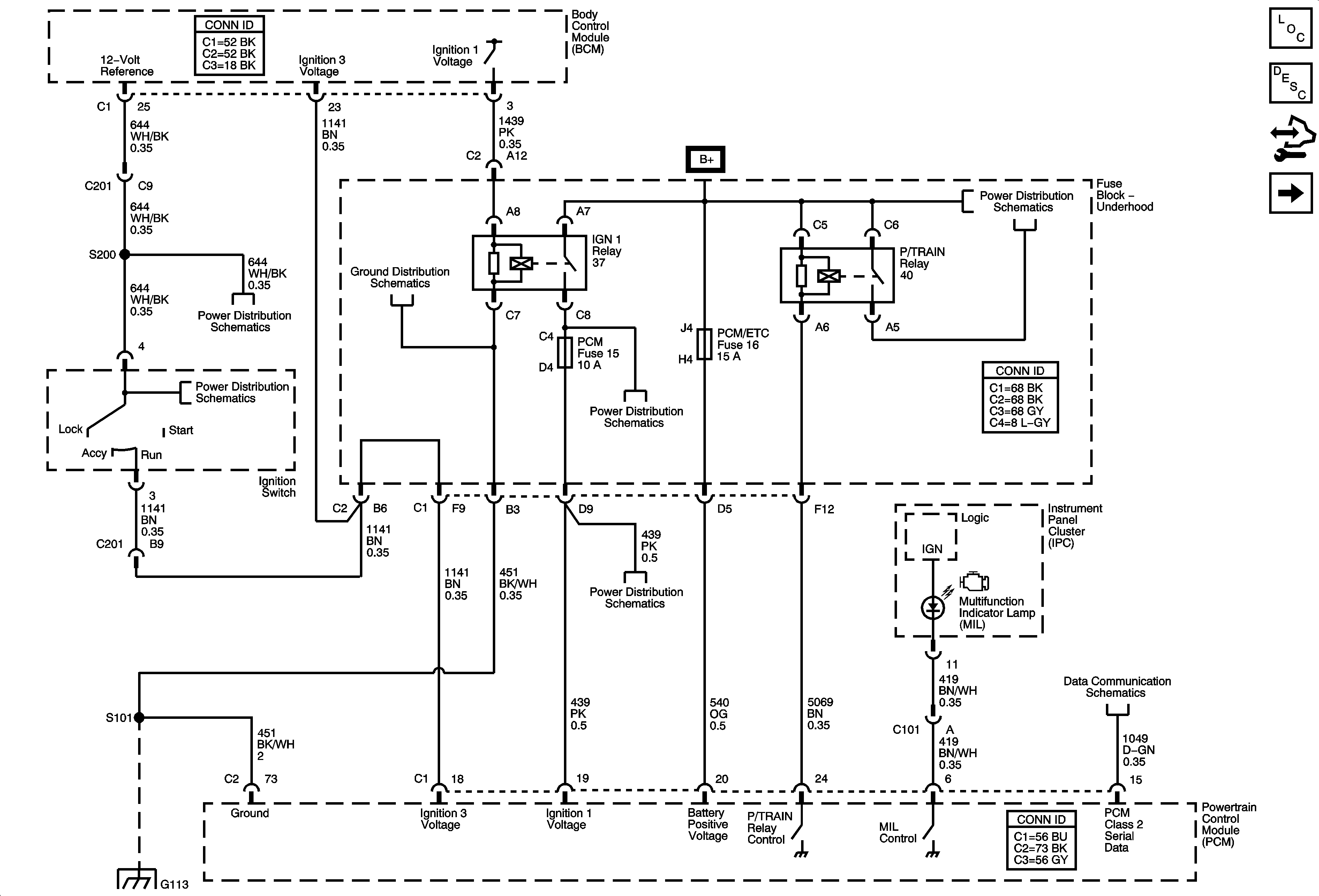
🢒 Module Power, Ground, Serial Data, and MIL
Module Power, Ground, Serial Data, and MIL
Module Power, Ground, Serial Data, and MIL
Master Electrical Component List
Powertrain Control Module Description
Control Module References
5 Volt and Low Reference
Fuse Block-Underhood B+ Bus
G101, G102, G103, G111, G112, and G113
Ignition Switch
Ignition Switch
Fuse Block-Underhood B+ Bus
Fuse Block - Underhood ABS, TRANS SOL, PCM, SIR, and DIPSLAY Fuses, CRANK Relay, and Fuse Block - I/P CRUISE SW Fuse
Data Link Connector Schematics L26
G101, G102, G103, G111, G112, and G113