GM Service Manual Online
For 1990-2009 cars only
Makes
🢒
Buick
🢒
2007
🢒
LaCrosse
🢒 Seat Belts Schematics
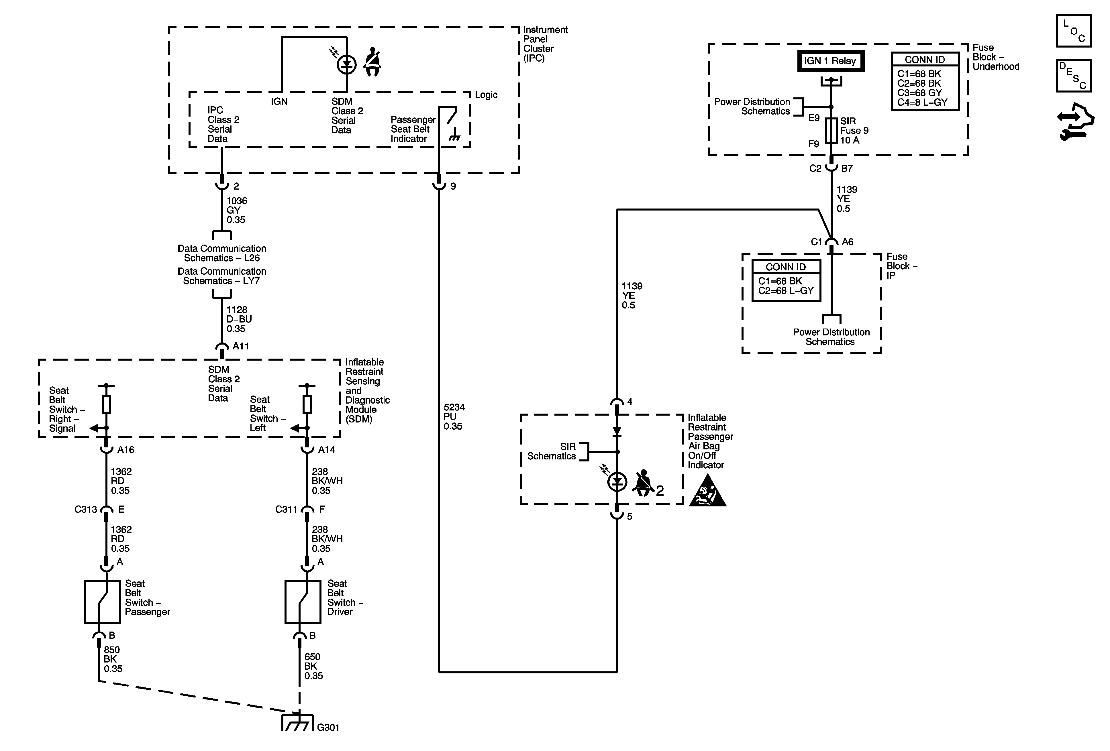
Seat Belts Schematics
Master Electrical Component List
Seat Belt System Description and Operation
Control Module References
Fuse Block-Underhood B+ Bus
Fuse Block-Underhood B+ Bus
Data Link Connector Schematics L26
Data Link Connector (DLC) Schematics LY7
Fuse Block - Underhood ABS, TRANS SOL, PCM, SIR, and DIPSLAY Fuses, CRANK Relay, and Fuse Block - I/P CRUISE SW Fuse
Passenger Presence System
Seat Belt Schematic Icons
G301