GM Service Manual Online
For 1990-2009 cars only
Makes
🢒
Buick
🢒
2007
🢒
LaCrosse
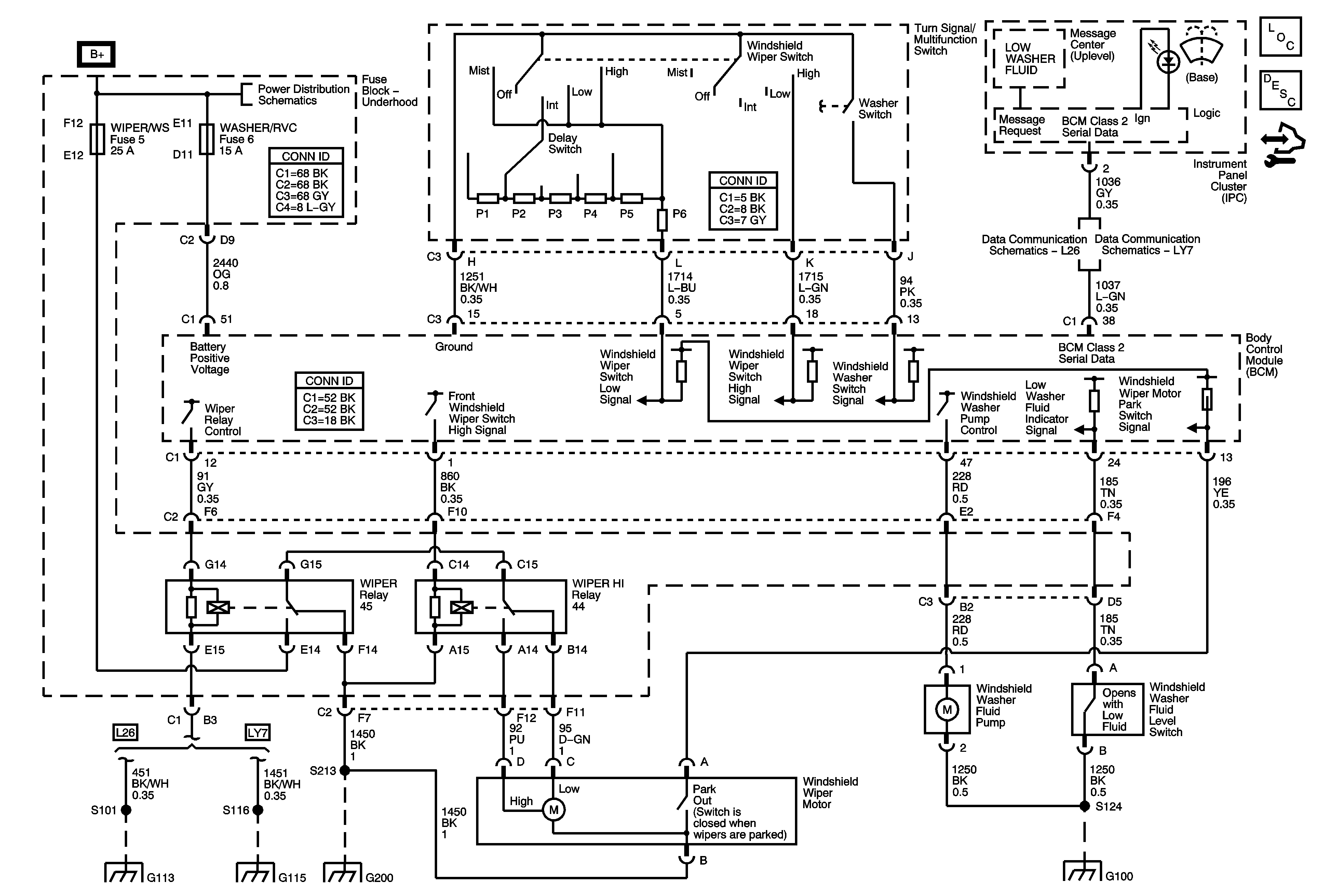
🢒 Wiper/Washer Schematics
Wiper/Washer Schematics
Master Electrical Component List
Wiper/Washer System Description and Operation
Control Module References
Fuse Block-Underhood B+ Bus
Data Link Connector Schematics L26
Data Link Connector (DLC) Schematics LY7
G101, G102, G103, G111, G112, and G113
G115 (LY7)
G200
07 Ground Distribution G100