GM Service Manual Online
For 1990-2009 cars only
Makes
🢒
Buick
🢒
1999
🢒
LeSabre
🢒
Body and Accessories
🢒
Keyless Entry
🢒 Keyless Entry Schematics
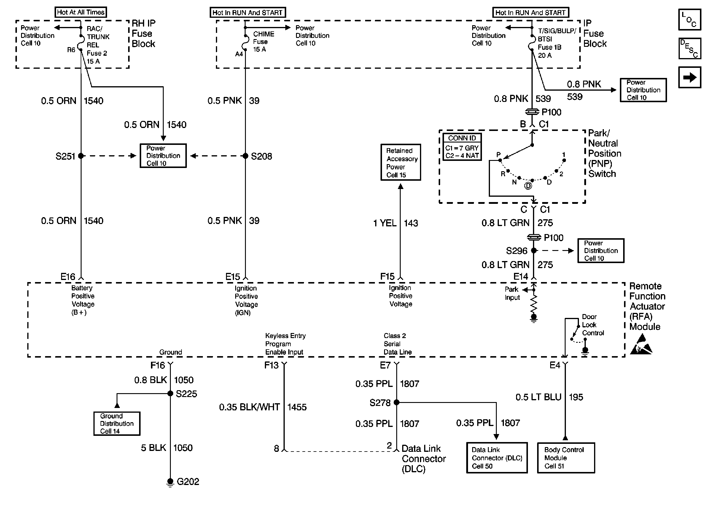
Cell 132: RFA Power, Ground and DLC
Keyless Entry Components
Keyless Entry System Circuit Description
Cell 132: RFA Inputs and Outputs
Handling ESD Sensitive Parts Notice
Power Distribution Schematics
Power Distribution Schematics
Power Distribution Schematics
Power Distribution Schematics
Power Distribution Schematics
Cell 15: Door Jamb Switches
Power Distribution Schematics
Ground Distribution Schematics
Cell 50: Data Link Connector (DLC)
Cell 130: Door Locks With Keyless Entry - Pontiac With UA6
Cell 132: RFA Inputs and Outputs
Keyless Entry Components
Keyless Entry System Circuit Description
Cell 132: RFA Power, Ground and DLC
Handling ESD Sensitive Parts Notice
Cell 40: Horns
Cell 134
Cell 141: Power, RFA and Memory Seat/Mirror Module
Exterior Lights Schematics Buick
Cell 76: LH Front Door Jamb Switch
Cell 76: LH Front Door Jamb Switch
Interior Lights Schematics Buick
Exterior Lights Schematics Buick
Cell 15: Door Jamb Switches
Cell 133: Content Theft Deterrent System (CTD) - UA6
Exterior Lights Schematics Buick