GM Service Manual Online
For 1990-2009 cars only
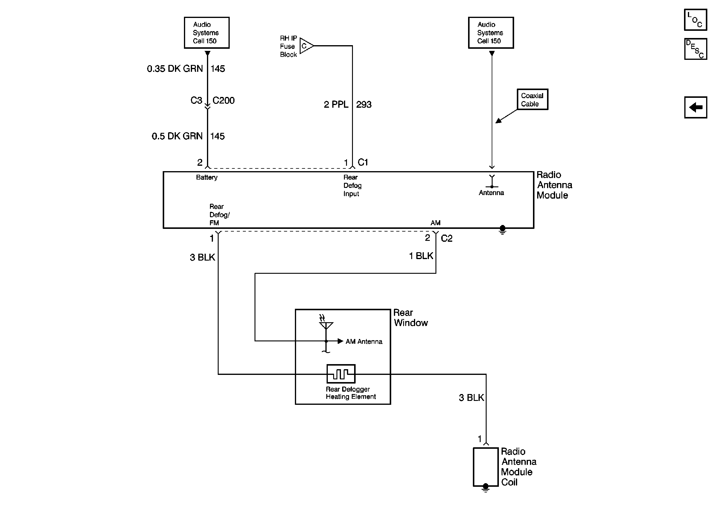
Figure 1:

Cell 61: Rear Defogger Relay


Object Number: 375202  Size: FS
Stationary Windows Components
Cell 61: Rear Defogger Switch
Rear Window Defogger Description
Cell 61: Rear Defogger
Handling ESD Sensitive Parts Notice
Handling ESD Sensitive Parts Notice
Power Distribution Schematics
Power Distribution Schematics
Ground Distribution Schematics
Ground Distribution Schematics
Outside Rearview Mirror Schematics
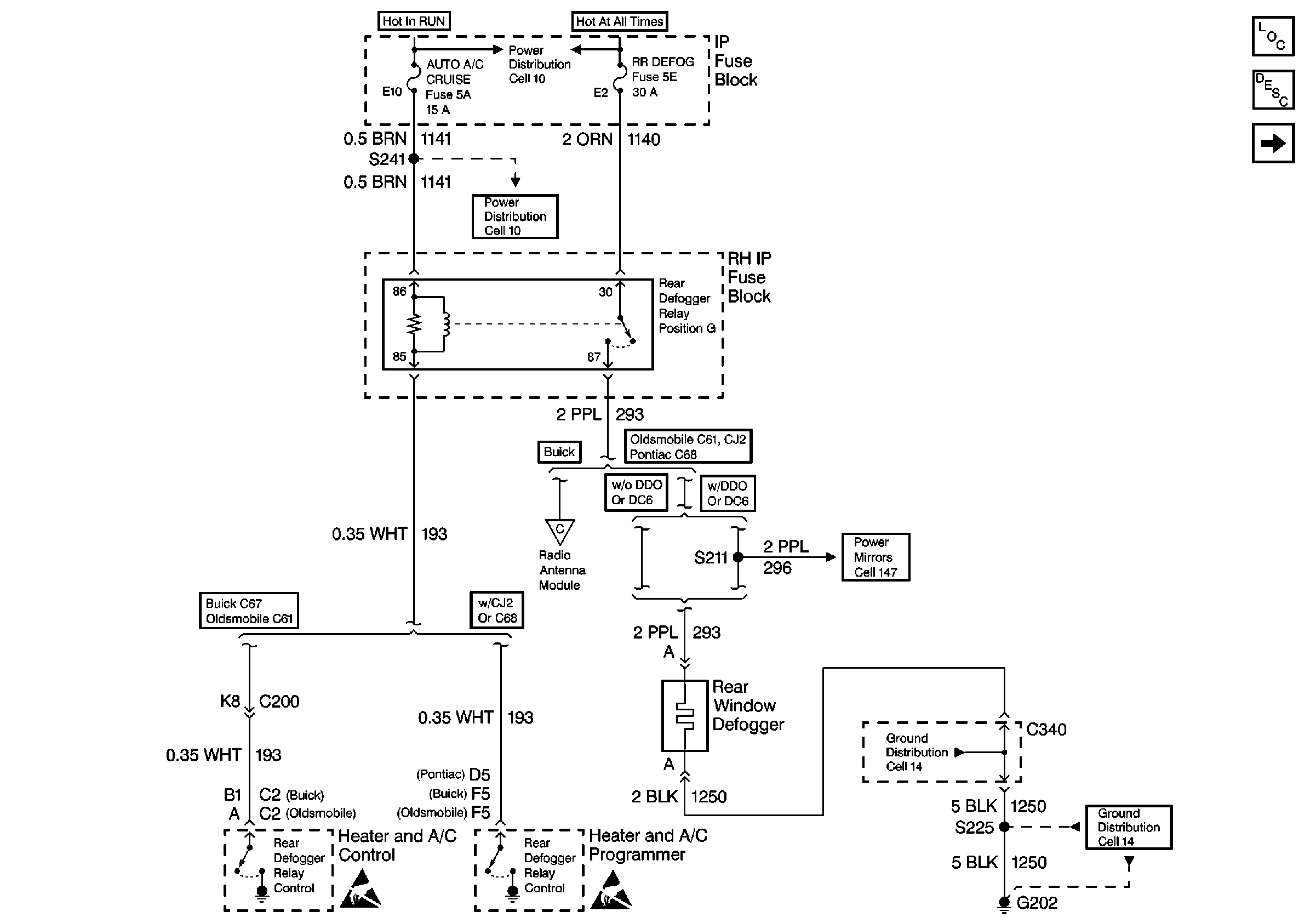
Figure 2:

Cell 61: Rear Defogger Switch


Object Number: 375203  Size: FS
Stationary Windows Components
Cell 61: Rear Defogger Relay
Rear Window Defogger Description
Cell 61: Rear Defogger
Handling ESD Sensitive Parts Notice
Power Distribution Schematics
Power Distribution Schematics
Ground Distribution Schematics
Ground Distribution Schematics
Ground Distribution Schematics
Outside Rearview Mirror Schematics
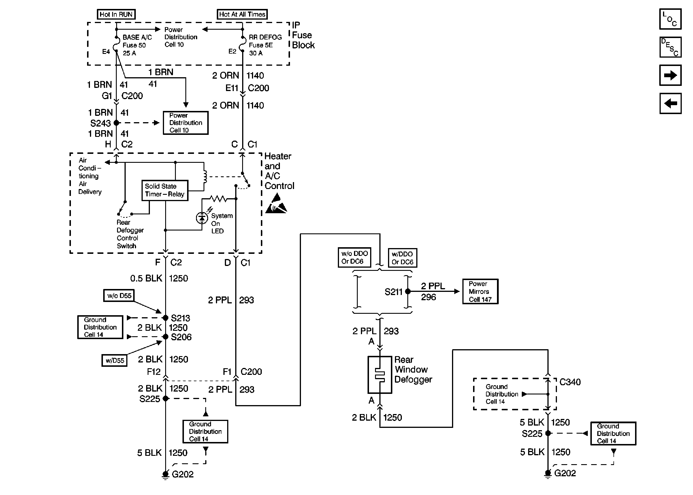
Figure 3:

Cell 61: Rear Defogger


Object Number: 375204  Size: FS
Stationary Windows Components
Rear Window Defogger Description
Cell 61: Rear Defogger Switch
Cell 61: Rear Defogger Relay
Radio/Audio System Schematics
Radio/Audio System Schematics