GM Service Manual Online
For 1990-2009 cars only
Makes
🢒
Buick
🢒
2001
🢒
LeSabre
🢒 Sensors
Sensors
Sensors
Master Electrical Component List
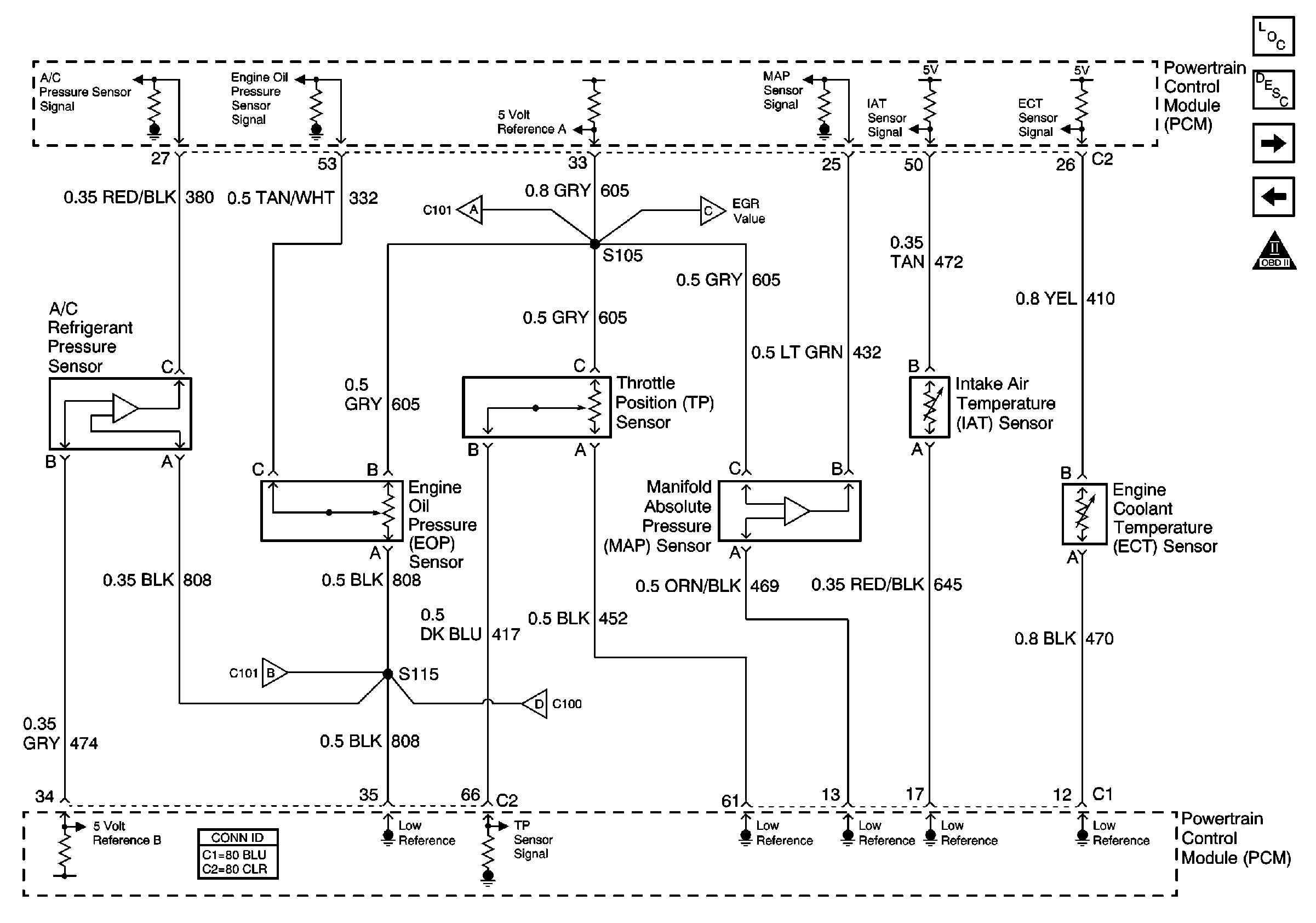
Powertrain Control Module Description
Fuel Tank Pressure Sensor and EVAP Vent Valve
Transaxle Solenoids and ABS/TCC Switch
OBD II Symbol Description Notice
Fuel Tank Pressure Sensor and EVAP Vent Valve
EGR and EVAP Purge Valve
Fuel Tank Pressure Sensor and EVAP Vent Valve
Transaxle Sensors