GM Service Manual Online
For 1990-2009 cars only
Makes
🢒
Buick
🢒
2001
🢒
LeSabre
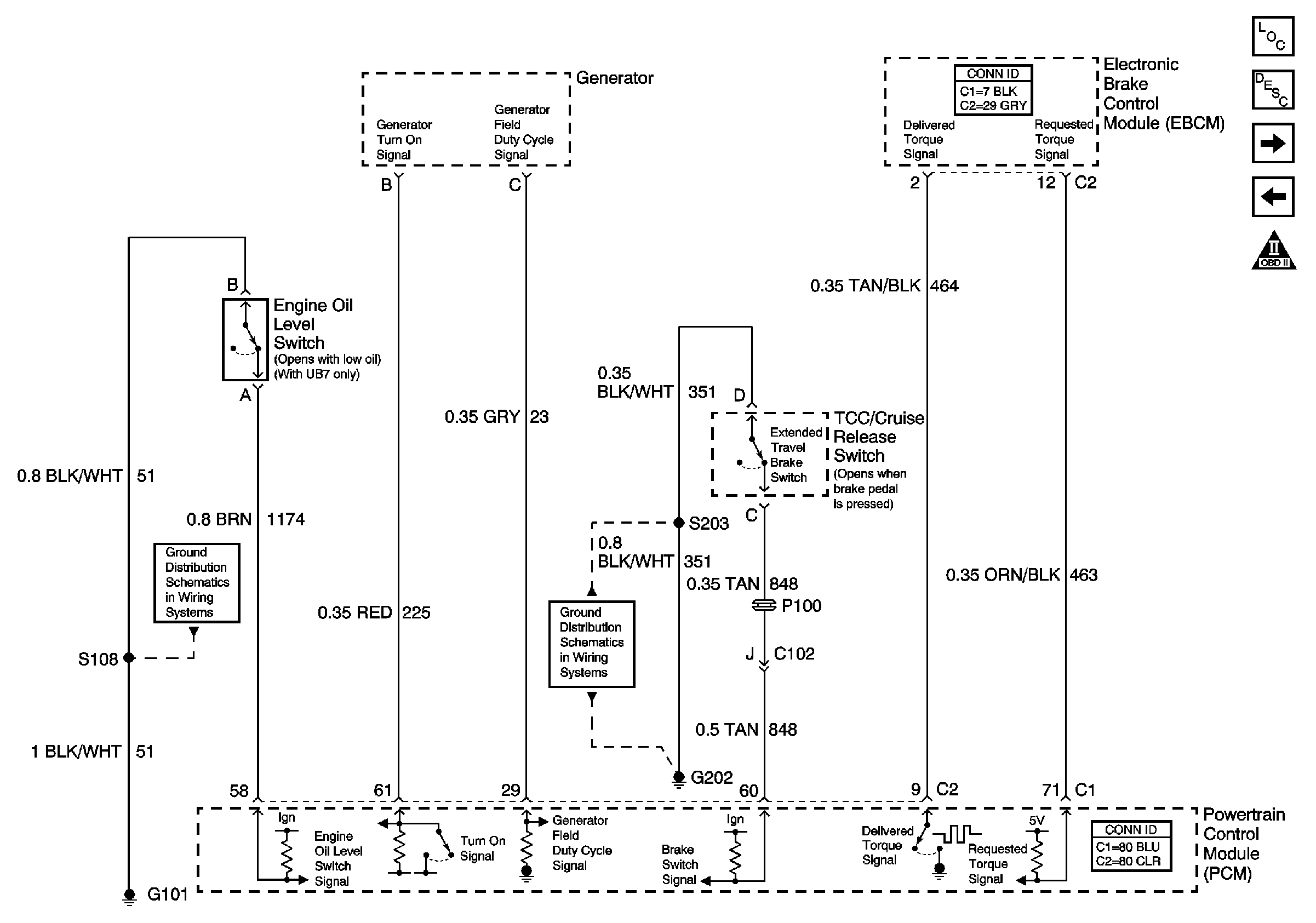
🢒 EBCM, Generator and Engine Oil Level Switch
EBCM, Generator and Engine Oil Level Switch
EBCM, Generator and Engine Oil Level Switch
Master Electrical Component List
Powertrain Control Module Description
Transaxle Sensors
EGR and EVAP Purge Valve
OBD II Symbol Description Notice
G202 (1 of 4)
G100, G101, G102 and G103