GM Service Manual Online
For 1990-2009 cars only
Makes
🢒
Buick
🢒
2001
🢒
LeSabre
🢒 PASS-Key® III
PASS-Key® III
PASS-Key® III
Master Electrical Component List
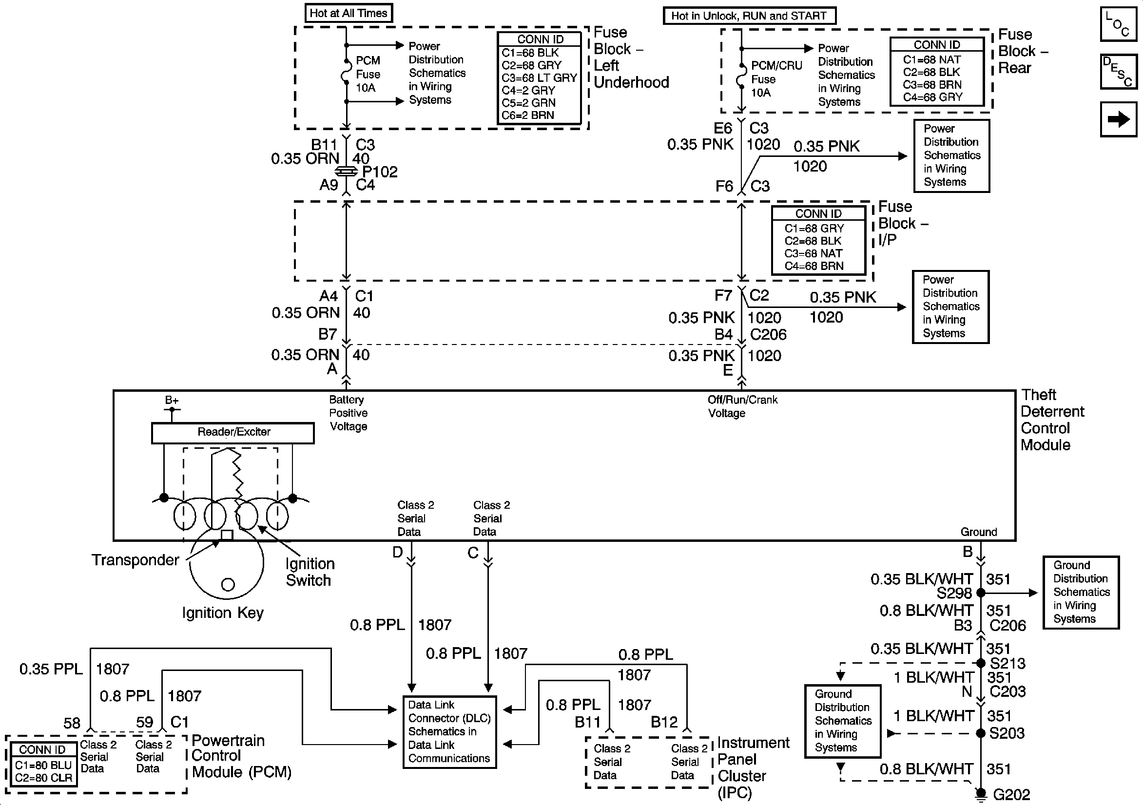
Vehicle Theft Deterrent (VTD) Description and Operation
Content Theft Deterrent
Underhood Fuse Block- PCM, SIR and INJR Fuses
Underhood Fuse Block- CRK, PCM/CRU and SBM Fuses
Underhood Fuse Block- CRK, PCM/CRU and SBM Fuses
Underhood Fuse Block- CRK, PCM/CRU and SBM Fuses
Class 2 Serial Data Line
G202 (1 of 4)
G202 (2 of 4)