GM Service Manual Online
For 1990-2009 cars only
Makes
🢒
Buick
🢒
2001
🢒
LeSabre
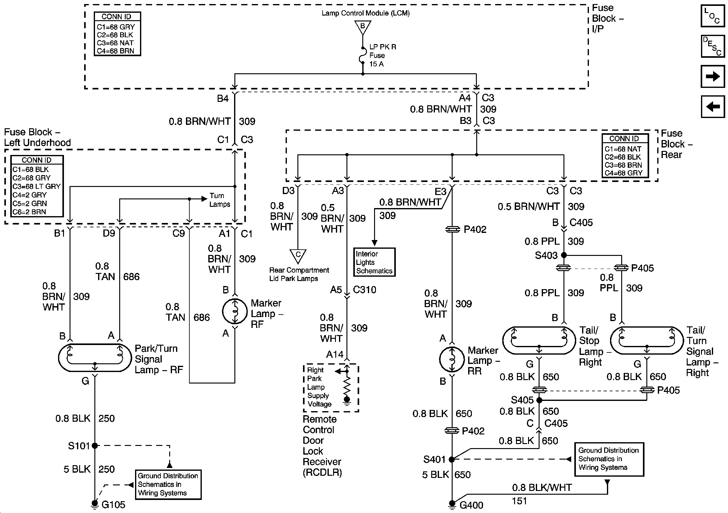
🢒 RH Park Lamps
RH Park Lamps
RH Park Lamps
Master Electrical Component List
Exterior Lighting Systems Description and Operation
Rear Compartment Lid Park Lamp
LH Park Lamps
Headlamp Switch and Park Lamp Control
RH Turn Lamps
RH Turn Lamps
RH Turn Lamps
Rear Compartment Lid Park Lamp
Rear Power Window Components
Stop Lamps
G105
G400 (1 of 2)