GM Service Manual Online
For 1990-2009 cars only
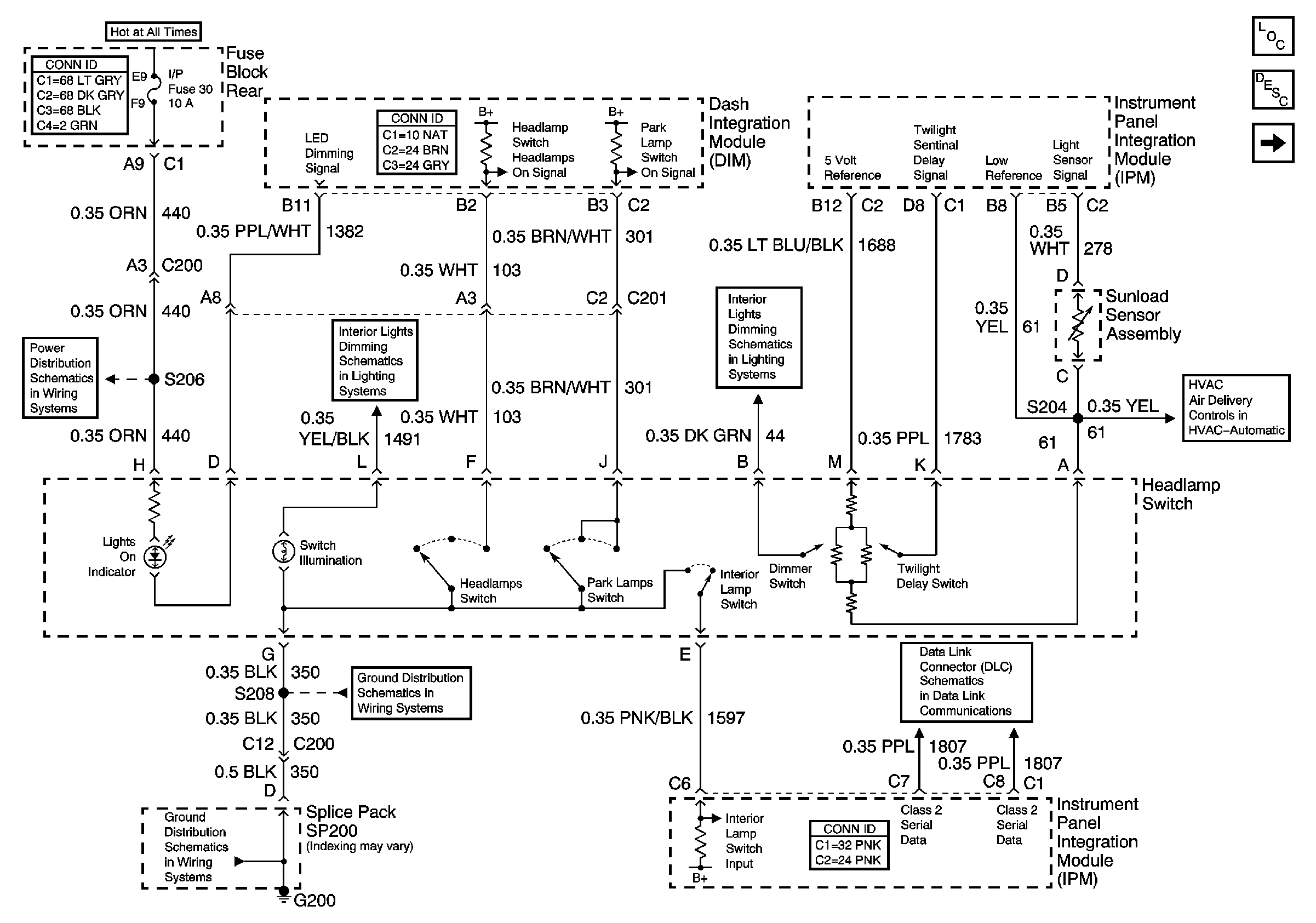
Figure 1:

Headlamp Switch and Sunload Sensor Assembly (w/CJ2)


Object Number: 887786  Size: FS
Master Electrical Component List
Headlamp Switch and Sunload Sensor Assembly (w/C67)
Temperature Sensors (w/CJ2)
Serial Data Class 2
G200 (2 of 2)
G200 (2 of 2)
IP, CIGAR, AUX PWR and C/LTR Fuses and CIGAR Relay (Fuse Block Rear)
IP, CIGAR, AUX PWR and C/LTR Fuses and CIGAR Relay (Fuse Block Rear)
Instrument Panel And Console Dimming
Dimming Control
Figure 2:

Headlamp Switch and Sunload Sensor Assembly (w/C67)


Object Number: 887790  Size: FS
Master Electrical Component List
DRL, High Beam Headlamps and Dimmer Switch
Headlamp Switch and Sunload Sensor Assembly (w/CJ2)
Serial Data Class 2
G200 (2 of 2)
G200 (2 of 2)
IP, CIGAR, AUX PWR and C/LTR Fuses and CIGAR Relay (Fuse Block Rear)
IP, CIGAR, AUX PWR and C/LTR Fuses and CIGAR Relay (Fuse Block Rear)
Instrument Panel And Console Dimming
Dimming Control
Figure 3:

DRL, High Beam Headlamps and Dimmer Switch


Object Number: 887806  Size: FS
Master Electrical Component List
034H Low Beam Headlamps
Headlamp Switch and Sunload Sensor Assembly (w/C67)
G200 (1 of 2)
034H Low Beam Headlamps
G200 (1 of 2)
G401 (2 of 2)
G401 (2 of 2)
G103
Battery Feed to Underhood Fuse Block
Battery Feed to Underhood Fuse Block
G103
High and Low Beam Relays, ABS, PCM BATT, High and Low Beam Fuses
034H Low Beam Headlamps
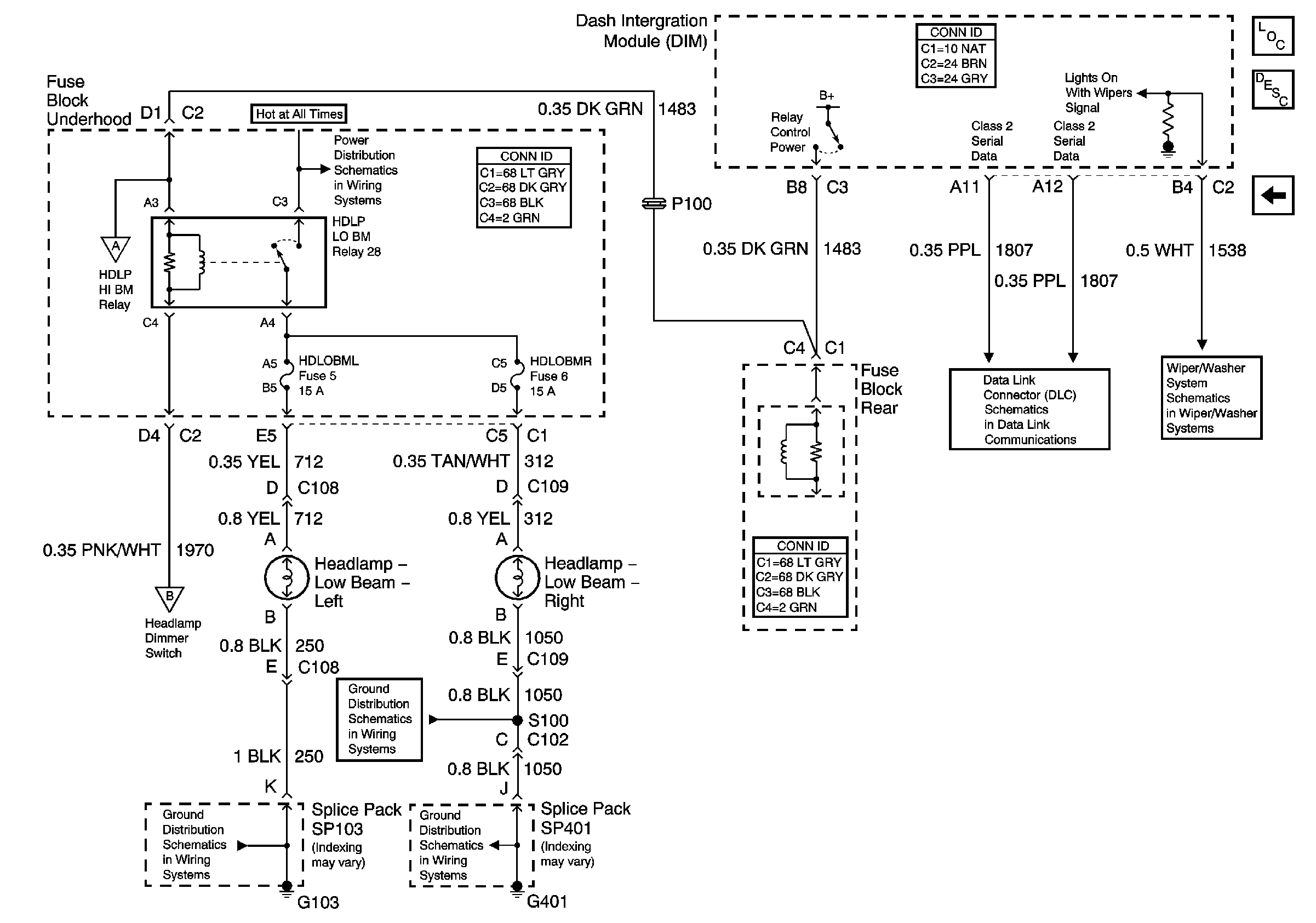
Figure 4:

Low Beam Headlamps


Object Number: 887801  Size: FS
Master Electrical Component List
DRL, High Beam Headlamps and Dimmer Switch
Wiper Washer Switch and Fuse
Serial Data Class 2
G401 (2 of 2)
G401 (2 of 2)
G401 (2 of 2)
DRL, High Beam Headlamps and Dimmer Switch
DRL, High Beam Headlamps and Dimmer Switch
High and Low Beam Relays, ABS, PCM BATT, High and Low Beam Fuses