GM Service Manual Online
For 1990-2009 cars only
Makes
🢒
Buick
🢒
2005
🢒
LeSabre
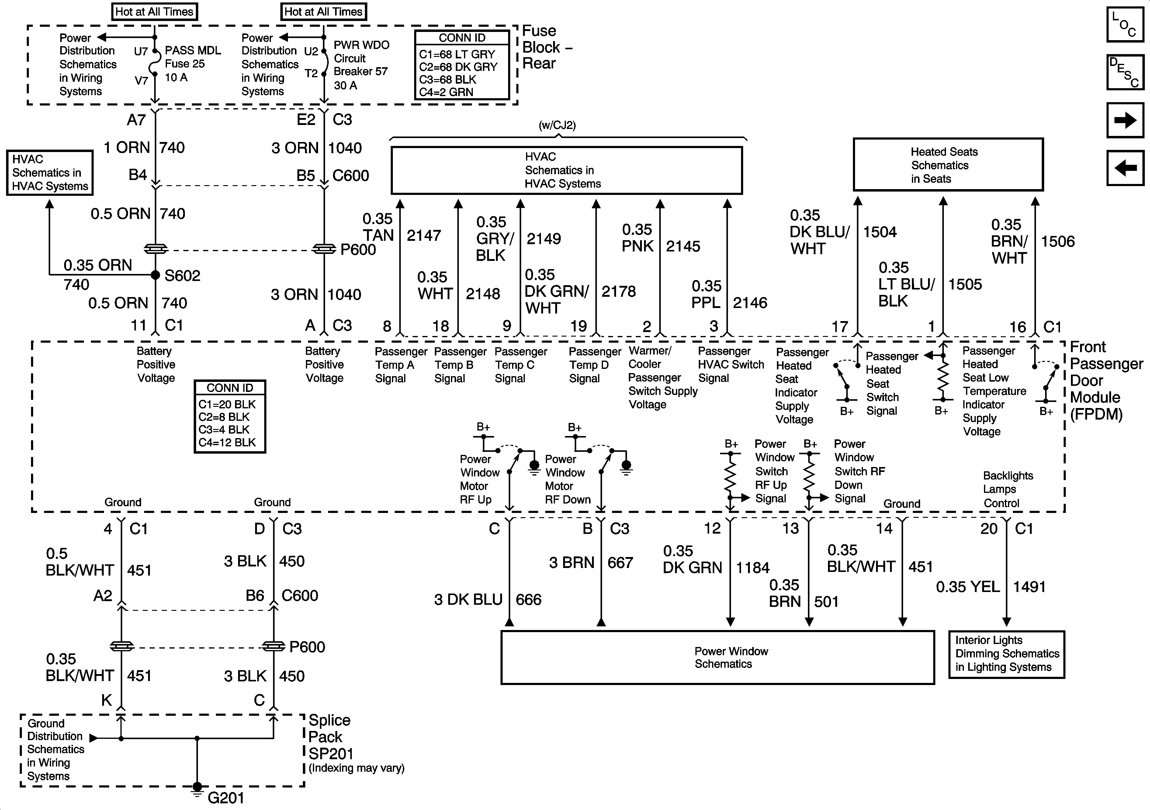
🢒 Front Passenger Door Module (FPDM) Power and Ground
Front Passenger Door Module (FPDM) Power and Ground
Front Passenger Door Module (FPDM) Power and Ground
Master Electrical Component List
Power Windows Description and Operation
Driver Door Module (DDM) Inputs/Outputs
Driver Door Module (DDM) Power and Ground
Fuse Block Rear - HVAC BATT, DDM, FPDM and LRDM Fuses
Fuse Block Rear - PWR WDO and PWR SEAT Circuit Breakers
Front Passenger Climate Control (CJ2)
Front Passenger Climate Control (CJ2)
Front Passenger Front Heated Seat Switch
Front Passenger Door
Front Doors Dimming
G201