GM Service Manual Online
For 1990-2009 cars only
Makes
🢒
Buick
🢒
2006
🢒
Lucerne
🢒
Vehicle Control Systems
🢒
Vehicle DTC Information
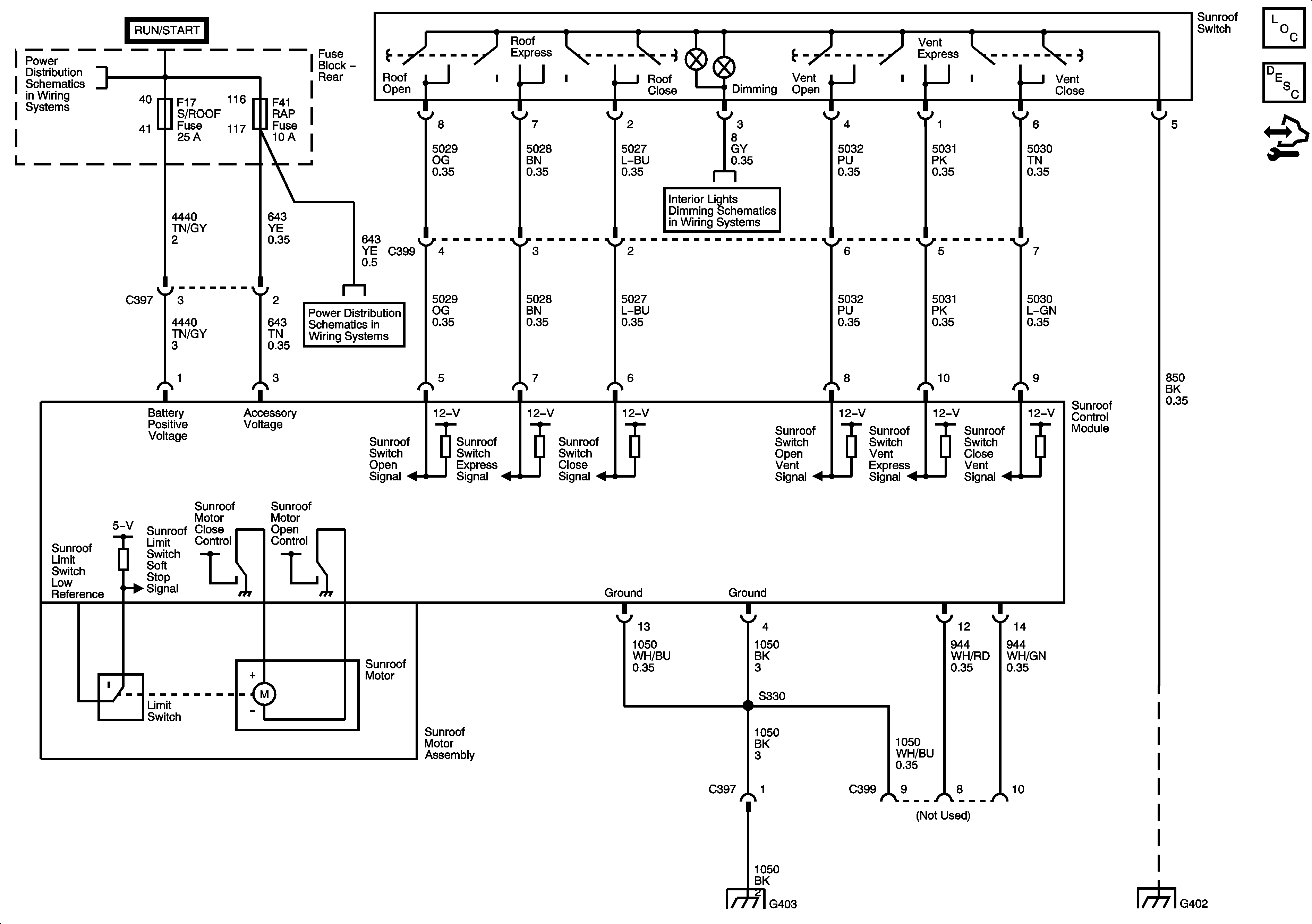
🢒 Sunroof Schematics
Master Electrical Component List
Sunroof Description and Operation
Control Module References
Rear Fuse Block B+
RAP Relay, CTSY/RF TRN, S/ROOF, SHFTR SOL, RAP Fuses
Traction Control, Sunroof Switches, Reverse Lockout Solenoid, Garage Door Opener
G403
G402