GM Service Manual Online
For 1990-2009 cars only
Makes
🢒
Buick
🢒
2006
🢒
Lucerne
🢒 Starting 1 of 2
Starting 1 of 2
Starting 1 of 2
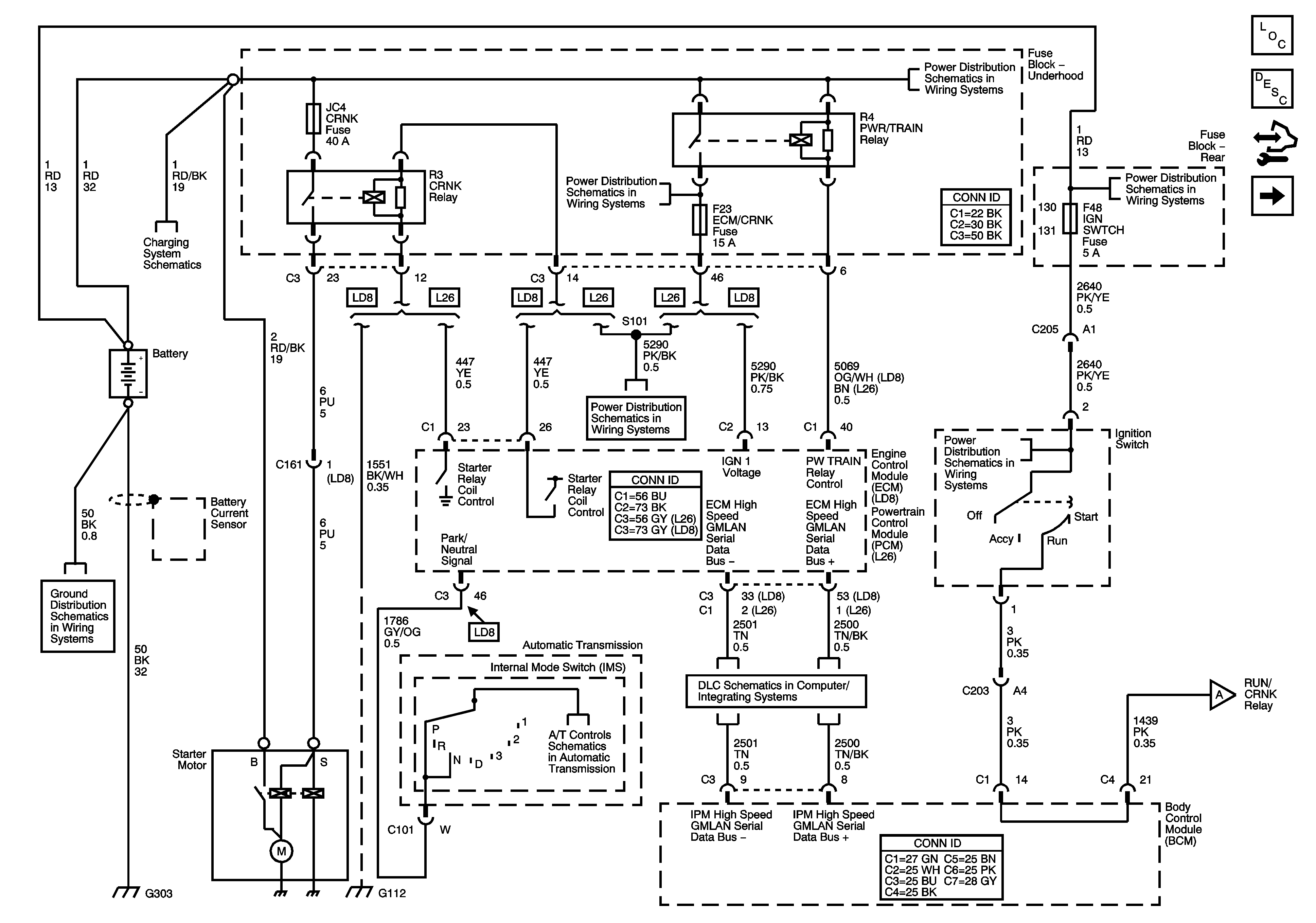
Master Electrical Component List
Starting System Description and Operation
Control Module References
Starting 2 of 2
Charging
PWR/TRAIN, AIR PUMP, AIR/SOL Relays, ECM/CRNK, INJ/COIL, PWR TRN, AIR PUMP, AIR/SOL Fuses
Underhood Fuse Block B+
IGN SWTCH, STR/WHL/ILLUM Fuses
PWR/TRAIN, AIR PUMP, AIR/SOL Relays, ECM/CRNK, INJ/COIL, PWR TRN, AIR PUMP, AIR/SOL Fuses
IGN SWTCH, STR/WHL/ILLUM Fuses
G101, G110, G111, G114, G115, G302, G303, G306, G307
TCM Power and Ground
High Speed Serial Data
Starting 2 of 2
G112 (L26)