GM Service Manual Online
For 1990-2009 cars only
Makes
🢒
Buick
🢒
2007
🢒
Lucerne
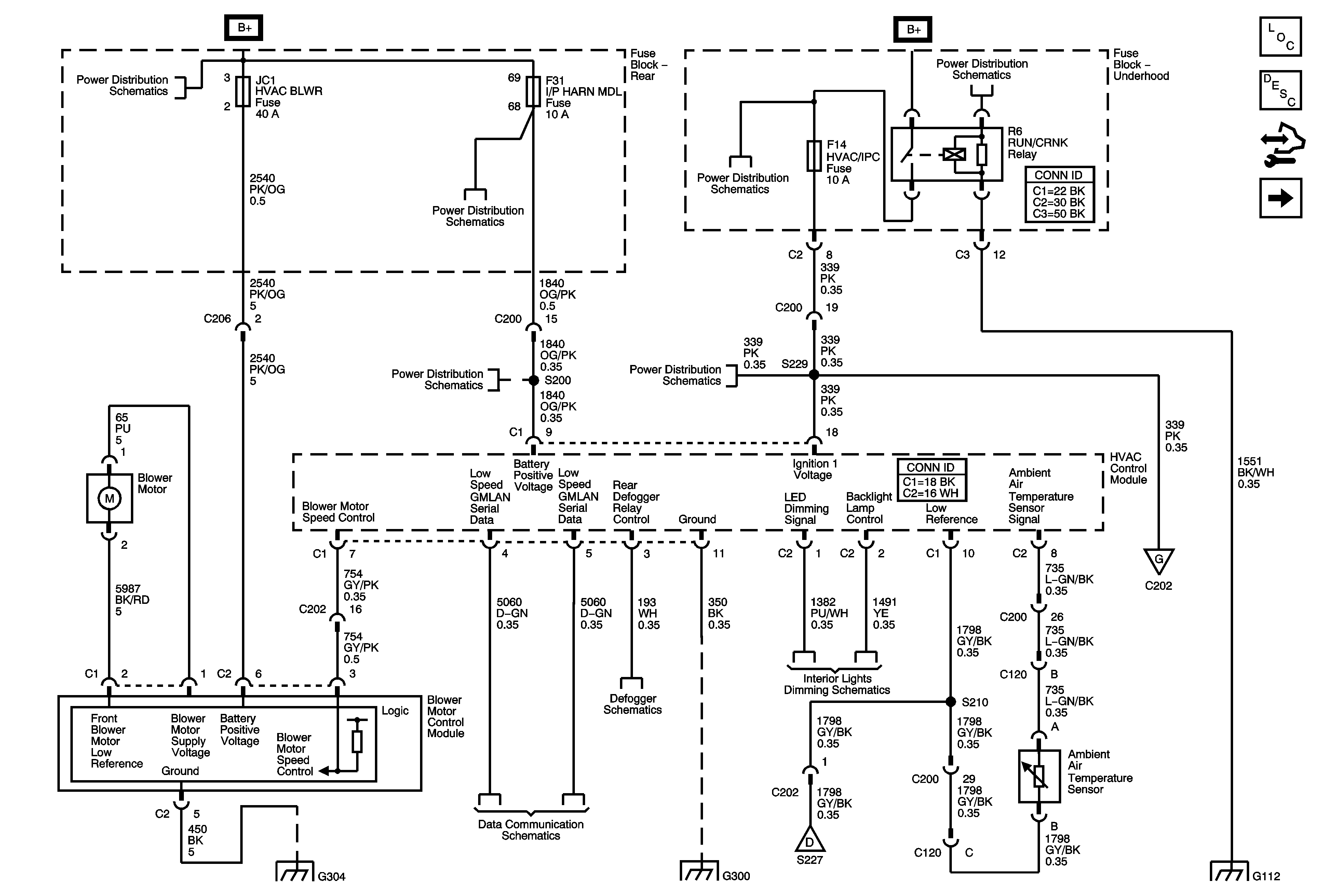
🢒 Power, Ground, Blower Motor Controls
Power, Ground, Blower Motor Controls
Power, Ground, Blower Motor Controls
Master Electrical Component List
Air Temperature Description and Operation
Control Module References
Mode and Air Temperature Controls
Rear Fuse Block B+
PRK LAMP, DRL Relays, IP HARN MDL, LT PRK LAMP, RT PRK LAMP, DRL Fuses
Underhood Fuse Block B+
RUN/CRANK Relay, TRANS IGN 3, AIRBAG IGN 3, HVAC/IPC, ECM IGN 3 Fuses
PRK LAMP, DRL Relays, IP HARN MDL, LT PRK LAMP, RT PRK LAMP, DRL Fuses
RUN/CRANK Relay, TRANS IGN 3, AIRBAG IGN 3, HVAC/IPC, ECM IGN 3 Fuses
G304
Power, Ground, and Low Speed GMLAN
Defogger Schematics
G300
Hazard, Headlamp, Driver Information Display Switches, Ashtray, HVAC Control Module, Radio
Mode and Air Temperature Controls
Mode and Air Temperature Controls
G100, G112 (LD8)