GM Service Manual Online
For 1990-2009 cars only
Makes
🢒
Buick
🢒
2007
🢒
Lucerne
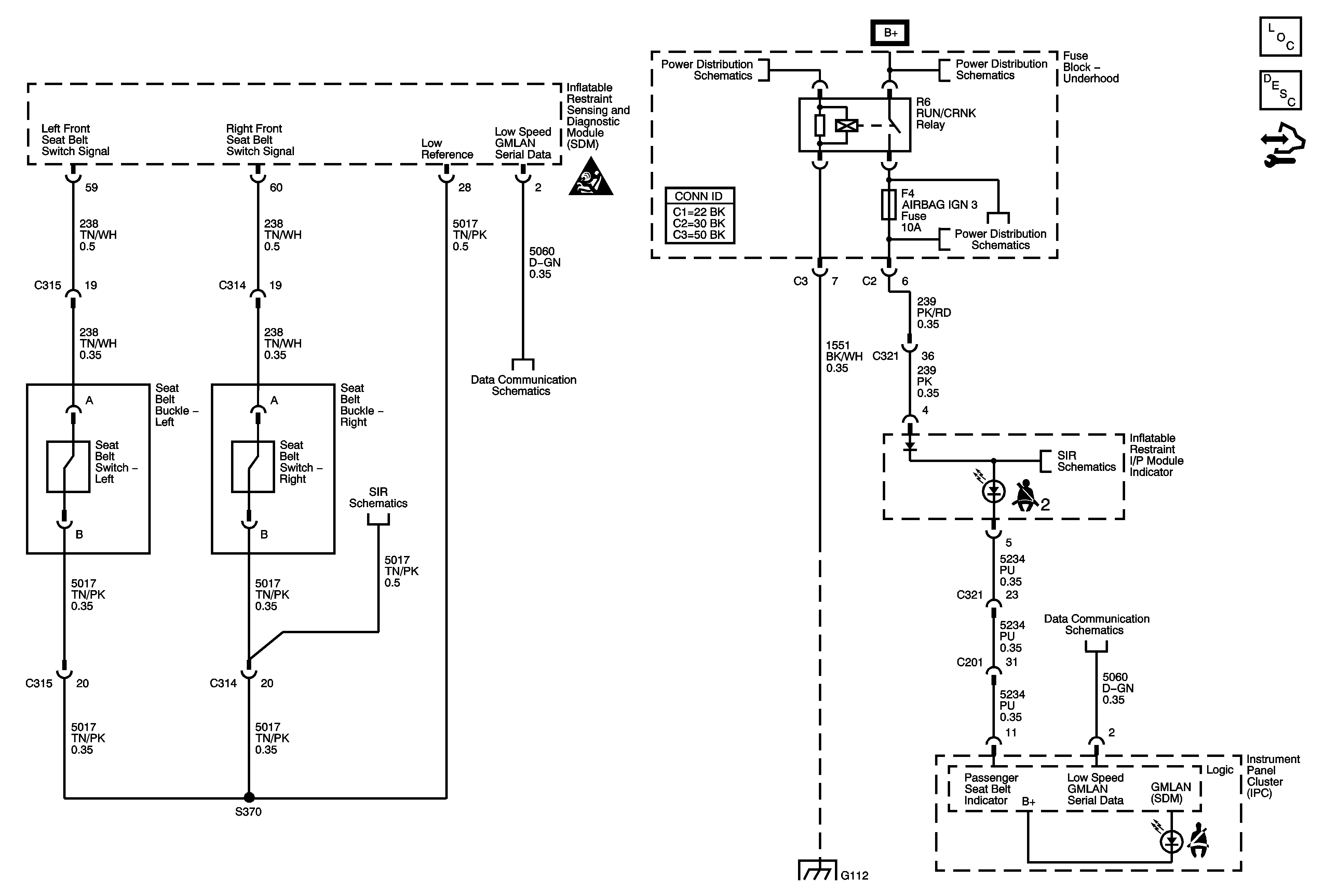
🢒 Seat Belt Schematics
Seat Belt Schematics
Master Electrical Component List
Seat Belt System Description and Operation
Control Module References
Seat Belt Schematic Icons
RUN/CRANK Relay, TRANS IGN 3, AIRBAG IGN 3, HVAC/IPC, ECM IGN 3 Fuses
Underhood Fuse Block B+
RUN/CRANK Relay, TRANS IGN 3, AIRBAG IGN 3, HVAC/IPC, ECM IGN 3 Fuses
Right Side Impact Sensor and Module, Roof Rail Module, I/P Module, Pretensioner
Power, Ground, and Low Speed GMLAN
Passenger Presence System
Power, Ground, and Low Speed GMLAN
G112 (L26)