GM Service Manual Online
For 1990-2009 cars only

Circuit Operation

Battery voltage is applied to terminal 85 and terminal 87 of the horn relay at all times. Pressing the horn switch grounds the horn relay coil. The relay coil may also ground on CKT 28 (BLK) by the remote function actuator (RFA) module. Refer to

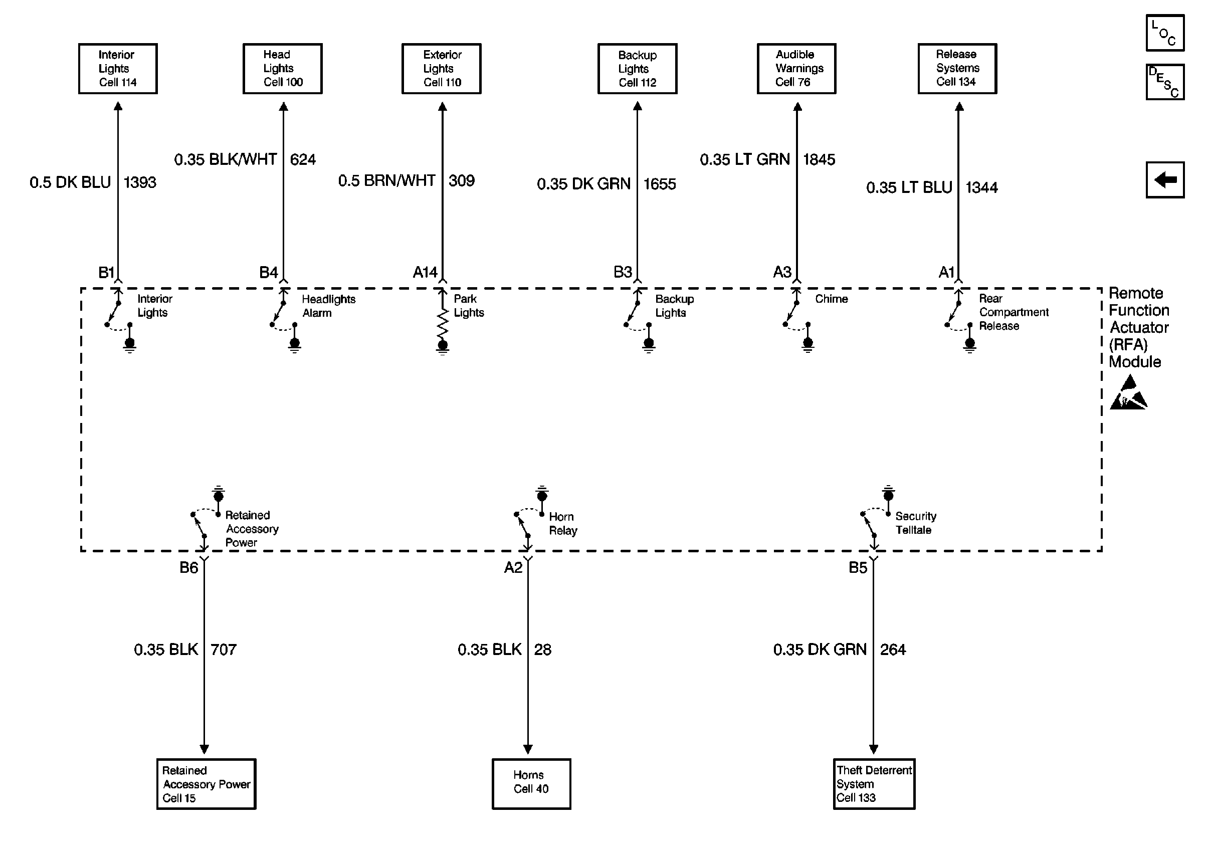
Cell 132: RFA Module Power and Ground


Object Number: 455565  Size: FS
Keyless Entry Components
Keyless Entry System Circuit Description
Cell 132: RFA Module Inputs and Outputs
Handling ESD Sensitive Parts Notice
Cell 14: G400 (1 of 2)
Cell 10: WSW, WSW/RFA, HUD, ELC, CR CONT, A/C and HVAC Fuses
Cell 10: BATT 2, MEM/RFA Fuses and PWR SEAT Circuit Breaker
Cell 10: IGNFD, T/SIG, OXY SEN, and SBM LCM Fuses
Cell 10: IGNFD, T/SIG, OXY SEN, and SBM LCM Fuses
Cell 10: WSW, WSW/RFA, HUD, ELC, CR CONT, A/C and HVAC Fuses
Cell 50: Class 2 Serial Data Line
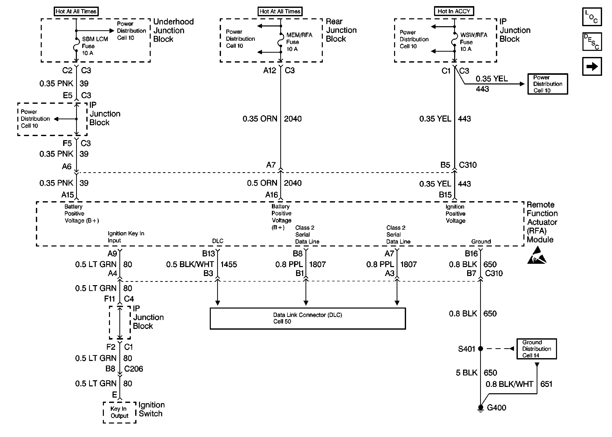
in Keyless Entry for entry circuit operation. Refer to

Cell 132: RFA Module Inputs and Outputs


Object Number: 455569  Size: FS
Keyless Entry Components
Keyless Entry System Circuit Description
Cell 132: RFA Module Power and Ground
Handling ESD Sensitive Parts Notice
Cell 114: Auxiliary Lighting Control, RH Door Courtesy Lamps, and Rear COmpartment Lamp
Cell 100: Daytime Running Lamps
Cell 110: RH Park Lamps
Cell 112
Cell 51: Body Control Module Inputs and Outputs (1 of 3)
Cell 134: Release Relay and Actuators
Retained Accessory Power (RAP) Schematics
Cell 40
Cell 133: Content Theft Deterrent
in Keyless Entry. The horn relay applies battery voltage to the horns when the relay becomes energized. The horns sound until the horn switch releases or until the RFA signal stops.

The remote function actuator (RFA) module causes a number of horn actuations according to function. Locking or unlocking the vehicle through the use of a key fob transmitter causes a short pulsed horn actuation. The following actions cause a continuous pulsed horn output from the RFA:

    • A class 2 message from the universal theft circuit
    • Pressing the panic sequence on one of the key fobs