GM Service Manual Online
For 1990-2009 cars only
Makes
🢒
Buick
🢒
1998
🢒
Park Avenue
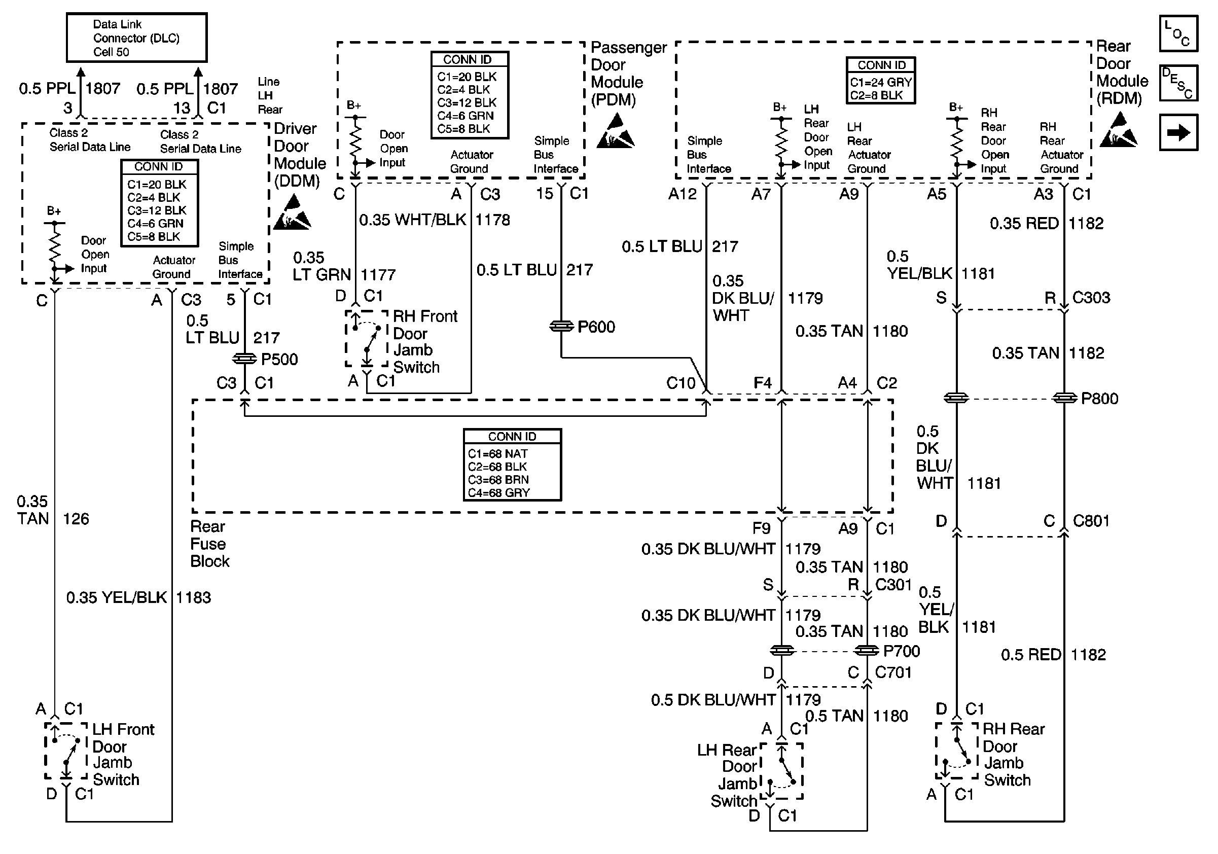
🢒 Cell 114: Door Open Inputs
Cell 114: Door Open Inputs
Cell 114: Door Open Inputs
Cell 50: Class 2 Serial Data Line
Power Door Systems Connector End Views
Power Door Systems Connector End Views
Handling ESD Sensitive Parts Notice
Handling ESD Sensitive Parts Notice
Interior Lighting System Description
Lighting Systems Components
Cell 114: courtesy Lamp Switch, Footwell Lamps, LH Door Courtesy Lamps, and IP Compartment Lamp
Power and Grounding Connector End Views
Power Door Systems Connector End Views
Handling ESD Sensitive Parts Notice