GM Service Manual Online
For 1990-2009 cars only
Figure 1:

Cell 51: Body Control Module Power and Ground


Object Number: 324459  Size: FS
Body Control Module Components
Body Control System Circuit Description
Cell 51: Body Control Module Inputs and Outputs (1 of 3)
Power Distribution Schematics
Power Distribution Schematics
Power Distribution Schematics
Power Distribution Schematics
Power Distribution Schematics
Power Distribution Schematics
Power Distribution Schematics
Interior Lights Schematics
Handling ESD Sensitive Parts Notice
Ground Distribution Schematics
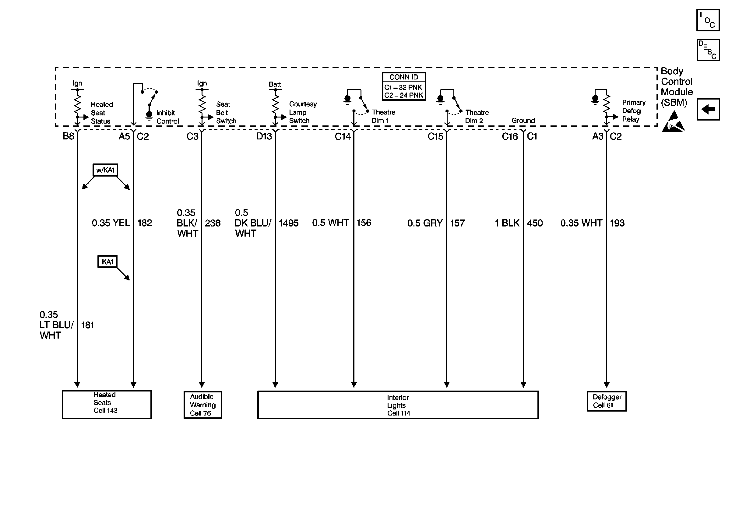
Figure 2:

Cell 51: Body Control Module Inputs and Outputs (1 of 3)


Object Number: 324461  Size: FS
Body Control Module Components
Body Control System Circuit Description
Cell 51: Body Control Module Inputs and Outputs (2 of 3)
Cell 51: Body Control Module Power and Ground
Handling ESD Sensitive Parts Notice
Handling ESD Sensitive Parts Notice
Ground Distribution Schematics
Ground Distribution Schematics
Headlights Schematics
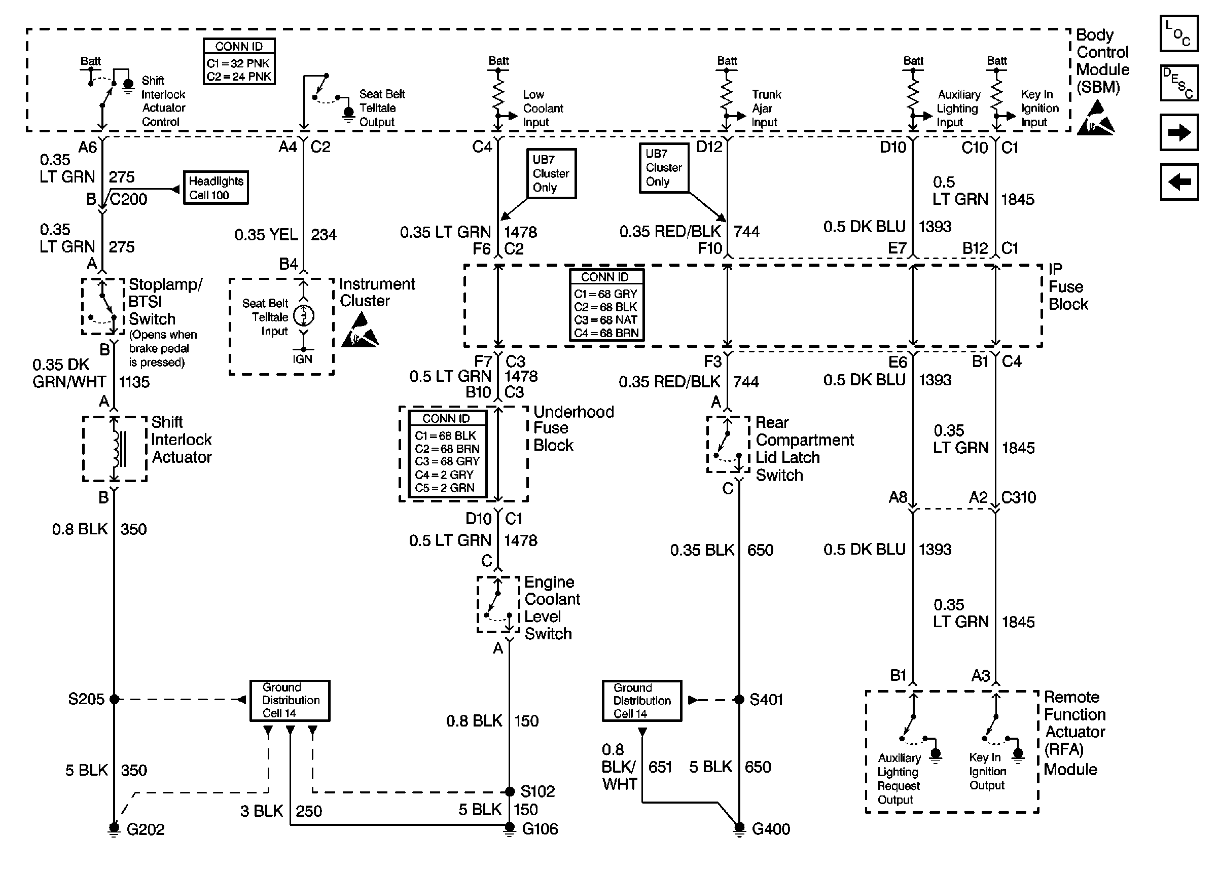
Figure 3:

Cell 51: Body Control Module Inputs and Outputs (2 of 3)


Object Number: 324462  Size: FS
Body Control Module Components
Body Control System Circuit Description
Cell 51: Body Control Module Inputs and Outputs (3 of 3)
Cell 51: Body Control Module Inputs and Outputs (1 of 3)
Data Link Connector Schematics
Exterior Lights Schematics
Release Systems Schematics
Handling ESD Sensitive Parts Notice
Ground Distribution Schematics
Handling ESD Sensitive Parts Notice
Figure 4:

Cell 51: Body Control Module Inputs and Outputs (3 of 3)


Object Number: 324463  Size: FS
Body Control Module Components
Body Control System Circuit Description
Cell 51: Body Control Module Inputs and Outputs (2 of 3)
Handling ESD Sensitive Parts Notice
Heated Seats Schematics
Audible Warnings Schematics
Interior Lights Schematics
Defogger Schematics