GM Service Manual Online
For 1990-2009 cars only
Makes
🢒
Buick
🢒
1999
🢒
Park Avenue
🢒
Body and Accessories
🢒
Keyless Entry
🢒 Keyless Entry Schematics
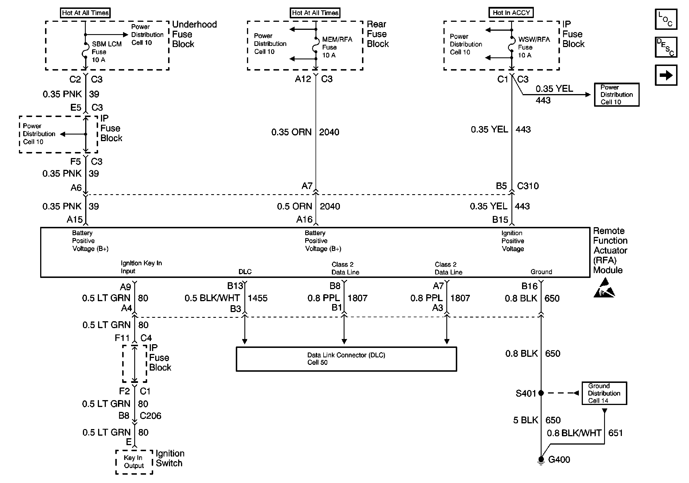
Cell 132: RFA Power, Ground and DLC
Keyless Entry Components
Keyless Entry System Description
Cell 132: RFA Inputs and Outputs
Handling ESD Sensitive Parts Notice
Cell 14: G400 (2 of 2)
Cell 10: IGNFD, T/SIG, OXY SEN, and SBM LCM Fuses
Cell 10: BATT 2 and MEM/RFA Fuses
Cell 10: WSW, WSW/RFA, HUD, ELC, CR CONT, A/C and HVAC Fuses
Cell 10: IGNFD, T/SIG, OXY SEN, and SBM LCM Fuses
Cell 10: WSW, WSW/RFA, HUD, ELC, CR CONT, A/C and HVAC Fuses
Data Link Connector Schematics
Cell 132: RFA Inputs and Outputs
Keyless Entry Components
Keyless Entry System Description
Cell 132: RFA Power, Ground and DLC
Handling ESD Sensitive Parts Notice
Interior Lights Schematics
Headlights Schematics
Exterior Lights Schematics
Backup Lamp Schematics
Audible Warnings Schematics
Release Systems Schematics
Retained Accessory Power (RAP) Schematics
Horn Schematics
Theft Deterrent System Schematics