GM Service Manual Online
For 1990-2009 cars only
Makes
🢒
Buick
🢒
2001
🢒
Park Avenue
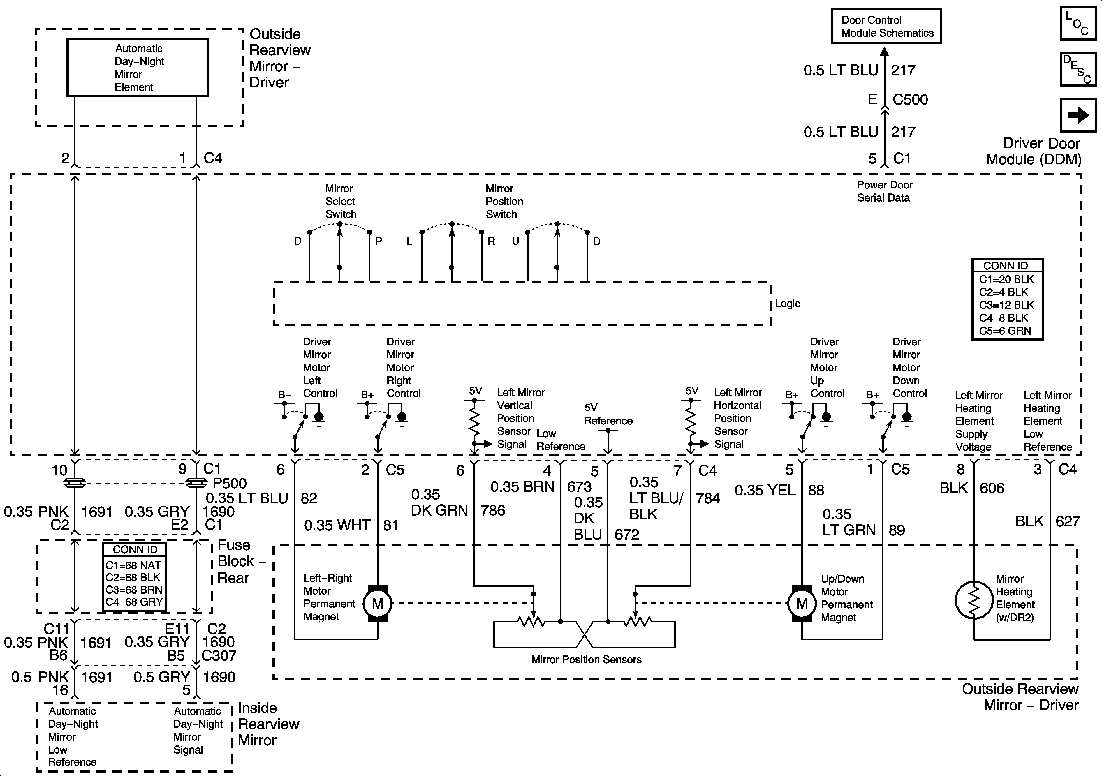
🢒 Left Outside Power Mirror
Left Outside Power Mirror
Left Outside Power Mirror
Master Electrical Component List
Outside Mirror Description and Operation
Right Outside Power Mirror
Underhood Fuse Block- BAT 1/ Rear Fuse Block- RDM, C/LTR, DDM, HTDSTL, TRK REL Fuses and Trunk Lid Release Relay/ IP Fuse Block- PDM, SBM, CSTR/SBM Fuses
Driver Door Module
G202 (4 of 4)
G202 (1 of 4)