GM Service Manual Online
For 1990-2009 cars only
Makes
🢒
Buick
🢒
2001
🢒
Park Avenue
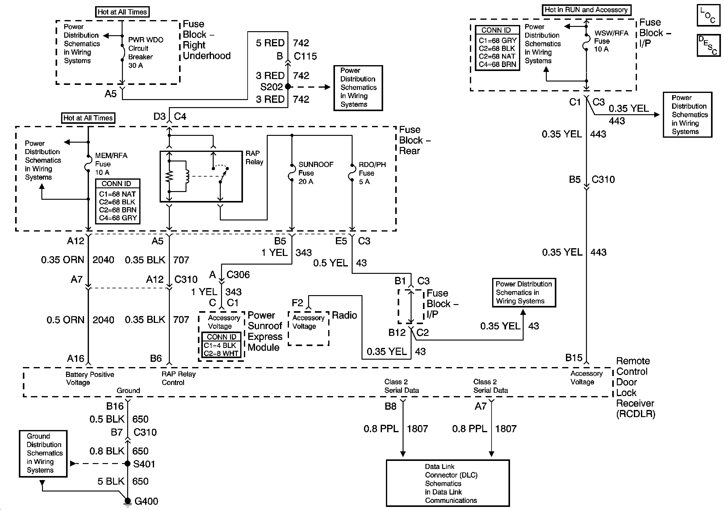
🢒 Retained Accessory Power (RAP) Schematics
Retained Accessory Power (RAP) Schematics
Master Electrical Component List
Retained Accessory Power (RAP) Description and Operation
Underhood Fuse Block and Underhood Maxi-Fuse Block
Underhood Maxi-Fuse Block- PWR WDO Circuit Breaker/Rear Fuse Block-RDO/PH, SUNRF Fuses and RAP Relay
IP Fuse Block- WSW/RFA and WSW Fuses
IP Fuse Block- WSW/RFA and WSW Fuses
Underhood Fuse Block- BAT 2 Fuse/ Rear Fuse Block- PWR SEAT and MEM/RFA FUSEs
Class 2 Serial Data Line
G400 (1 of 2)