GM Service Manual Online
For 1990-2009 cars only
Makes
🢒
Buick
🢒
2002
🢒
Park Avenue
🢒 Fuel Controls- EVAP Controls
Fuel Controls- EVAP Controls
Fuel Controls- EVAP Controls
Master Electrical Component List
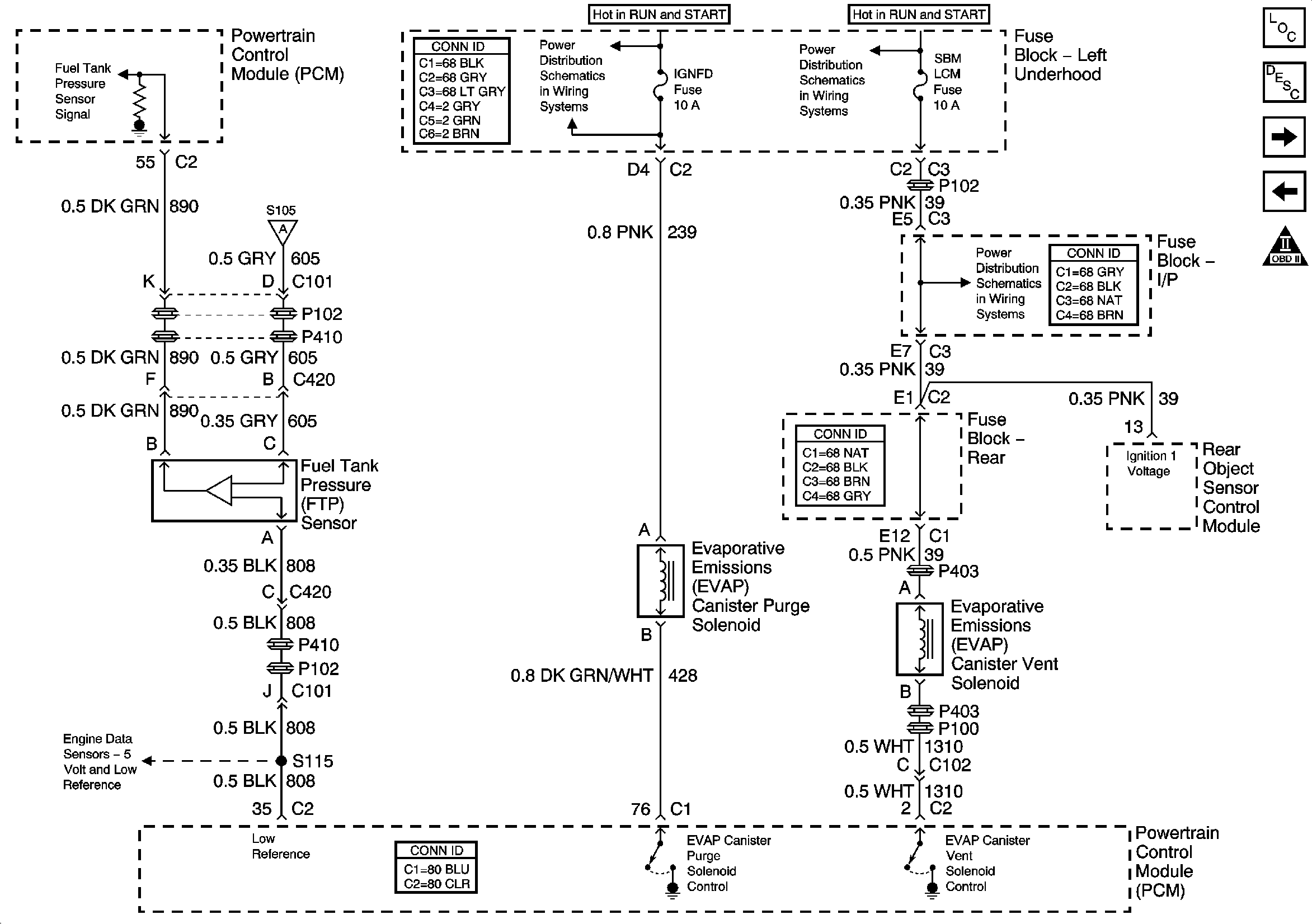
Evaporative Emission Control System Description
Device Controls
Fuel Controls- Fuel Injectors
OBD II Symbol Description Notice
Left Underhood Fuse Block- AIR SOL, C3I and IGNFD Fuses
Left Underhood Fuse Block- OXY SEN and SBM LCM Fuses
Left Underhood Fuse Block- OXY SEN and SBM LCM Fuses
Engine Data Sensors
Engine Data Sensors- 5 Volt and Low Reference