GM Service Manual Online
For 1990-2009 cars only
Makes
🢒
Buick
🢒
2005
🢒
Park Avenue
🢒
Body
🢒
Wipers/Washer Systems
🢒 Wiper/Washer Schematics
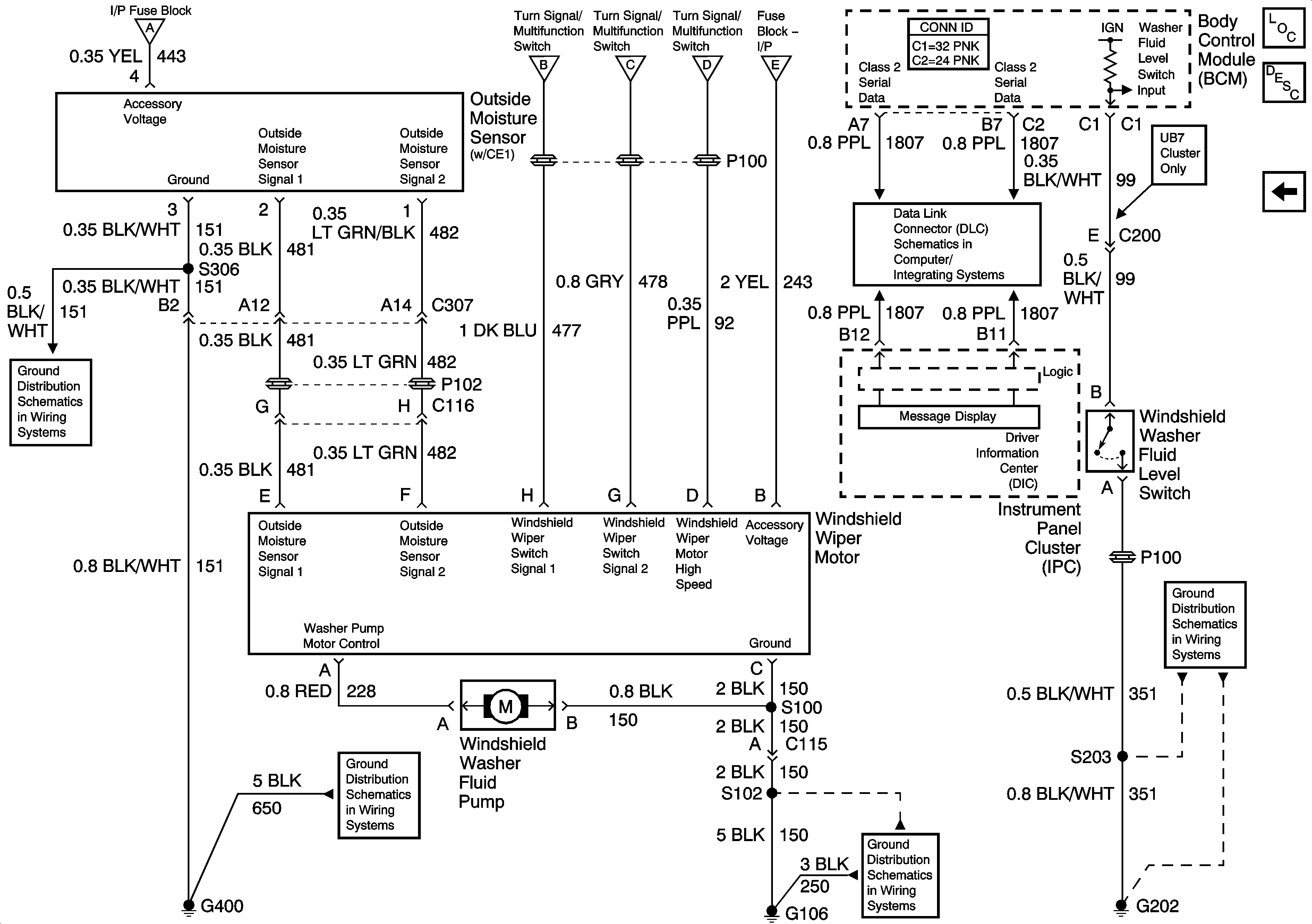
Figure
1:
Turn Signal/Multifunction Switch
Master Electrical Component List
Wiper/Washer System Description and Operation
Windshield Wiper Motor
WSW/RFA and WSW Fuses
Windshield Wiper Motor
Windshield Wiper Motor
Windshield Wiper Motor
Windshield Wiper Motor
Windshield Wiper Motor
Figure
2:
Windshield Wiper Motor
Master Electrical Component List
Wiper/Washer System Description and Operation
Turn Signal/Multifunction Switch
Turn Signal/Multifunction Switch
Turn Signal/Multifunction Switch
Turn Signal/Multifunction Switch
Turn Signal/Multifunction Switch
Turn Signal/Multifunction Switch
Class 2 Serial Data Lines
G400 - 1 of 2
G400 - 1 of 2
G104 and G106
G202 - 1 of 4