GM Service Manual Online
For 1990-2009 cars only
Makes
🢒
Buick
🢒
2005
🢒
Park Avenue
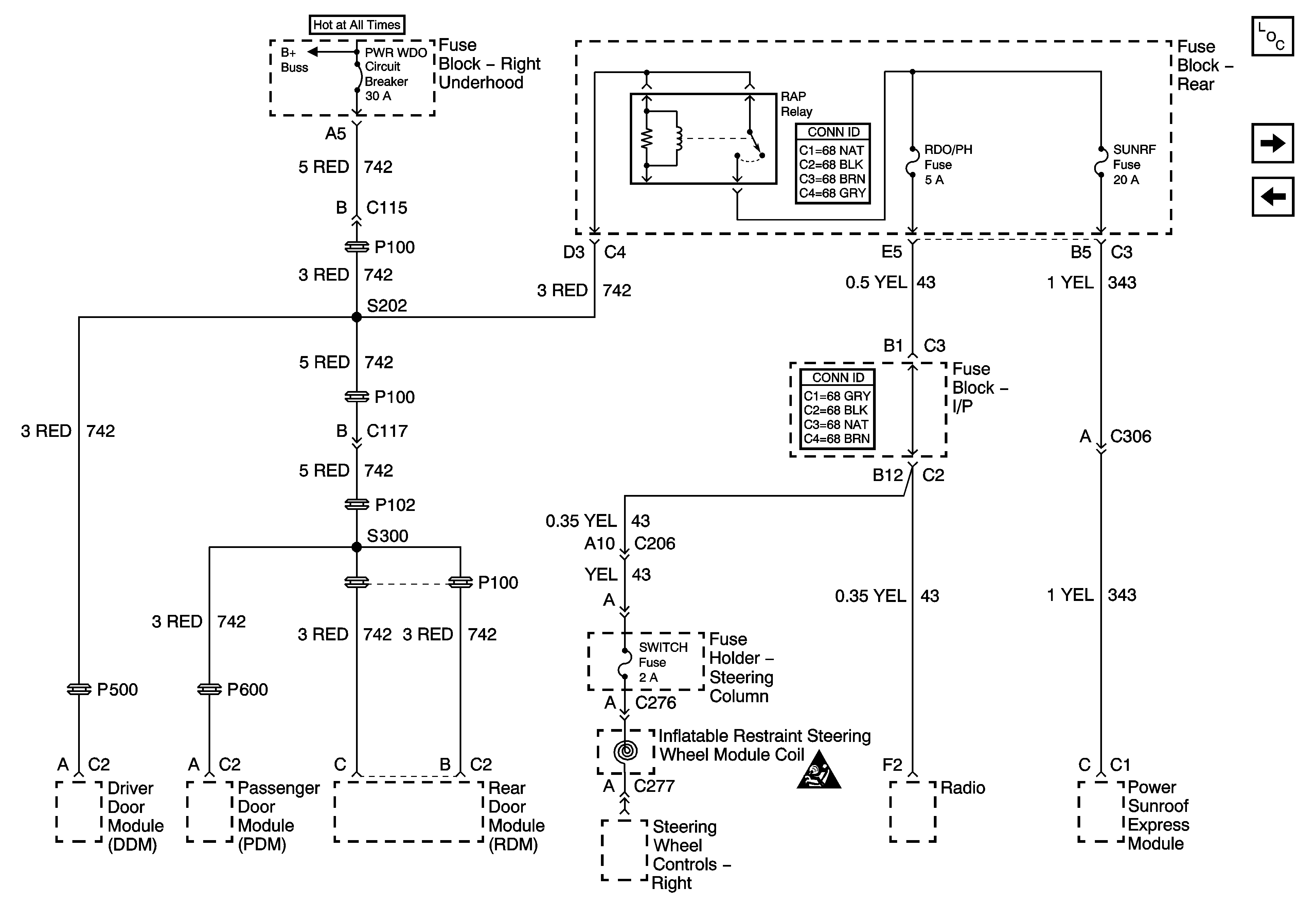
🢒 PWR WDO Circuit Breaker, RDO/PH and SUNRF Fuses
PWR WDO Circuit Breaker, RDO/PH and SUNRF Fuses
PWR WDO Circuit Breaker, RDO/PH and SUNRF Fuses
Master Electrical Component List
HDLP, HDLOBML, HDLOBMR, HDHIBML, HDHIBMR and STARTER Fuses
AIR PUMP, COOL FAN 2, AUX OTLT and REAR DEFOG Fuses
SIR Caution for Zoning
Battery Feed to Left and Right Underhood Fuse Blocks